Gjorde ett försök förra året med några hyllvärmare vilket man kan läsa om i den här tråden. viewtopic.php?f=3&t=46306. Denna blev inte så tokig, lät riktigt bra faktiskt. Men jag ville nog bygga något med nyare element. Tanken på en 3-vägare började utforma sig. Men, skulle jag klara av ett sådant projekt nybörjare som jag är. Jag vände och vred på det hela i många veckor samtidigt som jag studerade så många 3-vägskonstruktioner jag kunde hitta på nätet.
Till slut hade jag bestämt mig samtidigt hade jag kommit fram till vilka högt. element jag skulle använda. Diskanten var given från början nämligen Seas 22TAF/G som jag har god erfarenhet av genom mitt bygge av Skruttens 9LAEH.

Som mellanregister hade jag bestämt mig för Scan Speak 10F/4424G00 och som baselement Peerless HDS Nomex 6,5 tummare 830875.
Nu blev det inte riktigt så. I stället satsade jag på SB Acoustics SB12MNRX 25-4 som mellanregister som jag kunde köpa för halva priset jämfört med SS F10 från Falcon Acoustics i England.

Baselementet blev också ändrat i sista stund. Eftersom jag ville ha en smal låda så passade ju L16RNX från Seas perfekt.

Dom gamla lådorna från 2,5-vägsförsöket byggdes om till provlådor.

Som ni ser har jag placerat baselementet i nedre delen av lådan. Avsikten är dra nytta av den verkningsgradsökning som närhet till reflekterande ytor utgör.
Vb för basdelen är ca 17 liter och Fb=32 Hz. Detta ger enligt mina mätningar ett F3 på ca 37 Hz och F6 ca 32Hz.
Mellanregistrets lådvolym är ca 4,4 liter, dämpad med ca 60g Acusto Q motsvarande densitet 13. Fc ca100 Hz.
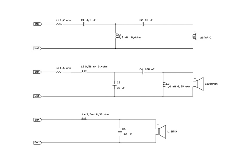
Efter mycket mätande och provande med olika komponentvärden och lyssnande när kurvorna började se anständiga ut har jag kommit fram till följande filter.

Jag försöker göra filtren så enkla som möjligt eftersom jag inte har den rätta kompetensen för filterkonstruerande. Delningsfrekvenserna blev 220 Hz mellan bas och mellanregister och 2,5kHz mellan diskant och mellanregister. Mäter så här.


Impedanskurvan ser ut så här.

Lite låg imp. 3 ohm omkring 120 Hz. Men den förstärkare jag använder verkar klara detta bra.
Hela högtalaren mäter så här. Mätt med två parallellkopplade mikrofoner en mitt i mellan diskant och mellanregister och den andra mitt i mellan baselement och basreflexport. Båda med 17cm avstånd från baffeln.

Högt är vid denna mätning fritt placerad från väggar.
Har nu även hunnit lyssna en hel del på denna högtalare och den låter faktiskt riktigt bra. Men den är nog inte riktigt färdig ännu. Fler mätningar kommer att presenteras. Tar tacksamt emot kommentarer och synpunkter så här långt.


