Skumt resultat av bias-mätning Philips FA-931

Hur funkar tekniken bakom bra hifi?

Moderator: Redaktörer

Alfacruizer
 
Inlägg: 130
Blev medlem: 2015-12-26
Ort: Stockholm

Skumt resultat av bias-mätning Philips FA-931

Inläggav Alfacruizer » 2017-05-15 19:45

Servicemanualen visar tydligt trimpot och var man mäter på kretskortet.
Proceduren lyder typ:
Kylfläns i rumstemp och apparaten i standby. Volymen på 0. Trimpot i "clockwize position".
(Ehhh så man bara kan vrida klockvis eller ??? Eller maxa klockvis, så man bara kan vrida mot klockan ?)
Slå på apparaten. Ställ in DC 35mV
Bägge kanalerna måste vara justerade inom 30 sekunder.

Udda procedur ?
Självklart började jag med DC voltmätaren i läge "200m". Fick "utanför mätområde".
I läge 2000m fick jag 518mV ! Lägsta jag fick ner den i är 498mV. Högsta testade jag inte.
Testat med och utan högtalare anslutna, ingen skillnad.

Fasen... jag skulle bara justera så bägge kanalerna låg lika efter omflödning av lödningar.
Den spelar ju och blir inte konstigt varm, men törs jag använda den ?

Skärmklipp.PNG
Skärmklipp.PNG (480.87 KiB) Visad 2157 gånger

Skärmklipp2.PNG
Skärmklipp2.PNG (1.03 MiB) Visad 2157 gånger

Användarvisningsbild
Svante
Audiot!
 
Inlägg: 37552
Blev medlem: 2004-03-03
Ort: oakustisk

Re: Skumt resultat av bias-mätning Philips FA-931

Inläggav Svante » 2017-05-15 23:57

Det låter som att du började med poten i fel ändläge. Minskar spänningen om du vrider lite på potten? Om den minskar så började du nog i fel läge.

(Sagt utan att känna till apparaten)

Kan du visa ett större urklipp av kretskortslayouten så kan man kanske förstå hur schemat ser ut och hur potten ska vridas.
Så länge har jag längat efter att loudness war skulle vara över. Nu börjar jag tro att vi faktiskt är där. Kruxet är att vi förlorade.

Alfacruizer
 
Inlägg: 130
Blev medlem: 2015-12-26
Ort: Stockholm

Re: Skumt resultat av bias-mätning Philips FA-931

Inläggav Alfacruizer » 2017-05-16 00:38

Hoppas jag inte tog för mycket. Nu får stärkaren stå till imorrn så får jag se hur mycket spänningen sjunkit, sen testa om jag fattat proceduren fel... jag har stängt av den i standby-läge. Kommer låta den vara kvar där även efter jag tryckt igång på powerknappen, så standby-lampan tänds enbart alltså.
Man kanske har 30 sekunder innan kondingar laddats upp, inte vet jag he he... denna drar 20 watt i standby-läge.

Skärmklipp3.PNG
Skärmklipp3.PNG (541.93 KiB) Visad 2113 gånger

Alfacruizer
 
Inlägg: 130
Blev medlem: 2015-12-26
Ort: Stockholm

Re: Skumt resultat av bias-mätning Philips FA-931

Inläggav Alfacruizer » 2017-05-16 14:21

Nu har den stått över 14 timmar utan ström och jag får ca 85mV fortfarande över dioderna man ska mäta.
En liten påminnelse till de/oss som har rörstärkare där det handlar om helt andra (läs större) värden.

rolfzetterberg
primus scientiam vindemiam
 
Inlägg: 1460
Blev medlem: 2005-02-18

Re: Skumt resultat av bias-mätning Philips FA-931

Inläggav rolfzetterberg » 2017-05-16 19:36

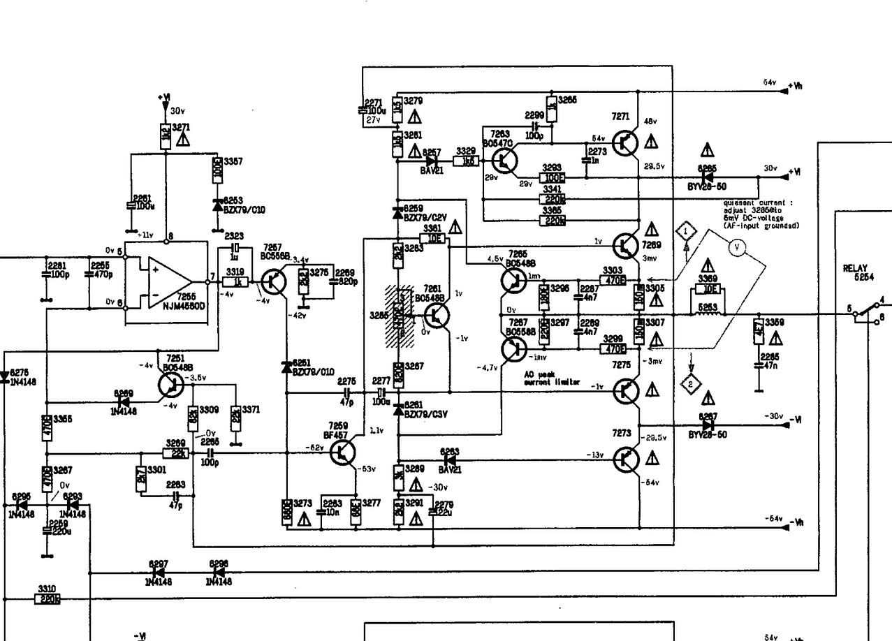
Det här är inget vanligt slutsteg.
Bilagor
philips FA931 output theory.jpg
philips FA931 output theory.jpg (16.57 KiB) Visad 2046 gånger
Philips FA931 output.jpg
Philips FA931 output.jpg (182.23 KiB) Visad 2046 gånger

rolfzetterberg
primus scientiam vindemiam
 
Inlägg: 1460
Blev medlem: 2005-02-18

Re: Skumt resultat av bias-mätning Philips FA-931

Inläggav rolfzetterberg » 2017-05-16 20:35

Lillebror FA930 verkar mera begriplig.
Bilagor
philips FA930.jpg
philips FA930.jpg (155.02 KiB) Visad 2033 gånger

Användarvisningsbild
Svante
Audiot!
 
Inlägg: 37552
Blev medlem: 2004-03-03
Ort: oakustisk

Re: Skumt resultat av bias-mätning Philips FA-931

Inläggav Svante » 2017-05-16 22:13

Hmm, ja fullt medurs verkar ju vara så stor resistans som möjligt och så stor tomgångsström som möjligt. Det verkar smarare att börja vridet så långt moturs som det går, eller?

Konstigt att mäta tomgångsströmmen över en diod, man kunde ju mäta de 8 millivolten i stället.
Så länge har jag längat efter att loudness war skulle vara över. Nu börjar jag tro att vi faktiskt är där. Kruxet är att vi förlorade.

rolfzetterberg
primus scientiam vindemiam
 
Inlägg: 1460
Blev medlem: 2005-02-18

Re: Skumt resultat av bias-mätning Philips FA-931

Inläggav rolfzetterberg » 2017-05-16 22:40

FA931:
Om man håller sig till den del som normalt används,så ska det tydligen vara en tomgångsström på 35 mA genom emittermotstånden.Förstärkaren går då med bara två sluttrissor inkopplade och de får sin ström genom dioderna från +- 30.7 volt.
Men då en starkare puls kommer in kopplas de två yttre trissorna in (+- 55 volt) och dioderna spärras bakvägen mot den lägre spänningen.

Tydligen bara felritat och man kan som vanligt mäta över emittermotstånden.

Användarvisningsbild
Svante
Audiot!
 
Inlägg: 37552
Blev medlem: 2004-03-03
Ort: oakustisk

Re: Skumt resultat av bias-mätning Philips FA-931

Inläggav Svante » 2017-05-17 00:13

Väldigt konsekvent felritat då, i både schema och på kretskort, och i tabellen där det står 35 milliVOLT. Men å andra sidan är ju 35 mA*0,22 ohm=7,7 mV ~ 8 mV så det verkar ju som det du säger stämmer.
Så länge har jag längat efter att loudness war skulle vara över. Nu börjar jag tro att vi faktiskt är där. Kruxet är att vi förlorade.

Alfacruizer
 
Inlägg: 130
Blev medlem: 2015-12-26
Ort: Stockholm

Re: Skumt resultat av bias-mätning Philips FA-931

Inläggav Alfacruizer » 2017-05-17 03:37

Tack bägge ! :)
Kikade in pga lite insomna och har kollat mer på lillebror 930. Den har också XDA-grejen, så jag ska mäta på motstånden istället.
Ropade in 931 och sen även en 930 (för framtida reservdelar). Visste vid köp av 931:an att några lampor ej lös t ex...
Pga av strul när 931:an blev varm så är det lillebror jag spelat med, men rengjort där jag kom åt och flödat om en del lödningar nu på 931:an.
Två byglingar var gjorda med korta bitar naken flertrådig kabel och ena saknade lod på typ hälften, som exempel jag tyckte såg suspekt ut.
Trissorna löddes om fast de såg ok ut och sen dess sköter sig 931:an :)
Trimpotarna var väldigt olika ställda, ena kanalen lite högre, därför vill jag mäta och ev justera. Även om jag fick konstiga värden efter omlödningen, så ska potarna stå nästan lika för att visa samma värde nu i alla fall.
Funderar på om det är en dålig kontakt från fabrik och kompenserat med ena poten... krymper kontaktytan, ökar väl amperen pga högre motstånd (?)
Ja ja... Tack igen.

Alfacruizer
 
Inlägg: 130
Blev medlem: 2015-12-26
Ort: Stockholm

Re: Skumt resultat av bias-mätning Philips FA-931

Inläggav Alfacruizer » 2017-05-17 05:13

Efter misslyckat försök att somna om, så justerade jag stärkaren till 8mV över emittormotstånden.
Det gick mycket bättre :) Fast får poppa lite senare he he ;)

rolfzetterberg
primus scientiam vindemiam
 
Inlägg: 1460
Blev medlem: 2005-02-18

Re: Skumt resultat av bias-mätning Philips FA-931

Inläggav rolfzetterberg » 2017-05-17 10:33

Serien har en minsting som kallas FA910.Här är det också normalt .
Bilagor
Philips FA910 power.jpg
Philips FA910 power.jpg (55.65 KiB) Visad 1957 gånger

Användarvisningsbild
Rubbersmoke
 
Inlägg: 36
Blev medlem: 2013-11-11

Re: Skumt resultat av bias-mätning Philips FA-931

Inläggav Rubbersmoke » 2018-09-15 10:12

Hej!
Jag har totalt kört fast i biasing och ofsett mätning av min 22AH380!
Jag har bytt alla transistorer till nya original i den trasiga sidan av förstärkaren, Och bytt alla kondingar på korten till Elna Silmic.
Kan någon vara snäll och hjälpa mig lite? Chemat i servicemanualen har otydlig upplysning av mätpunkternqa!
Jag lägger in uppgifterna som jag lade ut på nätet men fick inget svar på!
Kan någon hjälpa mig så är lyckan gjord! :D

I am about to set the quiescent current at my 22AH380. But where are the measurement points 1-2-3-4 on the amplifier card? Can you help me write down how to adjust the quiescent current and the offset? I have changed all transistors to new originals on the right side, And all the capacitors throughout the amplifier!I have to adjust the measuring points 1 and 2 with resp r646a and 646b at 0 volt without load of the output stages and without signal control. maximum deviation up or down of 10 millivolts and points 3 and 4 with r647a and 647b at 20 millivolts with a maximum deviation of 2 millivolts? What about to use the upper end of R643 a and b as measuring point? Is this the best way to do?
I think this service manual is wrong https://www.vintageshifi.com/repertoire ... Manual.pdf! 1 and 2 are not the measurement points for the quiescent current, Or what meant those who did the service manual ? What measuring points had you do used as measuring points? What about using the upper end of R643 a and b if you look at the printed circuit board, On page CS 64 791 of the service manual, As measuring points?
Am I out on the wrong road or? It was many years since I made such a setting and I need some help!Best regards!


Återgå till Teknikforum


Vilka är online

Användare som besöker denna kategori: Inga registrerade användare och 7 gäster