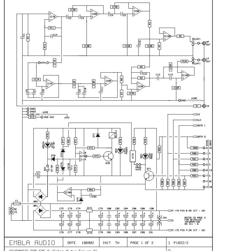
Här är schema. Vilka komponter är det jag bör inrikta mig på om jag vill kolla det?
edit: det verkar onekligen som att filtret ligger en faktor 20 över de frekvenser som programmet säger. dvs programmerar jag filtret för delning vid 50hz så verkar den dela vid 1000hz
edit2: så vitt jag kan se är det bara kondensatorerna c2-c11 som avviker. de ska vara 100nF men på kondensatorerna står det 4700/63
