Moderator: Redaktörer
Tangband skrev:B/W 802 har tillsammans med en del andra högtalare en fristående diskant utan baffel. Vad är det för vits med det egentligen, är baffeln ett stort problem vad gäller utstrålningen från en diskant att det är fördelaktigt att ha den separat ?
Kan det inte istället bli baffelstegs problem för själva diskantområdet ?
Handlar det om sales-points ?
( jag tycker f.ö. om ljudet från denna högtalare )
Nattlorden skrev:Om man vill tidskorrigera enheterna med avseende på ljudvågens utbredning, så är djupledsförskjutning ett sätt att göra det. Att göra det med fasvridning kan bli svårare att ro hem - det kanske inte passar så bra med delningsfiltret i övrigt t.ex.
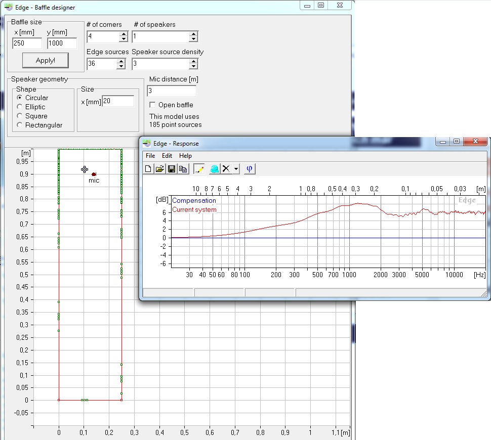
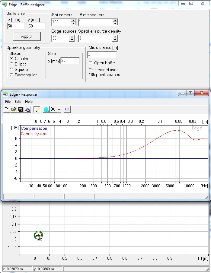
Kraniet skrev:Med en mindre baffel så skjuts diffraktionerna uppåt i frekvens.
En rund baffel är det sämsta eftersom difraktionen sker vid samma frekvens och då blir mer betonad.
Det går ju se i mätningar av B&Ws högtalare att frekvensgången i diskanten inte är speciellt rak.
Finns ju en del som menar att det låter bättre ju mindre baffeln är. Men det beror nog på ifall det blir bra eller inte..

Nattlorden skrev:Favorit i repris
Nattlorden skrev:Favorit i repris
Kraniet skrev: Hur viktigt är det med symmetri?

darkg skrev:Asymmetri innebär inte minst att höger och vänster blir olika, en kostnad bland andra att väga in för tillverkarna.
Tangband skrev:darkg skrev:Asymmetri innebär inte minst att höger och vänster blir olika, en kostnad bland andra att väga in för tillverkarna.
Tekniskt sett så borde det ju bli bättre, allt annat lika. För en DIY:are kostar det inget extra att bygga in assymetri för diskanterna
Rille skrev:Asymetri kan innebära att vågfronten från diskanten (som kan vara lite "rundare") överensstämmer bättre med mellanregistrets vågfront (som kan vara lite planare..). Förslagsvis byggs då en höger och en vänster högtalare, och diskanten kan placeras till höger på vänster högtalare och vänster på höger högtalare. Ja vågfrontsfelet blir större utåt sidorna från högtalarna. Men vad är viktigast, direktljud eller sidoreflexerna?

dewpo skrev:Vad finns det egentligen för friståendediskanter att köpa jag hittar nästan inga?
Dessa är de enda jag finner.
https://www.ljudia.se/produkter/bil-bat/hogtalare/diskant-mid/visaton-cp-13
[ Bild ]
dewpo skrev:Vad finns det egentligen för friståendediskanter att köpa jag hittar nästan inga?

Kraniet skrev:Jag tänker att man använder en lämplig neodymndiskant och monterar den i ett lämpligt "kabinett".
http://seas.no/index.php?option=com_con ... Itemid=462
En tub liknande det som B6W är ju enkelt att tillverka om du har tillgång till en 3D-skrivare.
gopnik skrev:dewpo skrev:Vad finns det egentligen för friståendediskanter att köpa jag hittar nästan inga?
Ino har en fin liten en i T22oa.
[ Bild ]
Användare som besöker denna kategori: Inga registrerade användare och 16 gäster