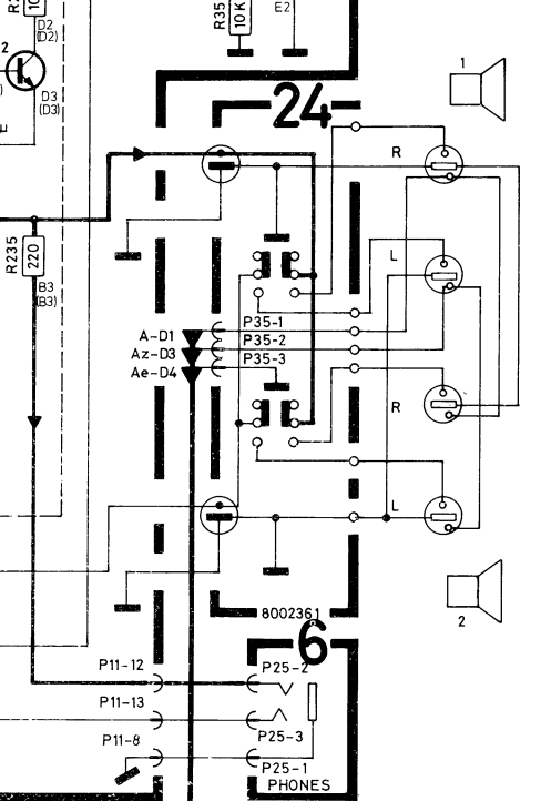
Jag håller på att renovera en Beocenter 7000 (en makalös manick!) och har sprungit på en konstruktion jag inte sett. De DIN-högtalarutgångar som sitter på apparaten har ett extra uttag. Hålet sitter INTE så att det går att vända på kontakten, som jag sett på en del andra apparater. Funktionen har där varit att kunna välja att koppla ur något eller inte, till exempel en intern högtalre. Men det gäller alltså inte i detta fall.
Så här ser schemat ut med den konstiga kontakten.
Någon gamling som sett denna och vet något?
PS. Jag HAR letat efter koderna dit sladdarna ska gå ("A-D1", etc), men schemat är gigantiskt och jag hittar dem inte...
