Hej!
Första posten på faktiskt.se, stötvis läst endel och lärt mig massor. Carlssonfascinerad sen tonåren då fadern plockade fram två gamla kuber för att kväsa funderingarna på hundratals watt och tramsiga proportioner på element för pojkrumsmöbleringen. Jag beundras över det stora engagemang kring Carlsson som fortfarande finns kvar och det stora kunnandet.
Long story short (den får komma i avsedd forumdel)
Jag har två stycken tills nyligen oöppnade OD-11. "Byt skumkanter" ropar säkert folk.. Nja, min far gjorde en annan lösning i mitten på 90-talet via rekommendation från den lokala radiohandlaren. Köpte nya element
"Monarch SPH-165" som byttes utan att öppna hela högtalaren. Forumet berättar lite om de elementen, i varierande ordalag. Inte särskilt positiva dock. De är i alla fall ganska fräscha och jag har för avsikt att använda dem. Likheter med SC165 finns kanske.. Fyll gärna i!
Felmonterade diskanter.. Skyller på lokale radiohandlaren.
För att få högtalarna spelbara igen har jag inhandlat OBI T22 diskanter och tja, trodde att det skulle räcka med en kompletterande 4,7uF kondensator men så var det inte när jag tänkte ett varv till..
Nytt filter får byggas och som jag sa, jag vill mest ha dem spelbara för närvarande för en liten peng, för att i framtiden e.v. komplettera med antingen B65oaIV eller mer troligt Satori-elementen som verkar väldigt trevliga, och dyra. Jag klarar mig f.n. utan tonbyglar. Vill mest ha dem spelbara då Orto-suget återkommit och orginal MT20 diskanter var kass. Ser det lite som en tribute till farsgubben..
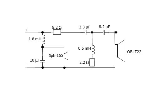
Genom lite läsning och fundering var detta något jag knåpade ihop på temat delningsfilter. Ligger jag hyffsat rätt eller kan någon kanske ge mig feedback i rätt riktning?
Tacksam för svar!


