Revox B780

Diskussion om äldre men fortfarande intressant HIFI hålls här.

Moderator: Redaktörer

jvg
 
Inlägg: 101
Blev medlem: 2012-08-20
Ort: Norra Värmland

Revox B780

Inläggav jvg » 2013-11-28 20:43

Hej hej,

Jag har en Revox B780 som jag tycker förtjänar en egen tråd här, faktiskt.
Bild
(inte min på bilden men likadan, som det brukar heta..)

Köpte den som defekt, felen är/var att belysningen i signalstyrkemätaren (i mitten) hade slocknat och vänstra kanalen spelar med lägre ljudvolym än den högra.
Om inget annat så vinner den första pris för flest skärmburkar.
Bild

Lampan inga större problem att fixa, förutom att tidigare ägare bytt lampa till en som inte riktigt passar och sedan tryckt i hållaren för kung och fosterland.
Lite aceton för att mjuka upp plasten behövdes för att få isär det hela.
Bild

Lampan har en vanlig T5 sockel (W2x4.6d), hittar några LEDs i närmsta biltillbehörsaffär.
Bild

Lyser som synes väldigt vitt och inte sådär gul/orange som det blir med glödlampa. Får se om jag byter till nåt annat senare.
Bild

Avslutar med en bild på innehåll utan skärmburkar.
Bild

Fortsättning följer... :)

/ Joakim
Senast redigerad av jvg 2014-05-13 20:35, redigerad totalt 1 gång.
[size=67]OM 2-50, 3-28, 4-70, OM61, OM71, Luxor 8071, OA-14
Pioneer SX-1250, Nikko NR-1415, NAD Model 200
Revox B710 MkII, Revox B780, Revox B790, Revox B77 (x2)
Dual CR 1780, Siemens RS 555
Sony STR V5[/size]

Användarvisningsbild
Zzombie
Semesterfirare
 
Inlägg: 1072
Blev medlem: 2007-02-26

Inläggav Zzombie » 2013-11-29 13:50

Läcker grej. Dreglade över en sådan när det begav sig men hade aldrig råd...

Användarvisningsbild
RogerGustavsson
 
Inlägg: 23920
Blev medlem: 2004-05-02
Ort: Huskvarna

Re: Revox B780

Inläggav RogerGustavsson » 2013-11-29 14:04

jvg skrev:Om inget annat så vinner den första pris för flest skärmburkar.


Även min gamla Yamaha CT-7000 har en massa skärmburkar.

Bild

Användarvisningsbild
PerStromgren
 
Inlägg: 28516
Blev medlem: 2005-03-25
Ort: Karlstad

Inläggav PerStromgren » 2013-11-29 15:54

Revox-apparaterna var härliga don, jag gillar dem verkligen! Jag vet inget om dess signalmässiga prestanda, men att använda dem är en ren glädje! Jag har förstås mest använt min egen A77:a, men färstärkarna och mottagarna är precis lika trevliga att använda.

Bild

De senare (som din B780) vet jag inget om, mer än att jag har fingrat på några.
... tycker jag!

Per

jvg
 
Inlägg: 101
Blev medlem: 2012-08-20
Ort: Norra Värmland

Inläggav jvg » 2013-11-29 19:21

Problemet som återstår och inte är löst än är såklart varför vänster kanal spelar med lägre volym.
Jag har konstaterat att felet inte ligger i slutsteget, ansluter jag pre-out till ett annat slutsteg, [s]eller använder hörlurar i phones-uttaget[/s] så är vänster kanal fortfarande svagare.
//EDIT (phones-uttaget är visst anslutet efter slutsteg så det säger inte så mycket).
Jag får inget skrap eller knaster i någon av rattarna eller switcharna, så det verkar inte vara kontaktspray som behövs.

Då återstår försteg, filter eller tonkontroll (tre olika kretskort), eller möjligen ännu tidigare i kedjan.
På försteget sitter ett relä precis före utgången, det verkar vara en möjlig orsak om man Googlar runt lite och läser vad andra skrivit.
<img src="http://i843.photobucket.com/albums/zz353/joakim_v/pre-amp_zps2be01db4.png" border="0"/>

Jag har mätt upp +/-15V till försteget/filter/tonkontroll (allt var ihopkopplat när jag mätte) och -15V var ok, men +15 sjönk till lite drygt 13V när kontakten är inkopplad, med kontakten urkopplad är +15V helt ok. Osäker på om det är normalt eller inte.

Några andra idéer?
Senast redigerad av jvg 2013-11-29 21:37, redigerad totalt 1 gång.
[size=67]OM 2-50, 3-28, 4-70, OM61, OM71, Luxor 8071, OA-14
Pioneer SX-1250, Nikko NR-1415, NAD Model 200
Revox B710 MkII, Revox B780, Revox B790, Revox B77 (x2)
Dual CR 1780, Siemens RS 555
Sony STR V5[/size]

jvg
 
Inlägg: 101
Blev medlem: 2012-08-20
Ort: Norra Värmland

Inläggav jvg » 2013-11-29 21:35

Börjar med relät, har redan plockat ut försteg-kortet sen tidigare.
<img src="http://i843.photobucket.com/albums/zz353/joakim_v/SDC12284_zps45d3287f.jpg" border="0" />

Plashuven var oväntat enkel att få av, en liten liten remsa med fint sandpapper dras mellan kontaktytorna (inringade).
<img src="http://i843.photobucket.com/albums/zz353/joakim_v/SDC12287_zps658c01f4.jpg" border="0"/>

Jackpot, det hjälpte :)
Båda kanalerna spelar nu lika.


Den är ändå hyfsat servicevänlig, både fronten och alla dess kretskort samt hela den bakre kylflänsen inklusive slutstegen går att skruva loss och liksom vika ner.
Fronten avskruvad:
<img src="http://i843.photobucket.com/albums/zz353/joakim_v/SDC12282_zpsafacde01.jpg" border="0"/>

Slutsteg avskruvade:
<img src="http://i843.photobucket.com/albums/zz353/joakim_v/SDC12288_zps61c90ff7.jpg" border="0"/>

/ Joakim
[size=67]OM 2-50, 3-28, 4-70, OM61, OM71, Luxor 8071, OA-14
Pioneer SX-1250, Nikko NR-1415, NAD Model 200
Revox B710 MkII, Revox B780, Revox B790, Revox B77 (x2)
Dual CR 1780, Siemens RS 555
Sony STR V5[/size]

Användarvisningsbild
KarlXII
Dussinmänniska
 
Inlägg: 28546
Blev medlem: 2007-02-17
Ort: Himlafiket

Inläggav KarlXII » 2013-11-29 21:55

Bild
T H E. G O O S E B U M P. F A C T O R

jvg
 
Inlägg: 101
Blev medlem: 2012-08-20
Ort: Norra Värmland

Inläggav jvg » 2013-11-29 22:07

Zzombie skrev:Läcker grej. Dreglade över en sådan när det begav sig men hade aldrig råd...


Kommer du ihåg vad prislappen då var?

/j
[size=67]OM 2-50, 3-28, 4-70, OM61, OM71, Luxor 8071, OA-14
Pioneer SX-1250, Nikko NR-1415, NAD Model 200
Revox B710 MkII, Revox B780, Revox B790, Revox B77 (x2)
Dual CR 1780, Siemens RS 555
Sony STR V5[/size]

rolfzetterberg
primus scientiam vindemiam
 
Inlägg: 1460
Blev medlem: 2005-02-18

Inläggav rolfzetterberg » 2013-11-29 23:17

Strömförsörjningen (78M15C/79M15C) borde inte svaja sådär.Det är ju 0,5 A regulatorer.
Eftersom du har en fungerande kanal så går det ju att jämföra spänningar mellan kanalerna.
Jag skulle jämföra spänningar speciellt runt de fyra "utgångskondensatorerna" C25,C21,C9,C19.Troligen ligger det några volt över kondingarna,men med olika polaritet relativt jord.

Lasse-
 
Inlägg: 2619
Blev medlem: 2008-01-15

Inläggav Lasse- » 2013-11-30 02:44

Hej skärmburkarna på rad ser ut som mellanfrekvens filter men jag
är osäker på det?

mvh Lasse-

Användarvisningsbild
MiaM
 
Inlägg: 804
Blev medlem: 2012-05-05

Inläggav MiaM » 2013-12-01 05:35

Nu är ju problemet redan löst så det är ingen idé att felsöka mer, men rent generellt så skulle jag nog bara helt enkelt ha provat att kortsluta "samma" punkt mellan båda kanalerna, till exempel mellan J5/3 och J5/5 (eller på samma signal vid balanspot'en) och lyssnat om monoljudet då hamnat "i mitten" eller inte. På vissa ställen bör man DC-mäta först så att det inte finns skillnader i arbetspunkt och man bör tänka sig för vad man gör, men i det här fallet borde man t.ex. också ha kunnat kortsluta mellan plussidan på C6 och plussidan på C15. En annan punkt man skulle kunna prova en sådan "kortslutning" på är på Tone Defeat-omkopplaren.

P.S. det är verkligen en läckert designad modellserie, men det är också klart uppenbart att den riktar sig till de som har särdeles stort hus...

rolfzetterberg
primus scientiam vindemiam
 
Inlägg: 1460
Blev medlem: 2005-02-18

Inläggav rolfzetterberg » 2013-12-01 10:12

Om det är 13V i st f 15V så är det något som inte är riktigt bra.Då finns det ingen stabilisering.
Att båda låter lika är väl bra i sig,men det kan det göra då stegen är designade för att ha likspänning på utgången och denna kan då variera lite utan att ställa till det alltför mycket.Men den ska inte variera hur mycket som helst.
En annan möjlighet är att koppla bort en kanal eller ett steg i taget och se vad som händer med 15V,men det är lite knepigare.
Någon som vet varför det finns en extra "brumborttagare" Q2 bara på plussidan,men inte på minussidan?Ger ju också en liten fördröjning,men ändå?

Revoxen är värd lite extra uppmärksamhet,tycker jag.

jvg
 
Inlägg: 101
Blev medlem: 2012-08-20
Ort: Norra Värmland

Inläggav jvg » 2013-12-01 13:13

Tack för alla svar, jag ska gräva vidare angående +15V.

rolfzetterberg skrev:Att båda låter lika är väl bra i sig,men det kan det göra då stegen är designade för att ha likspänning på utgången och denna kan då variera lite utan att ställa till det alltför mycket.Men den ska inte variera hur mycket som helst.


Kan du utveckla lite vad du menar med detta?
[size=67]OM 2-50, 3-28, 4-70, OM61, OM71, Luxor 8071, OA-14
Pioneer SX-1250, Nikko NR-1415, NAD Model 200
Revox B710 MkII, Revox B780, Revox B790, Revox B77 (x2)
Dual CR 1780, Siemens RS 555
Sony STR V5[/size]

Användarvisningsbild
Zzombie
Semesterfirare
 
Inlägg: 1072
Blev medlem: 2007-02-26

Inläggav Zzombie » 2013-12-02 14:34

Kommer inte ihåg priset, tyvärr...men google är din vän.

rolfzetterberg
primus scientiam vindemiam
 
Inlägg: 1460
Blev medlem: 2005-02-18

Inläggav rolfzetterberg » 2013-12-04 13:20

Nu är jag tillbaka efter lite kabelbrott och annat strul.
Jo,om man tittar på schemat där jag rensat bort allt onödigt,så ser man att Q6 och Q8 är de två förstärkande stegen.
Q7 är en konstantströmsgenerator som ska ge ca 7mA genom sig själv och Q8.
Strömmen genom Q6 kan man få genom att det genom 15k ska flyta ström som motsvarar bas-emitter hos Q8 plus strömmen genom 47ohm,dvs drygt 1V, och den blir då ca 0,07mA.
Fortsätter man då att resonera så kan man beräkna spänningen på utgångskondingen.Bas-emitter Q6 plus spänningsfallet över 8,2k ger då ca 1V på 22uF.På det sättet är 22uF förspänd med DC.
I praktiken kan det förstås bli lite annorlunda värden,men de bör ligga i den här storleksordningen.




Bild

jvg
 
Inlägg: 101
Blev medlem: 2012-08-20
Ort: Norra Värmland

Inläggav jvg » 2013-12-05 21:47

Tack för det.

Grävde vidare angående +15V och kom på att jag gjorde en miss senast jag mätte.

Med kontakten till försteg utdragen så mätte jag +15V direkt på kontaktstiftet, allt väl så långt.
Men med kontakten i kortet kommer jag inte åt att mäta på den längre (sitter en plåt under kortet så undersidan är inte åtkomlig när det är monterat), så då mätte jag en bit in på kortet och det var då jag fick fram drygt +13V.

Men det sitter ju alltså komponenter däremellan, så kollektor på Q2 har ca 15,3V och emitter ca 13,3V (Q2 är en BD135, inte 139).
Det är med andra ord inget fel på 15 volten, den är inte nedlastad.
<img src="http://i843.photobucket.com/albums/zz353/joakim_v/pre-amp_15v_zps04e9c8a9.png" border="0"/>

Provade att byta C6 (som är en tantalyt) till en något större (enda jag hade just då) vanlig elektrolyt, fick upp spänningen till ca 14V.
Normalt eller inte?

Har spelat med den ett par kvällar nu och är mycket nöjd :D
<img src="http://i843.photobucket.com/albums/zz353/joakim_v/SDC12298_zps047e29c7.jpg" border="0"/>

/ Joakim
[size=67]OM 2-50, 3-28, 4-70, OM61, OM71, Luxor 8071, OA-14
Pioneer SX-1250, Nikko NR-1415, NAD Model 200
Revox B710 MkII, Revox B780, Revox B790, Revox B77 (x2)
Dual CR 1780, Siemens RS 555
Sony STR V5[/size]

rolfzetterberg
primus scientiam vindemiam
 
Inlägg: 1460
Blev medlem: 2005-02-18

Inläggav rolfzetterberg » 2013-12-06 00:32

Aha,då stämmer det bättre.En "capacitance multiplier"behöver kanske några volt kollektor-emitter för att fungera och ta bort rippel.Det skulle inte gå så bra om transistorn vore helt bottnad-då skulle ju bara allt brum och rippel läcka rakt igenom.
Verkan av en sån här är ganska bra-man får verkan av en "konding" som motsvarar 22uFxströmförstärkningen och dessutom en lite bättre vågform på ripplet.
BD135,137 och 139 är samma familj.
Det spelar ingen roll egentligen om spänningen inte är så exakt,då alla stegen drar i stort sett konstant ström.Förförstärkare brukar göra det.
Jag tror att du kan lämna allt som det är.

Jag skulle bara vilja ha ett svar på varför det sitter en bara på plussidan?

jvg
 
Inlägg: 101
Blev medlem: 2012-08-20
Ort: Norra Värmland

Inläggav jvg » 2014-02-08 13:24

jvg skrev:Börjar med relät, har redan plockat ut försteg-kortet sen tidigare.
<img src="http://i843.photobucket.com/albums/zz353/joakim_v/SDC12284_zps45d3287f.jpg" border="0" />

Jackpot, det hjälpte :)
Båda kanalerna spelar nu lika.


Nåväl, mitt relä-fix fungerade inte mer än nån vecka eller så, vänster kanal började bråka igen.

För att helt utesluta reläet måste det bytas ut.
AZ7-4C-24D (som sitter i) och alternativet NF4EB-24V har slutat tillverkas.
Finns diverse "new old stock" på eBay och chansade på ett från Hong Kong, det var allt annat än nytt.
Snarare gammalt och defekt, fick dock tillbaka pengarna från säljaren för det.
<img src="http://i843.photobucket.com/albums/zz353/joakim_v/SDC12330_zps72f6b0df.jpg" border="0" width="800" />

Alternativ 2, att köpa ett ersättningsrelä från revox-online.
<img src="http://www.revox-online.de/ebay/nfeb/nfeb_54.jpg" border="0" />
Problemet med revox-online är att de vägrar skicka med något annat än DHL, så ett 50grams relä för 14,90euro kostar 19euro i frakt.
Av ren princip vägrar jag betala det.

Jag menar, hur svårt kan det vara att göra ett eget adapter-mönsterkort från ett dubbelt DPDT relä till två stycken standard DPDT reläer?
Inte så svårt visar det sig, några veckor senare har jag tre stycken hemma med hjälp av DipTrace och oshpark.com.

<img src="http://i843.photobucket.com/albums/zz353/joakim_v/SDC12389_zps0972f9ee.jpg" border="0" width="800"/>

<img src="http://i843.photobucket.com/albums/zz353/joakim_v/SDC12394_zpse33f0b88.jpg" border="0" width="800"/>

<img src="http://i843.photobucket.com/albums/zz353/joakim_v/SDC12396_zps7a2a6099.jpg" border="0" width="800"/>

<img src="http://i843.photobucket.com/albums/zz353/joakim_v/SDC12400_zps4d4fbdbd.jpg" border="0" width="800"/>

Har bara använt det ett par dagar ännu, men inga problem hittills.
:)

Så slutsumman för mitt eget ersättningsrelä blev:
49kr för tre mönster kort (49kr/3) och 115kr för tio G5V-2 relän (115kr/10) = 28kr

/Joakim
[size=67]OM 2-50, 3-28, 4-70, OM61, OM71, Luxor 8071, OA-14
Pioneer SX-1250, Nikko NR-1415, NAD Model 200
Revox B710 MkII, Revox B780, Revox B790, Revox B77 (x2)
Dual CR 1780, Siemens RS 555
Sony STR V5[/size]

jvg
 
Inlägg: 101
Blev medlem: 2012-08-20
Ort: Norra Värmland

Re: Revox B780

Inläggav jvg » 2014-05-13 21:19

Har någon använt en B780?
Blir inte klok på inkoppling av en (rull)bandspelare, min bandspelar-erfarenhet är högst begränsad..

OUTPUT från Bandspelare till TAPE1 IN på Receiver.
TAPE1 OUT från Receiver till TAPE/AUX IN på Bandspelare.

Så långt inga konstigheter (tror jag?).

B780 är ju lite digital så man kan välja vilken ljudkälla som ska skickas vidare till TAPE1 och TAPE2 OUT.
Så jag trycker på Record Output SET och väljer att skicka vidare AUX (3) till TAPE1/2 OUT (det står då 3 under RECORD i displayen).
Bild
Fortfarande inga problem.
Ställer jag Monitor-väljaren på bandspelaren på INPUT så har jag signal dit, VU-mätarna rör på sig.

Påbörjar inspelning på bandspelare och det fungerar bra.

Här kommer då mitt dilemma, jag vill ju kunna växla mellan INPUT och TAPE på bandspelaren, och höra eventuell skillnad.
Men det verkar inte gå att göra så, allt jag hör från Receivern är det jag skickar in på AUX-ingången, det finns inget sätt att i realtid lyssna av det som skickas från bandspelaren, ingen monitor funktion.. eller?
Oavsett om jag växlar mellan alla inputs så är det bara AUX-in jag hör, utom när jag ställer den på TAPE1, då blir det nån sorts rundgång och låter inte alls nyttigt.

Är det så att jag måste använda TAPE 2 som monitor, går det inte att använda TAPE1 IN och OUT samtidigt?
Så TAPE1 OUT till bandspelare och OUTPUT från bandspelare till TAPE2 IN på receiver?
TAPE2 IN/OUT är 5-pin dinkontakt, vilket jag inte har någon hemma för att testa med just nu.

Utdrag från manualen, det enda som står om inspelning:
Bild

/j
[size=67]OM 2-50, 3-28, 4-70, OM61, OM71, Luxor 8071, OA-14
Pioneer SX-1250, Nikko NR-1415, NAD Model 200
Revox B710 MkII, Revox B780, Revox B790, Revox B77 (x2)
Dual CR 1780, Siemens RS 555
Sony STR V5[/size]

Användarvisningsbild
MiaM
 
Inlägg: 804
Blev medlem: 2012-05-05

Re: Revox B780

Inläggav MiaM » 2014-05-18 01:15

Enligt manualen så ska det ju inte ens kunna uppstå rundgång, och som jag tolkar bilden så borde båda tapeanslutningarna vara likvärdiga.

Blir rundgången en ekoeffekt ifall bandspelaren spelar in och är ställd på att skicka ut ljud från band?

Visar displayerna på förstärkaren hela tiden det förväntade, d.v.s. är det alltid record-indikeringen som påverkas av record-valet och "input"-indikeringen som annars påverkas?

Blir det rätt om du t.ex. väljer record från aux och att lyssna på tuner eller vice versa? (Om du inte har hörlurar eller liknande på bandspelaren så borde du åtminstone kunna se på vu-metrarna vilket ljud som går till bandspelaren, eller i värsta fall faktiskt spela in och sen backa och provlyssna bandet).

jvg
 
Inlägg: 101
Blev medlem: 2012-08-20
Ort: Norra Värmland

Re: Revox B780

Inläggav jvg » 2014-05-18 10:05

MiaM skrev:Enligt manualen så ska det ju inte ens kunna uppstå rundgång, och som jag tolkar bilden så borde båda tapeanslutningarna vara likvärdiga.

Blir rundgången en ekoeffekt ifall bandspelaren spelar in och är ställd på att skicka ut ljud från band?

Ja, troligen.
Om jag ställer in förstärkaren så AUX skickas vidare till TAPE OUT och ställer TAPE IN som input, så hör jag båda samtidigt fast med en liten tidsskillnad.

MiaM skrev:Visar displayerna på förstärkaren hela tiden det förväntade, d.v.s. är det alltid record-indikeringen som påverkas av record-valet och "input"-indikeringen som annars påverkas?

Displayerna visar det jag förväntar mig, men jag hör inte det förväntade (tycker jag).

MiaM skrev:Blir det rätt om du t.ex. väljer record från aux och att lyssna på tuner eller vice versa? (Om du inte har hörlurar eller liknande på bandspelaren så borde du åtminstone kunna se på vu-metrarna vilket ljud som går till bandspelaren, eller i värsta fall faktiskt spela in och sen backa och provlyssna bandet).

Om jag skickar AUX till bandspelare och sedan väljer TUNER som input så hör jag båda samtidigt, vilket inte känns rätt.
Båda skickas dessutom till bandspelare (syns på VU-mätarna).

Kolla dessa videos:
Här kan man höra ekot som blir när jag väljer att lyssna på bandet samtidigt som jag spelar in.
http://youtu.be/deoHe70vBIs

Här har jag kopplat in radioantenn och skickar TUNER till TAPE OUT, samtidigt som jag har musik på AUX IN.
Jag hör båda samtidigt.
Varför den börjar tjuta när jag väljer TAPE1 vet jag inte.
http://youtu.be/WMvjcY9RHkY

Samma konfiguration som ovan, syns tydligt på VU-mätarna på bandspelaren att både TUNER och AUX skickas till den, borde inte vara så?
http://youtu.be/KGVw7Q7YZVc

Rimligtvis så borde jag inte höra den källa jag väljer att skicka vidare till TAPE1/2 OUT, utan det enda som ska höras är det jag väljer som INPUT.
Det borde vara omöjligt att lyssna på två olika ljudkällor samtidigt?

/j
[size=67]OM 2-50, 3-28, 4-70, OM61, OM71, Luxor 8071, OA-14
Pioneer SX-1250, Nikko NR-1415, NAD Model 200
Revox B710 MkII, Revox B780, Revox B790, Revox B77 (x2)
Dual CR 1780, Siemens RS 555
Sony STR V5[/size]

Användarvisningsbild
PerStromgren
 
Inlägg: 28516
Blev medlem: 2005-03-25
Ort: Karlstad

Re: Revox B780

Inläggav PerStromgren » 2014-05-18 15:57

Monitorfunktionen finns i förstärkaren. Ställ bandspelaren så att signalen efter band går till förstärkaren. Då kan du växla mellan knapp 3 och knapp 5 för att höra skillnaden.
... tycker jag!

Per

jvg
 
Inlägg: 101
Blev medlem: 2012-08-20
Ort: Norra Värmland

Re: Revox B780

Inläggav jvg » 2014-05-18 17:00

PerStromgren skrev:Monitorfunktionen finns i förstärkaren. Ställ bandspelaren så att signalen efter band går till förstärkaren. Då kan du växla mellan knapp 3 och knapp 5 för att höra skillnaden.


Fast det är det jag inte kan.
Jag vet inte hur jag ska förklara mer..

Utan att blanda in någon inspelning, för att göra det så enkelt som möjligt:
    Jag spelar upp musik från bandspelaren in på TAPE1 på förstärkaren (detta för att simulera monitor-lyssning vid inspelning).
    Jag spelar upp musik på AUX IN på förstärkaren (det som jag normalt skulle spela in).

Jag sätter nu AUX IN till TAPE OUT, och väljer TAPE1 som INPUT.

Vad ska hända då?
Ska jag höra AUX IN eller TAPE1?

Jag hör båda samtidigt.
Se här: http://youtu.be/xX20XI5zSzQ

/j
[size=67]OM 2-50, 3-28, 4-70, OM61, OM71, Luxor 8071, OA-14
Pioneer SX-1250, Nikko NR-1415, NAD Model 200
Revox B710 MkII, Revox B780, Revox B790, Revox B77 (x2)
Dual CR 1780, Siemens RS 555
Sony STR V5[/size]

Användarvisningsbild
PerStromgren
 
Inlägg: 28516
Blev medlem: 2005-03-25
Ort: Karlstad

Re: Revox B780

Inläggav PerStromgren » 2014-05-18 17:08

Då är något "trasigt". Du ska bara höra bandet när du gör så. Hur låter det i bandspelarens hörlursutgång, båda även där?
... tycker jag!

Per

jvg
 
Inlägg: 101
Blev medlem: 2012-08-20
Ort: Norra Värmland

Re: Revox B780

Inläggav jvg » 2014-05-18 17:53

PerStromgren skrev:Då är något "trasigt". Du ska bara höra bandet när du gör så. Hur låter det i bandspelarens hörlursutgång, båda även där?


Då är vi på samma spår, äntligen :-)
I hörlursuttaget på bandspelaren (monitor) låter det som förväntat, jag växlar mellan TAPE och INPUT utan problem.

Däremot upptäckte jag nu när jag lyssnade i lurarna (vilket jag inte tänkt på tidigare), förstärkaren skickar alltid ut något på TAPE OUT, även när jag stänger av den funktionen (RECORD OUPUT OFF).
Så med RECORD funktionen avstängd så hör jag ändå det som spelas upp på AUX i hörlursuttaget på bandspelaren, om jag har switchen på INPUT.

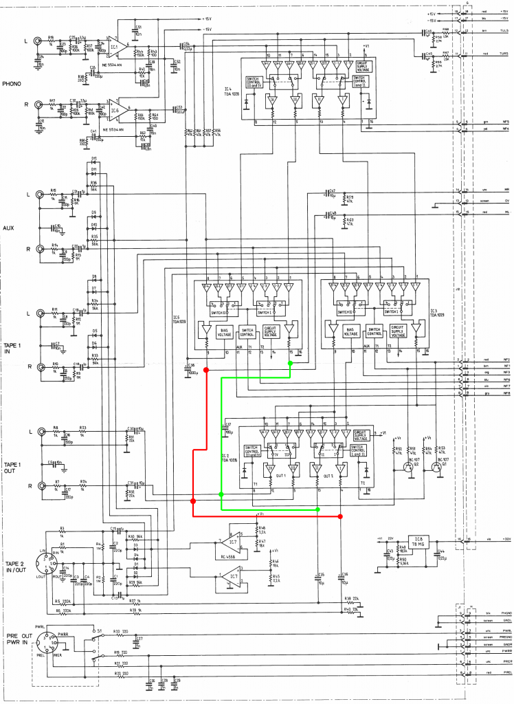
Det sitter ju ett antal switchar på ingångarna, två st TDA1028 och två TDA1029.
Jag har inte riktigt klurat ut hur alla sitter ihop och deras funktioner, men IC2 är iallafall den som ger signal till TAPE1/2 OUT och som i sin tur switchar av/på med Q1 & Q2.
Så jag får nog börja här nånstans..
b780_3.png
b780_3.png (188.75 KiB) Visad 4563 gånger


/j
[size=67]OM 2-50, 3-28, 4-70, OM61, OM71, Luxor 8071, OA-14
Pioneer SX-1250, Nikko NR-1415, NAD Model 200
Revox B710 MkII, Revox B780, Revox B790, Revox B77 (x2)
Dual CR 1780, Siemens RS 555
Sony STR V5[/size]

Användarvisningsbild
PerStromgren
 
Inlägg: 28516
Blev medlem: 2005-03-25
Ort: Karlstad

Re: Revox B780

Inläggav PerStromgren » 2014-05-18 18:18

Du är något på spåret, men jag är inte tillräckligt smart för att kunna följa schemat och lista ur var felet bör ligga. Någon av switchkretsarna är troligen kajko. Record out off bör absolut stänga av signalen till bandspelaren om inte alla mina hjärnceller har smultit.
... tycker jag!

Per

Användarvisningsbild
MiaM
 
Inlägg: 804
Blev medlem: 2012-05-05

Re: Revox B780

Inläggav MiaM » 2014-05-19 01:54

Mycket märkligt fel!

Jag är också helt övertygad om att något är fel.

IC4 i schemat innehåller två par omkopplare för att välja mellan tuner och phono, ena paret till record och andra för lyssningen. NF4 styr inspelningen och NF5 lyssningen.

IC3 torde stå för resten av inspelningsväljandet, NF1, 2 och 3 väljer.
IC5 sköter motsvarande för lyssningen, NF6, 7, 8 väljer. (D.v.s. dessa två väljer mellan IC4, AUX, TAPE1, TAPE2).

Här finns dessutom med allra största sannolikhet ett fel i schemat. Styrsignalen NF2 är korrekt dragen via R53 in till Q1, men det finns också en märklig länk över till ljudsignalen som går från pin 15 på IC3 vidare till pin 11 och 14 på IC2. Det ska knappast finnas någon koppling mellan NF2 och den ljudsignalen. Undrar vilka fler fel det kanske kan finnas på schemat?

IC2 sköter logiken som ska se till att om man väljer TAPE 1 för inspelning så blir det tyst ut till TAPE 1 REC OUT, och om man väljer TAPE 2 för inspelning så ska det bli tyst ut till TAPE 2 REC OUT.


Det är direkt märkligt att det över huvud taget fungerar på något sätt.


Databladet för TDA1028 säger att switchspänningen ska vara minst 3,3V för en korrekt "etta" och max 2,1V för en korrekt "nolla". Om det ligger nån slags mellannivå på spänningarna NF1...NF8 så kan det kanske ge konstig funktion. Samma spänningar anges i databladet för TDA1029.

TDA1029 ska ge 10,2-11,8V på Bias-utgången (pin 10).

Börja med att titta på kortet så att inte nån klåpare gjort nån ful-modifikation (t.ex. att någon inte förstått funktionen och därför kopplat ihop väljarna för inspelning och lyssning).

Om du inte hittar någon synlig "ombyggnad" så kan det kanske vara en idé att först mäta upp 22V DC-matningen, finns dels ut på regulatorn IC 8 och dels på omkopplingskretsarna (pin 9 på TDA1028 och pin 14 på TDA1029). Därefter kanske mäta bias-spänningen, 10,2-11,8V på pin 10 på TDA 1029. Om dessa verkar normala så kan det kanske vara läge att mäta så att NF1..8 har vettiga spänningsnivåer.

Men det verkar väl faktiskt som att någon byggt om kortet. Jag gissar på att någon kortslutit pin 9-9 mellan IC 3 och IC 5, samt pin 15 mellan IC 3 och IC 5, och också gjort något med IC 2 och/eller något annat med tape-utgångarna.

Men visst, en teoretiskt tänkbar händelse är att någon skickat in alldeles för stark signal/spänning på någon ingång så att det blivit kortslutning i själva switchfunktionen för den ingången på både IC3 och IC5, medan kretsarna i övrigt klarat sig. Fast det borde dioderna på ingångarna ihop med IC7 skydda mot. Om du inte hittar något annat fel vid felsökningen så skulle du kunna prova att lyssna (t.ex. med bandspelarens record-ingång) om det läcker något UT på förstärkarens ingångar (AUX, TAPE1, TAPE2. Phono går inte att prova på det sättet p.g.a. IC1/IC6).

P.S. du verkar redan ha schema o.s.v. men för den som inte har allt sånt så verkar det finnas på tillverkarens ftp-site, men observera att det är gigantiska filer. Kvaliteten är dock förträfflig, skriver man ut så får man nog i klass med att köra orginalmanualen i en bra kopieringsmaskin.

jvg
 
Inlägg: 101
Blev medlem: 2012-08-20
Ort: Norra Värmland

Re: Revox B780

Inläggav jvg » 2014-05-19 20:02

MiaM skrev:Mycket märkligt fel!
[8<]
Börja med att titta på kortet så att inte nån klåpare gjort nån ful-modifikation (t.ex. att någon inte förstått funktionen och därför kopplat ihop väljarna för inspelning och lyssning).


MiaM, du borde bli problemlösare på heltid (om du inte redan är det) :)

Vad skådar mitt norra öga på baksidan av kortet?
En ful-modifikation!
Bild

I ett tidigare liv har någon kopplat utgående signal till försteget, direkt till TAPE-utgångarna.
http://i843.photobucket.com/albums/zz353/joakim_v/b780_5_zps77d4134f.png
Kod: Markera allt
Röd kabel  Grön kabel
C35 +      C36 +
C30 -      C31 -
C47 +      C48 +


Varför?
Någon ville uppenbarligen har signal på TAPE OUT hela tiden, oavsett inställningar.

Tog bort kablarna och nu fungerar det exakt som förväntat.
Tack för hjälpen!

/j
[size=67]OM 2-50, 3-28, 4-70, OM61, OM71, Luxor 8071, OA-14
Pioneer SX-1250, Nikko NR-1415, NAD Model 200
Revox B710 MkII, Revox B780, Revox B790, Revox B77 (x2)
Dual CR 1780, Siemens RS 555
Sony STR V5[/size]

Användarvisningsbild
MiaM
 
Inlägg: 804
Blev medlem: 2012-05-05

Re: Revox B780

Inläggav MiaM » 2014-05-20 04:17

Oj! :D

Undrar om någon inte förstod hur stärkaren fungerar?

Men var det verkligen minussidan på C30/C31? I så fall dundrade det dessutom ut likspänning på ena tapeutgången!

Inte nog med fulmodifikationen i sig, de kunde väl åtminstone använt röd till höger och grön till vänster? :mrgreen:

Användarvisningsbild
data_foggen
 
Inlägg: 874
Blev medlem: 2006-08-18
Ort: os

Re: Revox B780

Inläggav data_foggen » 2014-05-20 15:07

Det finns ingen planet B.

Nästa

Återgå till Vintage-hifi


Vilka är online

Användare som besöker denna kategori: Inga registrerade användare och 12 gäster