Dynacord för hemmabruk

Diskussion om äldre men fortfarande intressant HIFI hålls här.

Moderator: Redaktörer

Eddie
 
Inlägg: 37
Blev medlem: 2007-10-07

Dynacord för hemmabruk

Inläggav Eddie » 2008-06-15 21:10

Har just köpt en integrerad förstärkare från tyska Dynacord. Modellen heter ST 14 men jag hittar ingenting om den på nätet. Jag har inte fått hem den ännu, bara sett den på bild.

Min kompis sa att den är byggd i samma sorts låda som Dynacord Eminent och skulle i så fall kunna vara från mitten av 60-talet.

Det är en rörförstärkare på 2x15 watt.

Någon som vet något?
/Eddie

Fritänkare

Eddie
 
Inlägg: 37
Blev medlem: 2007-10-07

Inläggav Eddie » 2008-06-15 22:36

Så här ser den ut. En skönhet tycker jag. Den fungerade när den förre ägaren ställde undan den (för 35 år sedan). Hoppas tidens tand varit snäll mot elektroniken.

Bild
/Eddie

Fritänkare

Eddie
 
Inlägg: 37
Blev medlem: 2007-10-07

Inläggav Eddie » 2008-06-16 07:01

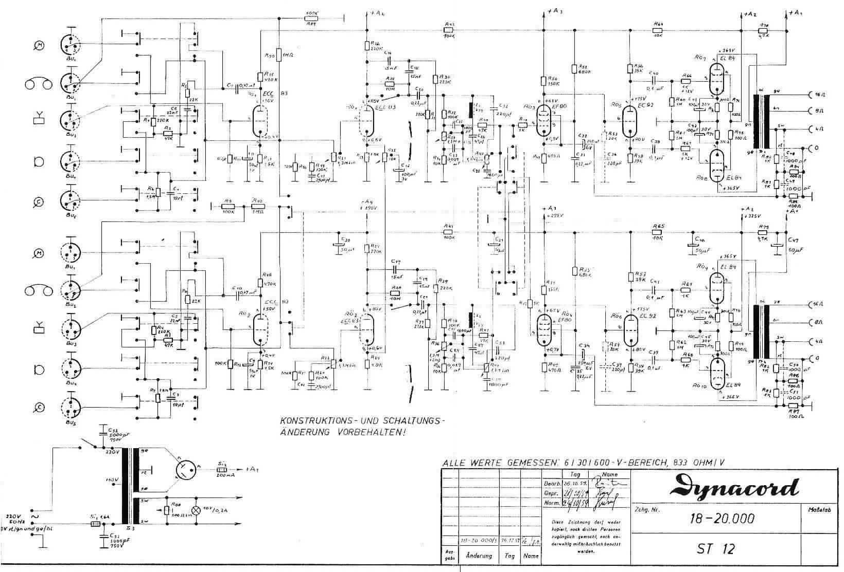
Jag skickade ett mail till en kille i Tyskland som faktiskt kunde svara på min fråga. Min förstärkare är uppföljaren av ST 12 i ett annat chassie. Inuti är de helt lika enligt killen i Tyskland.

http://www.el-me-se.de/pdf_files/ST12.pdf

ST 12 kom 1961 och ST 14, 1963.
/Eddie

Fritänkare

Användarvisningsbild
subsand
 
Inlägg: 886
Blev medlem: 2003-10-29
Ort: Landskrona

Inläggav subsand » 2008-06-16 10:10

Snygg! Hoppas den funkar.
Men är du monosnobb? eller blev du det när du hittade den där?
Hur gör man för att lyssna på mono? Får du välja mellan höger eller vänster kanal? Vad ska du använda för högtalare, Carlsson?

Användarvisningsbild
meanmachine
Don Placebo
 
Inlägg: 13118
Blev medlem: 2007-03-06
Ort: Trollskogen

Inläggav meanmachine » 2008-06-16 10:50

Jag har en The Bassking av Dynachord en rörhäck om du köper den av mig kan du köra stereo... :lol:
Numer egen företagare som handlar med beg hifi. Köper byter och säljer.

http://hifiguru.se
hifiguru@spray.se
https://www.facebook.com/HifigurunIVast ... ernorrland

Användarvisningsbild
PeterAkemark
 
Inlägg: 1967
Blev medlem: 2005-01-30
Ort: Dalarna

Inläggav PeterAkemark » 2008-06-16 13:29

meanmachine skrev:Jag har en The Bassking av Dynachord en rörhäck om du köper den av mig kan du köra stereo... :lol:


Jag hade två "BassKing" en gång in tiden, 2x50 W. Inte särskild låg distortion, men kul och stryktålig.

Eddie
 
Inlägg: 37
Blev medlem: 2007-10-07

Inläggav Eddie » 2008-06-17 21:52

Vad tusan säger ni? Är det mono? :oops:

Visste inte det men då får jag väl köra mono då. Den är ju designmässigt oöverträffad anser jag.

Hade tänkt använda Carlssonhögtalare och en Luxortuner.
/Eddie

Fritänkare

Användarvisningsbild
Stefan
 
Inlägg: 494
Blev medlem: 2003-07-24
Ort: Värmdö

Inläggav Stefan » 2008-06-17 22:34


Användarvisningsbild
phon
Mr. Magneto
 
Inlägg: 13030
Blev medlem: 2004-11-12
Ort: þiudangardi

Inläggav phon » 2008-06-17 23:43

Eddie skrev:Vad tusan säger ni? Är det mono? :oops:


Nej, stereo.
ⓘ De gustibus non est disputandum.

Användarvisningsbild
subsand
 
Inlägg: 886
Blev medlem: 2003-10-29
Ort: Landskrona

Inläggav subsand » 2008-06-17 23:59

phon skrev:
Eddie skrev:Vad tusan säger ni? Är det mono? :oops:


Nej, stereo.


Ursäkta röran det var jag som ställde till den. :oops:

Användarvisningsbild
Poppen
 
Inlägg: 733
Blev medlem: 2007-03-26
Ort: Hökarängen

Inläggav Poppen » 2008-06-18 15:05

Hur låter det ?

Eddie
 
Inlägg: 37
Blev medlem: 2007-10-07

Inläggav Eddie » 2008-06-18 22:50

Jag får den inte förrän 15 juli. :cry:
/Eddie

Fritänkare

Eddie
 
Inlägg: 37
Blev medlem: 2007-10-07

Inläggav Eddie » 2008-06-18 22:52

STEFAN!!!!!!

Tusen tack! Jag har verkligen letat på nätet!!!!
/Eddie

Fritänkare

Eddie
 
Inlägg: 37
Blev medlem: 2007-10-07

Inläggav Eddie » 2008-06-18 22:54

phon skrev:

Nej, stereo.


Phuuuuuu, skönt!
/Eddie

Fritänkare

Eddie
 
Inlägg: 37
Blev medlem: 2007-10-07

Inläggav Eddie » 2008-07-16 19:42

Fick förstärkaren idag.

Lägger upp några bilder på den dammiga interiören om någon är intresserad.

Vi har bytt fyra elektrolyter. Allt tycks därefter fungera utom on-off potten och ett av rören (EL84).

Vi var så ivriga att öppna den så jag hann inte ta bilder på den i sitt ihopmonterade skick förutom den ni sedan sett i början av tråden.

Bild

Bild

Bild

Bild

Bild

Bild
/Eddie

Fritänkare

Användarvisningsbild
lennartj
 
Inlägg: 6392
Blev medlem: 2007-10-03
Ort: Göteborg

Mono - MV17

Inläggav lennartj » 2008-07-19 01:43

subsand,
är du intresserad av mono så har jag en Dynacord MV17 som var helt oanvänd när jag fick den av min far i slutet av 1970-talet. Han hittade den på ett varuhus han blivit chef för, där den var tänkt att användas för annan muzak i restaurangen än i varuhuset, men det blev aldrig så.
Jag använde den några år för att driva ett RT3-horn, sedan ställde jag undan den. Givetvis har jag brux i original.
http://wegavision.pytalhost.com/jahrbuch1/Verst%E4rker/Dynacord%20MV17.jpg
Bild
Det är kanske på tiden att kolla hur den mår, gissningsvis är det 20 år sedan den var igång senast.

MV = Mono Verstärker ?

Eddie
 
Inlägg: 37
Blev medlem: 2007-10-07

Inläggav Eddie » 2008-07-20 00:10

Tack för erbjudandet lennartj, men nu har jag betydligt fler förstärkare än jag egentligen behöver.

Här kommer slutspurtern på min Dynacordhistoria:

Äntligen hemma igen och med en fungerande förstärkare till på köpet. Här är vad som hämtades hos en av våra goda grannar i Karlskoga.

Bild

Jag roade mig också med att ta lite fler bilder när huven var av.

Bild

Den uppmärksamme ser att det sitter en liten etikett på baksidan. Vad står det på den tro?

Bild

Ytterligare en detaljbild.

Bild

Vi bytte alla EL84:or men ett av de nya glödde oroväckande mycket. Vi satte tillbaka Telefunkenparet då istället. Efter byte av ett par säkringar och efter lite potgymnastik började det låta riktigt bra.

Bild

Bild

Trots att inte ni kan se det så spelar det för fullt här. Den röda lampan lyser så grannt så.

Bild

Nu har jag tagit hem förstärkaren till mig och behöver ha tag i lite DIN-kontakter. Sedan får nog detta bli hjärtat i min sovrumsanläggning. Pottar och tryckknappar ska motioneras.

Så blev det ett lyckligt slut på den sagan.
/Eddie

Fritänkare


Återgå till Vintage-hifi


Vilka är online

Användare som besöker denna kategori: Inga registrerade användare och 11 gäster