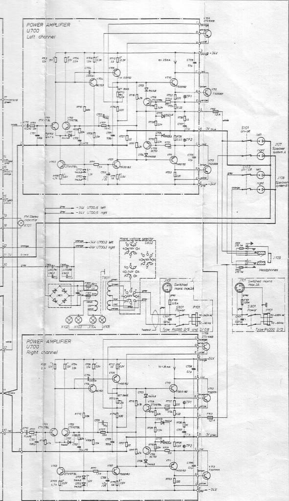
Kan någon av er hjälpa mig med kopplingsschema till den. På Carlssonplanet finns tydligen bara schema till serie 3.
Den fungerar fint, men ett schema vore kul...

Moderator: Redaktörer

Kjell_Kranzberg skrev:Jag har skaffat en sådan här. Den har lågt serienummer: 2171.
Kan någon av er hjälpa mig med kopplingsschema till den. På Carlssonplanet finns tydligen bara schema till serie 3.
Den fungerar fint, men ett schema vore kul...
Retroperra skrev:
Har du öppnat? I min satt schemat inklistrat i "locket".
Kjell_Kranzberg skrev:Tack!
Man har tydligen använt sig av olika effekttransistorer. I min sitter det TIP 33:or.
Rolf! (Eller någon annan...)
Vem i England tillverkade R 4000?
petersteindl skrev:Cambridge har jag för mig tillverkade elektronik åt Sonab. MvH
Peter
petersteindl skrev:Du hann svara före mitt inlägg, men Retroperra verkar ju vara utrustad
petersteindl skrev:Cambridge har jag för mig tillverkade elektronik åt Sonab.

rolfzetterberg skrev:Ferranti(England) är det namn som dyker upp i mitt huvud,Peter.Men det är ju samma sak.Sådana där ZTX-transistorer drällde det för övrigt av i Sonabs andra prylar,t.ex i deras professionella komradio.Typiskt för engelska konstruktioner att innehålla ZTX,även om svenskar var inblandade.Sällsynta annars enligt min erfarenhet(inte svenskarna utan transistorerna!)men det är väl ungefär som japanska prylar aldrig innehåller europeiska transistorer,utan bara deras egna.
Kjell_Kranzberg skrev:Jag har skaffat en sådan här. Den har lågt serienummer: 2171.
Kan någon av er hjälpa mig med kopplingsschema till den. På Carlssonplanet finns tydligen bara schema till serie 3.
Den fungerar fint, men ett schema vore kul...
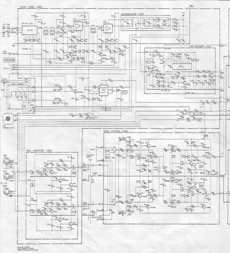
LillebrorX skrev:Vad har du för trissor i slutsteget? Är det BD245 är jag intresserad.
PeO
Användare som besöker denna kategori: Inga registrerade användare och 22 gäster