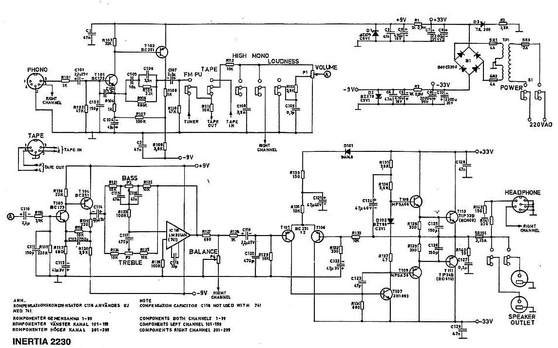
Söker kopplingsschema till Inertia 2235. Om någon har så vore det mycket tacksamt om en kopia kunde kladdas in nånstans. Mitt eget schema försvann i en flytt för många år sedan.
Brukade hotta upp dom med ny nätdel, starkare trissor och en konding brygga med totalt 20 stycken 2200 uF 40volt kondingar. Har ett par vrak som behöver lite kärlek.
Alla svar är bättre än inga svar
/Perfector
