Jag var inte så trött så jag lödde om chippet igen nu istället med exakt samma resultat, skräpförstärkaren spelar lika starkt som ett par hörlurar.
Det visar sig att bara för att A = B och B = C behöver inte A vara lika med C. (Ja jag vet att det är A=B och C=D i detta fall men det var inte uppenbart)
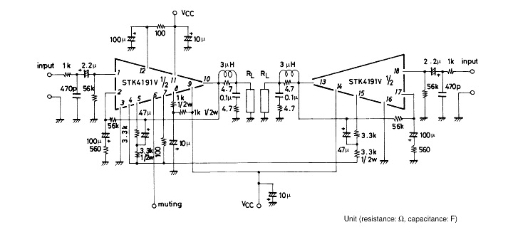
På nätet, mer specifikt på diyaudio.com och elektroda.pl (Google translate) har jag läst åtskilliga gånger att den enda skillnaden mellan serierna STK41x1II, STK4162II och STK4161V är THD spec, dvs de är utbytbara i en existerande förstärkare och man bör välja den bästa (V) serien.
Jag har också jämfört den i Sanyos PDF föreslagna "förstärkar-applikationen" för STK4161II och STK4162II sida vid sida, de är identiska, samma sak med STK4192II och STK4191V, identiska (eller nja, en liten skillnad vid utgångarna)
Jag borde också jämfört STK4162II och STK4192II, trots identisk pinout och samma serie gjorde Sanyo en förändring mitt i serien. STK4172II, STK4182II och STK4192II och sen hela STK41x1V serien har en liten ändrig i den föreslagna förstärkarkretsen jämfört med STK41x1II serien och STK41x2II serien upp till STK4162II.
Det massor av information "out there" som helt har missat detta, vilket jag så klart ockå gjorde.
Är detta orsaken till att mitt "fake chip" inte spelar högre än ett par hörlurar, skillnaden är 4 moststånd, 2,2Kohm mot 3,3kohm (och den lilla skillnaden vid utgångarna).
Jag har utan att ha funderat på saken alls (sent, nu trött) svårt att tro att denna skillnad skulle minska förstärkningen ~1000 gånger, chippens pinout är identisk och gjord för att passa på samma kretskort.
Hela STK41x1II serien och STK4102II till STK4162II, föreslagen "förstärkar-applikation" (den gamla modulen)
STK4172II, STK7182II, STK4192II samt hela STK41x1V serien, förslagen "förstärkar-applikation" (den nya modulen)
