Moderator: Redaktörer

Tekko skrev:Klarar LM3886 av att arbeta dckopplat i feedbackloopen utan att få en dc offset på flera volt ?
Tekko skrev:Verkar ju rimligt, jag brukar acceptera upp till ca 50mV i mina byggen.
Jag blev föresten mäkta imponerat när jag mätte dc offset på utgåpngen på en dckopplad stärk från 80'talet, den hade så låg dc offset att det stog 0.00 på min multimeter.
Flint skrev:n3mmr skrev:(man kan se att Tina kan visa parametriserade analyser som kurvskaror...)
Är kurvskarorna baserade på komponenternas toleranser?
Flint skrev:Det här går framåt.
Flint skrev:Det kan ha varit boxaren Bosse Högberg som recenserades.n3mmr skrev:Flint skrev:Det här går framåt.
Anita Lindblom sa, angående mäns underliv, att det går framåt på den punkten....
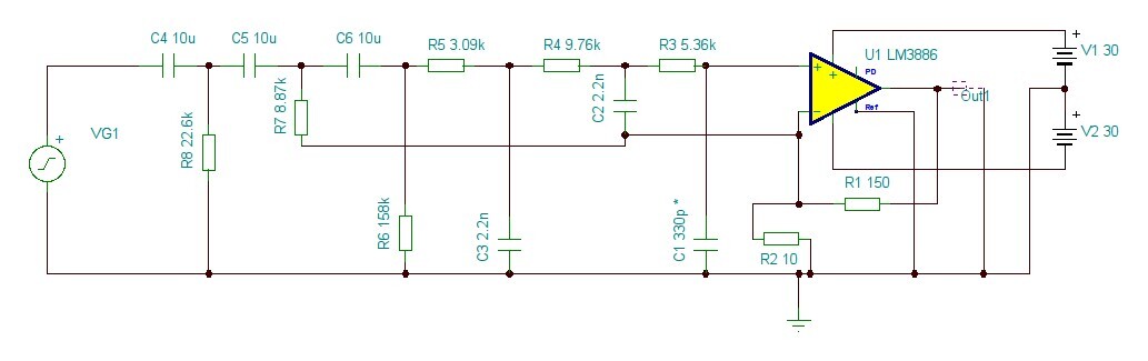
Flint skrev:n3mmr skrev:OBS att jag använde den Tina-spice för LM3886 som låg på TIs site i går kväll.
Den kanske inte är perfekt.
Kolla mutingfunktionen. Den var det problem med i min test, inverterad funktion. Och kretsens egen strömförbrukning.
n3mmr skrev:Dessutom: Tina var det hittills smidigaste jag haft att göra med, speciellt för oss som kör nån gång då och då och inte orkar lära om.
n3mmr skrev:Flint skrev:n3mmr skrev:OBS att jag använde den Tina-spice för LM3886 som låg på TIs site i går kväll.
Den kanske inte är perfekt.
Kolla mutingfunktionen. Den var det problem med i min test, inverterad funktion. Och kretsens egen strömförbrukning.
Den är ju INTE tyst, så det borde vara rätt.
n3mmr skrev:Jag hittade nyss att man verkar kunna testa en krets med en WAV-fil vilken som helst, och sen få resultatet på en annan wav-fil.
Lyssna på en simulerad krets. Yeah man!
Användare som besöker denna kategori: Majestic-12 [Bot] och 17 gäster