Rör-RIAA (Jax kliar sig i hövvet)

Hemmapulare debatterar lämpligen i detta forum.

Moderator: Redaktörer

Användarvisningsbild
Jax
Slacktivist/Admin
 
Inlägg: 7041
Blev medlem: 2003-12-12
Ort: ogonal

Rör-RIAA (Jax kliar sig i hövvet)

Inläggav Jax » 2006-02-19 18:33

Jag har börjat fundera 8O på en ny RIAA. Min gamla sitter ihop med försteget men jag vill vara lite mer oberoende. Den gamla har två trioder per kanal och det räcker egentligen om man inte vill driva en kabel. Vill man ha hyfsad förstärkning och samtidigt kunna driva en snok går det åt tre trioder.

Det finns en fördel med tre steg, RIAA-nätet blir så mycket enklare att fnula ut då man delar upp det i två delar. Nedan är funderingarna nertecknade och så småningom ska en prototyp byggas.
Bild

Gain c:a 50dB vid 1kHz med en last på 50kohm//200pF.
Uträknad avvikelse från RIAA-kurvan <0.1dB 20-20000Hz.


Morello kommer att protestera för att distortionen är för hög men det struntar jag i :mrgreen:
- Militant slacker

Användarvisningsbild
Svante
Audiot!
 
Inlägg: 37552
Blev medlem: 2004-03-03
Ort: oakustisk

Inläggav Svante » 2006-02-19 19:29

Ja, jag vet inte, men skulle vilja veta varför man inte gör så här...

Bild

Det borde kunna räcka, tycker jag, men jag vet ju inget om rör förstås. :oops:
Så länge har jag längat efter att loudness war skulle vara över. Nu börjar jag tro att vi faktiskt är där. Kruxet är att vi förlorade.

Användarvisningsbild
Jax
Slacktivist/Admin
 
Inlägg: 7041
Blev medlem: 2003-12-12
Ort: ogonal

Inläggav Jax » 2006-02-19 19:41

Visst kan man göra så men problemet är att du behöver två högförstärkande trioder för att få en någorlunda hyfsad loopförstärkning och sådana trioder är av nöden högimpediva, dvs utgångsimpedansen som ska driva både RIAA-nätet och efterföljande kabel/förstärkaringång blir hög.
- Militant slacker

Användarvisningsbild
Svante
Audiot!
 
Inlägg: 37552
Blev medlem: 2004-03-03
Ort: oakustisk

Inläggav Svante » 2006-02-19 19:53

Jax skrev:Visst kan man göra så men problemet är att du behöver två högförstärkande trioder för att få en någorlunda hyfsad loopförstärkning och sådana trioder är av nöden högimpediva, dvs utgångsimpedansen som ska driva både RIAA-nätet och efterföljande kabel/förstärkaringång blir hög.


Fixar inte motkopplingen det? Jag menar, vad är utimpedansen på ditt steg? Det är ju helt omotkopplat så det borde bli typ 22k ?
Så länge har jag längat efter att loudness war skulle vara över. Nu börjar jag tro att vi faktiskt är där. Kruxet är att vi förlorade.

Användarvisningsbild
Morello
 
Inlägg: 36512
Blev medlem: 2003-05-19
Ort: Stockholm/Täby

Inläggav Morello » 2006-02-19 19:58

Nja, det blir 22k//rak, vilket blir några kiloohm för ett ECC88:)
Driver: www.sybariteaudio.se
-Innehar F-skattsedel-

”Messen ist Wissen, aber messen ohne Wissen ist kein Wissen”

"Es ist noch kein Meister vom Himmel gefallen"

Användarvisningsbild
Svante
Audiot!
 
Inlägg: 37552
Blev medlem: 2004-03-03
Ort: oakustisk

Inläggav Svante » 2006-02-19 20:18

Morello skrev:Nja, det blir 22k//rak, vilket blir några kiloohm för ett ECC88:)


Ah, ja förlåt en trissenörd... :)
Så länge har jag längat efter att loudness war skulle vara över. Nu börjar jag tro att vi faktiskt är där. Kruxet är att vi förlorade.

Användarvisningsbild
Jax
Slacktivist/Admin
 
Inlägg: 7041
Blev medlem: 2003-12-12
Ort: ogonal

Inläggav Jax » 2006-02-19 20:36

Utimpedansen i mitt fall blir Ra//(ri + (mu+1)*Rk) med oavkopplat Rk. För ECC88 blir det c:a 8650 ohm i den här kopplingen. ri för ECC88 ligger kring 2600 ohm.

I din koppling behövs ECC83 med mu=100. Det röret har en ri på c:a 62000 ohm och Rk typiskt mellan 1500 och 2200 ohm. Räknar vi med Ra på 220k och Rk på 1800 ohm oavkopplat blir utimpedansen 116 kohm.
- Militant slacker

Användarvisningsbild
Svante
Audiot!
 
Inlägg: 37552
Blev medlem: 2004-03-03
Ort: oakustisk

Inläggav Svante » 2006-02-19 23:52

Ok, men oavsett det, jag skulle kunna hänga på ett rör till på utgången, kanske en katodföljare (heter det så?) och lägga RIAAt i en motkopplingsslinga. Gör man inte så? Det måste väl bli mycket bättre med lite motkoppling?
Så länge har jag längat efter att loudness war skulle vara över. Nu börjar jag tro att vi faktiskt är där. Kruxet är att vi förlorade.

Användarvisningsbild
Morello
 
Inlägg: 36512
Blev medlem: 2003-05-19
Ort: Stockholm/Täby

Inläggav Morello » 2006-02-19 23:54

Jag röstar liksom Svante för att implementera regulativ återkoppling. 8)
Driver: www.sybariteaudio.se
-Innehar F-skattsedel-

”Messen ist Wissen, aber messen ohne Wissen ist kein Wissen”

"Es ist noch kein Meister vom Himmel gefallen"

Användarvisningsbild
IngOehman
 
Inlägg: 48470
Blev medlem: 2003-09-28
Ort: K-PAX via Tellus

Inläggav IngOehman » 2006-02-20 00:55

Man kan ju flytta 50 och 500 Hz knäna till en koppling där man tillgriper motkoppling i varje fall, och sedan ha kvar 2122 LP-länken passivt. Eller tvärtom! :wink:

Det finns många möjliga kopplingar. 8)

Om jag stod inför samma konstruktionsuppdrag och var tvungen att använda samma komponenter, skulle jag nog (oavsett RIAA-realiseringen) låta det sista steget vara en katodföljare.


Vh, iö
Fd psykoakustikforskare & ordf LTS. Nu akustiker m specialiteten
studiokontrollrum, hemmabiosar & musiklyssnrum. Även Ch. R&D
åt Carlsson och Guru, konsult åt andra + hobbyhögtalartillv (Ino).

Användarvisningsbild
Jax
Slacktivist/Admin
 
Inlägg: 7041
Blev medlem: 2003-12-12
Ort: ogonal

Inläggav Jax » 2006-02-20 10:45

Det är väldigt lätt att göra om sista steg till katodföljare, flytta R12 till mellan R13 och jord, koppla R11 till noden R12/R13 samt flytta C5 till katoden. Samma värden används. Dock uppfylls inte mitt krav på 50dB längre (ett värde jag valt för att få subjektivt samma nivå från vinyl som CD så jag slipper ratta när jag byter).

IÖ, jag anar att du vill ha en utgångsimpedans på ~100 ohm, ett krav jag tullat på. Jag hade ändå inte tänkt mig att ha en längre kabel än någon meter att driva. Vidare så gillar jag inte riktigt motkopplingsvarianten då loopförstärkningen varierar runt 40dB och att få till hög råförstärkning och behålla stabilitet med rör är inte lätt. Idén att flytta ut 2122 till en passiv länk är däremot tilltalande. Men motkoppling tarvar ändå en viss försiktighet med LF-poler så jag undviker gärna avkopplade katoder, det kostar förstärkning men sänker distortionen genom strömmotkopplingen.

Men OK, låt oss ställa upp ett antal konstruktionskrav. Jag har inte tänkt så mycket på apparater som steget ska ansluta sig till.

Vad är typiskt en ingångsimpedans man ska räkna med i efterföljande apparat?

Vilken förstärkning ska steget ha (vid 1kHz)?

Steget är tänkt att matas från stabiliserad försörjning. Jag skulle dock kunna gå esoteriskt tillväga och använda differentialsteg för att få bra PSRR till kostnad av fler rör.
- Militant slacker

Användarvisningsbild
Jax
Slacktivist/Admin
 
Inlägg: 7041
Blev medlem: 2003-12-12
Ort: ogonal

Inläggav Jax » 2006-02-21 00:51

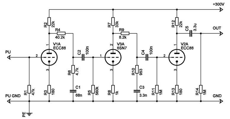
Kliar mig lite till i hövvet. Ny variant att fundera på:
Bild

Gain nu runt 43dB vid 1kHz.
- Militant slacker

Användarvisningsbild
soundbrigade
Inaktiverad
 
Inlägg: 25219
Blev medlem: 2005-10-29
Ort: STREJKAR

Inläggav soundbrigade » 2006-02-22 21:23

Ännu mer udda:
Bild
Bild
Mer detaljer:
http://www.pastisch.se/tubes/aml.htm
Att bara prata med dem som tycker som en själv är grundreceptet för att bli riktigt dum i huvudet.
Bo Rothstein, professor i statsvetenskap

Användarvisningsbild
Dellstig
 
Inlägg: 283
Blev medlem: 2003-11-03

Inläggav Dellstig » 2006-02-23 10:46

Hej!

En tanke som slog mig var att bygga en Remus fast utan linjedelen.
Kan det fungera?

Med vänlig hälsning

Martin

Användarvisningsbild
soundbrigade
Inaktiverad
 
Inlägg: 25219
Blev medlem: 2005-10-29
Ort: STREJKAR

Inläggav soundbrigade » 2006-02-23 11:26

Dellstig skrev:Hej!

En tanke som slog mig var att bygga en Remus fast utan linjedelen.
Kan det fungera?

Med vänlig hälsning

Martin

Jag skissade på nåt tillsammans med Lasse Ohlsson (Elektroakustik), att använda Remus RIAA-del och ett lite annat linjesteh. Letar ....
Att bara prata med dem som tycker som en själv är grundreceptet för att bli riktigt dum i huvudet.
Bo Rothstein, professor i statsvetenskap

Användarvisningsbild
Jax
Slacktivist/Admin
 
Inlägg: 7041
Blev medlem: 2003-12-12
Ort: ogonal

Inläggav Jax » 2006-02-23 11:48

Dellstig skrev:Hej!

En tanke som slog mig var att bygga en Remus fast utan linjedelen.
Kan det fungera?

Med vänlig hälsning

Martin

Det är en lätt moddad Remus jag har nu. Det går att bygga den utan linjedelen men då bör man ta med katodföljaren på linjedelens ingång som buffert i RIAAn då utimpedansen är otäckt hög från andra trioden.

Volympoten i linjedelen byts mot ett 1Mohm motstånd och koppla utgången till detta.
- Militant slacker

Användarvisningsbild
soundbrigade
Inaktiverad
 
Inlägg: 25219
Blev medlem: 2005-10-29
Ort: STREJKAR

Inläggav soundbrigade » 2006-02-23 15:44

En udda (??) sak jag hittade på en japansk sida (japanerna är roliga - drar sig inte för att undersöka nya varianter och bygga förstärkare med de mest ohemula rör man kan hitta).

Bilden är stor så jag har bara en länk till den:
http://www.pastisch.se/faktiskt/k_eq1_Amp.jpg
Att bara prata med dem som tycker som en själv är grundreceptet för att bli riktigt dum i huvudet.
Bo Rothstein, professor i statsvetenskap


Återgå till DIY-forum


Vilka är online

Användare som besöker denna kategori: Inga registrerade användare och 5 gäster