Jag har länge funderat på införskaffa lite kralligare förstärkare här hemma, men skulle gärna använda recievern som försteg. Problemet är att den Pioneer VSX-515 jag har inte har pre-out. Inga råd om att köpa nytt, än har den inte gjort sitt här.
Så jag undrar om några av de mer bevandrade här, kan råda mig vad som kan behöva göras för att tappa ut frontarnas L R. Det är inga problem att hitta signalen till förstärkarkortet, men kan den plockas ut direkt till ett par RCA på bakplåten, eller borde man ha någon buffer?
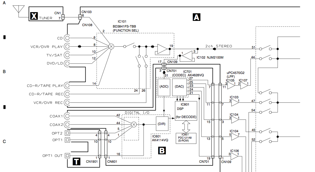
Bifogar några bilder på schemat, Det är CN106 C 1,2 3,4 FL och 5,6 FR som är aktuellt. Gemensam jord.
Länk till servicemanual för VSX-515

