Intresse för forumprojekt? Lättbyggt välpresterande slutsteg

Hemmapulare debatterar lämpligen i detta forum.

Moderator: Redaktörer

Användarvisningsbild
Erik_Johansson
"Långa Fabrorn"
 
Inlägg: 1688
Blev medlem: 2003-07-15
Ort: Gôteborg

Intresse för forumprojekt? Lättbyggt välpresterande slutsteg

Inläggav Erik_Johansson » 2013-07-18 21:42

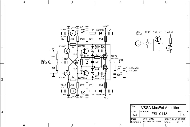
Satt och surfade runt på diyaudio.com och kikade på diverse slutstegsprojekt. Det slog mig att vi på faktiskt kanske skulle satsa på att ta fram ett slutsteg? XTF var ju ett intressant projekt men det jag tänkte mig var något som ska attrahera så många som möjligt och då poppade ungefär följande mål upp i huvudet (utan inbördes ordning):

Lättbyggt - Väl avvägd kompromiss mellan prestanda och komplexitet
Billigt att bygga
50-100W / 8 ohm (för att hålla nere priset på trafo, kylflänsar, etc)

Några populära projekt från diyaudio med ungefär samma tema för lite inspiration (eller sågning :)):

Bild

Bild

Är detta något projekt som skulle vara intressant? Jag har ju själv inte kunskapen att konstruera något dylikt. Dock skulle jag gärna stå för komponenter, etc till en prototyp om det skulle bli något av det hela. Vi har ju några riktigt vassa förstärkarkonstruktörer här på faktiskt så potentialen finns ju. :)

/Erik
”Klaga inte på att du inte får det du vill ha, var glad att du inte får vad
du förtjänar!”

Användarvisningsbild
Nattlorden
Pumpkin/Redaktör
 
Inlägg: 58413
Blev medlem: 2003-10-28
Ort: Grå Hamnarna

Inläggav Nattlorden » 2013-07-18 21:43

Tror du missat en nolla på effekten om det skall bli något större intresse här...
Konceptartist Serenia på Spotify/ Youtube etc.
Rester o.dyl. som Nattlorden

Användarvisningsbild
Erik_Johansson
"Långa Fabrorn"
 
Inlägg: 1688
Blev medlem: 2003-07-15
Ort: Gôteborg

Inläggav Erik_Johansson » 2013-07-18 21:45

Det var lite det jag var rädd för, samtidigt som ett slutsteg med en nolla till på effektsiffran nog lär generera ett projekt som betydligt färre faktiskt går i mål med... Talar utifrån egen erfarenhet såklart. :oops:

/Erik
”Klaga inte på att du inte får det du vill ha, var glad att du inte får vad
du förtjänar!”

Användarvisningsbild
Komorok
Moai
 
Inlägg: 11317
Blev medlem: 2008-06-20
Ort: Uppsala

Inläggav Komorok » 2013-07-18 21:59

Äsch, men säg 200W då. Det är en användbar storlek.
Komorok Specialist Projects.

Användarvisningsbild
misanplass
Skivborsten
 
Inlägg: 1644
Blev medlem: 2007-09-12
Ort: ett kök i tätort 4398

Inläggav misanplass » 2013-07-18 22:19

Helt klart intressant. Faktiskt.se behöver ett nytt projekt inför hösten 2013. Jag kommer troligtvis inte att bygga själv men ser fram emot att följa en mastodontbyggtråd på 67 sidor med tillhörande gruppköp. :)

Bra initiativ Erik_Johansson! :)
Spitzenklasse! (Stock, Aitken & Waterman) - https://www.youtube.com/watch?v=tto_nmsND_o

Användarvisningsbild
aisopos
 
Inlägg: 3648
Blev medlem: 2011-11-20
Ort: ogonal

Inläggav aisopos » 2013-07-18 22:22

Nattlorden skrev:Tror du missat en nolla på effekten om det skall bli något större intresse här...

Nejdå.
Jag är intresserad av effekter från runt 2W och uppåt 50W.
Sen börjar mitt intresse avta som sakta, jag vill hellre bygga lättdrivna högtalare. ;)

Användarvisningsbild
Nattlorden
Pumpkin/Redaktör
 
Inlägg: 58413
Blev medlem: 2003-10-28
Ort: Grå Hamnarna

Inläggav Nattlorden » 2013-07-18 22:25

aisopos skrev:
Nattlorden skrev:Tror du missat en nolla på effekten om det skall bli något större intresse här...

Nejdå.
Jag är intresserad av effekter från runt 2W och uppåt 50W.
Sen börjar mitt intresse avta som sakta, jag vill hellre bygga lättdrivna högtalare. ;)


Du (=en person) konstituerar väl inget större intresse? Att enskilda individer kan vara intsserad är självklart, jag syftade mer generellt.
Konceptartist Serenia på Spotify/ Youtube etc.
Rester o.dyl. som Nattlorden

Användarvisningsbild
paa
Sökaren
 
Inlägg: 36061
Blev medlem: 2005-01-10

Re: Nytt projekt? Lättbyggt välpresterande slutsteg

Inläggav paa » 2013-07-19 00:06

Erik_Johansson skrev:Satt och surfade runt på diyaudio.com och kikade på diverse slutstegsprojekt. Det slog mig att vi på faktiskt kanske skulle satsa på att ta fram ett slutsteg? XTF var ju ett intressant projekt men det jag tänkte mig var något som ska attrahera så många som möjligt och då poppade ungefär följande mål upp i huvudet (utan inbördes ordning):

/Erik
Varför skulle detta projekt vara intressantare än att slutföra XTF? Det är ju ungefär samma eller lite högre effekt i XTF, och det är väl bara typ sista caddningen av korten kvar?
Medlem på forumet för hifi; Faktiskt.se, numera Faktiskt.io sedan jan 10, 2005
Numera pensionär.
Vi har sålt Sonic Design till Winn Scandinavia, vilka driver bl.a Ljudfokus och BRL.

Användarvisningsbild
Erik_Johansson
"Långa Fabrorn"
 
Inlägg: 1688
Blev medlem: 2003-07-15
Ort: Gôteborg

Re: Nytt projekt? Lättbyggt välpresterande slutsteg

Inläggav Erik_Johansson » 2013-07-19 05:56

paa skrev:
Erik_Johansson skrev:Satt och surfade runt på diyaudio.com och kikade på diverse slutstegsprojekt. Det slog mig att vi på faktiskt kanske skulle satsa på att ta fram ett slutsteg? XTF var ju ett intressant projekt men det jag tänkte mig var något som ska attrahera så många som möjligt och då poppade ungefär följande mål upp i huvudet (utan inbördes ordning):

/Erik
Varför skulle detta projekt vara intressantare än att slutföra XTF? Det är ju ungefär samma eller lite högre effekt i XTF, och det är väl bara typ sista caddningen av korten kvar?


Jag känner att jag behöver utveckla mina tankar lite.

Det jag tänkte mig skulle kunna kallas en diskret uppbyggd förstärkare i samma anda som Naqrefs EPS-högtalare. Dvs billig, lättbyggd (endast hålmonterat t.ex), lättillgängliga komponenter, etc.

Ett mål skulle t.ex. kunna vara att en komplett BOM (exkl chassi men inklusive de kort som isåfall skulle tas fram) ska hamna under t.ex. 1500 kr (om det är realistiskt).

Men om ingen tycker det är intressant så spelar det ju ingen roll att jag tycker att det vore en lysande idé. ;)

/Erik
”Klaga inte på att du inte får det du vill ha, var glad att du inte får vad
du förtjänar!”

Användarvisningsbild
Fjonkalicious
Colonel Mustard
 
Inlägg: 18067
Blev medlem: 2007-09-02
Ort: Skåne

Inläggav Fjonkalicious » 2013-07-19 07:15

Jag kan tycka att det låter lite intressant men har för dålig kunskap för att komma med värdefull feedback. Det enda jag tycker man skall tänka på är att få dom moduluppbyggda så att man kan utöka från tvåkanal till tiokanal enkelt.

Hur skiljer sig detta från lm3886-projektet?
Head of Design - Acoustic Illusion AB

Användarvisningsbild
Trepip
 
Inlägg: 433
Blev medlem: 2006-04-23
Ort: Göteborg

Inläggav Trepip » 2013-07-19 09:17

Jag tycker att detta verkar intressant. Det kan komma att passa mina planer perfekt med tanke på att jag funderar på att få till ett delat system.
Konstruktionsfeedback kan jag nog inte komma med, däremot kanska jag kan tycka till om olika features och dylikt. 200W känns som ett vettigt mål.

XTF känner jag inte till :oops: får ta ock kika på det.
Mot ljusare tider

Användarvisningsbild
Alexi
 
Inlägg: 16539
Blev medlem: 2003-03-19
Ort: Stockholm

Inläggav Alexi » 2013-07-19 15:34

200W men bryggbart, skulle iaf. jag varavintresserad av att köpa en drös om de inte blev dyrare än Emotiva.
Var med och grundade Faktiskt.se, men är inte involverad i nya .io

Användarvisningsbild
Erik_Johansson
"Långa Fabrorn"
 
Inlägg: 1688
Blev medlem: 2003-07-15
Ort: Gôteborg

Inläggav Erik_Johansson » 2013-07-19 17:34

Som sagt så fick jag ganska snabbt känslan av att ingen direkt delar den vision som jag har/hade. Det var ju dessutom hela syftet med tråden, att undersöka om så var fallet. :)

Givetvis skulle det vara roligt om ett större mer högpresterande forumslutsteg skulle tas fram. Men det var inte riktigt det som jag var intresserad av att engagera mig i.

Nåväl, tillbaks till arbetet med trevägarna sålänge... 8)

/Erik
”Klaga inte på att du inte får det du vill ha, var glad att du inte får vad
du förtjänar!”

Användarvisningsbild
tordnilsson
 
Inlägg: 598
Blev medlem: 2006-12-08

Inläggav tordnilsson » 2013-07-19 19:07

"Nåväl, tillbaks till arbetet med trevägarna sålänge... "
Det låter mycket intressant, kan du kanske berätta lite mer om hur det går ?
På Carlsson-forumet kanske.
Med vänlig hälsning Tord

Användarvisningsbild
Trepip
 
Inlägg: 433
Blev medlem: 2006-04-23
Ort: Göteborg

Inläggav Trepip » 2013-07-21 11:07

Erik_Johansson skrev:Som sagt så fick jag ganska snabbt känslan av att ingen direkt delar den vision som jag har/hade. Det var ju dessutom hela syftet med tråden, att undersöka om så var fallet. :)

Givetvis skulle det vara roligt om ett större mer högpresterande forumslutsteg skulle tas fram. Men det var inte riktigt det som jag var intresserad av att engagera mig i.

Nåväl, tillbaks till arbetet med trevägarna sålänge... 8)

/Erik


Det var inte alls meningen att dissa din idé. Jag tycker att det är en lovvärd ide! Men för att den ska passa mina behov så skulle jag vilja ha lite mer effekt. Det finns ju fler gain clones att ta till om man vi ha effekter i 50-60W klassen. Men inte lika många i 200w klassen. Kanske för att det inte lönar sig?
Mot ljusare tider

Användarvisningsbild
aisopos
 
Inlägg: 3648
Blev medlem: 2011-11-20
Ort: ogonal

Inläggav aisopos » 2013-07-21 11:38

Nattlorden skrev:
aisopos skrev:
Nattlorden skrev:Tror du missat en nolla på effekten om det skall bli något större intresse här...

Nejdå.
Jag är intresserad av effekter från runt 2W och uppåt 50W.
Sen börjar mitt intresse avta som sakta, jag vill hellre bygga lättdrivna högtalare. ;)


Du (=en person) konstituerar väl inget större intresse? Att enskilda individer kan vara intsserad är självklart, jag syftade mer generellt.

Tja, det kanske finns fler.

Men i vilket fall, egenbyggda förstärkare med diskreta komponenter upp till 70W är
kanske generellt ointressanta iom att man ändå har svårt att spöa en LM3886 chipamp. :)

Egentligen är det väl klass A konstruktioner eller annat special som väcker ev intresse i
låga effektklasser.


Återgå till DIY-forum


Vilka är online

Användare som besöker denna kategori: Inga registrerade användare och 29 gäster