DC/DC nätagg

Hemmapulare debatterar lämpligen i detta forum.

Moderator: Redaktörer

Användarvisningsbild
emil_fh
 
Inlägg: 240
Blev medlem: 2008-02-14

DC/DC nätagg

Inläggav emil_fh » 2016-09-04 19:54

Hej, vet inte om det här är rätt forum egentligen men försöker mig på att bygga strömförsörjning till gitarrpedaler.

De kräver allt som oftast 9 V med negativ centerpin, finns även pedaler som kräver 5, 12, 18 eller 24 volt. Ofta räcker 100 mA men finns även pedaler som kräver 500 mA eller mer. Har en Nätadapter som lämnar 18V DC 2500mA, tänkte använda den som källa.

Tänkte använda mig av separata spänningsregulatorer exempelvis LM78xx för rätt spänning. Det är viktigt att de olika strömuttagen är isolerade och det är här jag behöver hjälp att designa kretsen. Räcker det med separata regulatorer för varje uttag och sedan kondensatorer på in och utgång eller är det något speciellt jag borde tänka på vid jordning, ska den separeras för jordpinen från reglatorerna genetemot terminalerna etc? Både regulatorerna samt pedalerna kan som jag förstår ge ganska "smutsig" ström tillbaka och det är här jag vill undvika störningar, mellan de olika uttagen. LM78xx ska kunna lämna tillräckligt med ström, men är 18 V för hög inspänning, även med kylfläns?


Vänliga hälsningar

Emil
Bilagor
90063.jpg
90063.jpg (14.79 KiB) Visad 1953 gånger

Lasse-
 
Inlägg: 2619
Blev medlem: 2008-01-15

Re: DC/DC nätagg

Inläggav Lasse- » 2016-09-04 20:10

Kondensatorerna är till för att regulatorn inte ska självsvänga och dom ska helst lödas på benen till regulatorn
Och så är det visst bra om man belastar utgången på regulatorn med ett motstånd av något värde för att den inte
ska bli ostadig vid för lite belastning.

Det finns data på dom här 78xx kretsarna på max effektförlust över kretsen och det är nog praktiskt att
använda sig av 1 A modellen då kan man skruva fast dom på en kylfläns med isolerbussning och isolerbricka
med M3 skruv och sedan löda direkt på terminalerna.

Jag tror att det är bra om man skjärnjordar alla minus ledningar på den stora filterkondensatorn som sitter
efter likriktarrn om man sätter minus lite här och där så tror jag att man får problem med brum på spänningen.

mvh Lasse -

Användarvisningsbild
emil_fh
 
Inlägg: 240
Blev medlem: 2008-02-14

Re: DC/DC nätagg

Inläggav emil_fh » 2016-09-04 20:35

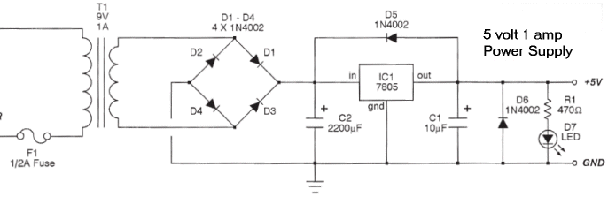
Vad kan vara bra värden på motstånd? Spelar utspänningen någon roll för passande motstånd? Om vi ser på bilden nedan, stämmer det att motstånd kopplas direkt på utgången seriellt och sedan kondensatorn paralellt för ett lowpassfilter?

5_volt_ps.gif
5_volt_ps.gif (18.18 KiB) Visad 1932 gånger


Undrar även över skyddskretsar, dioderna finns väl där av den anledningen, men vad behövs, dels för att skydda regulatorerna men framförallt pedalerna.

Läser även att utgångs kondensatorn inte får ha för stort värde då bakströmmen när kretsen kopplas från kan skada regulatorn, finns kondensatorn endast där för att förhindra självsvängning eller filtrerar den även strömmen från AC-komponenter?

EDIT: Kommer använda ett färdigt externt slutet nätagg som lämnar 18V DC, egen likriktigt och filtrering i denna. Så stjärnjorden kommer inte kunna sitta direkt vid detta filter. Se bild

kretsus.png
kretsus.png (4.45 KiB) Visad 1923 gånger


Kommer alltså bara vara en enda transformator men vill ändå hålla utgångarna så isolerade som möjligt.

Lasse-
 
Inlägg: 2619
Blev medlem: 2008-01-15

Re: DC/DC nätagg

Inläggav Lasse- » 2016-09-04 20:48

Det ser ut som lysdioden med förkopplingsmotståndet gör samma jobb som ett ensamt motstånd och om
det är en röd lysdiod så tror jag att den behöver 20 mA i ström för att fungera och för att lysa.

Utgångskondensatorn på 10 uF bör nog vara en tantalkondensator med lämplig spänningstålighet annars så är
tantalkondensatorer självläkande men det gäller att vända plus och minus rätt annars så går den sönder

mvh Lasse-

Användarvisningsbild
emil_fh
 
Inlägg: 240
Blev medlem: 2008-02-14

Re: DC/DC nätagg

Inläggav emil_fh » 2016-09-04 20:51

Okej jag förstår, så motstånd (med lysdiod) för att belasta regulatorn även utan faktiskt belastning snarare än del av lågpassfilter.

Användarvisningsbild
darkg
Ljushuvud
 
Inlägg: 8651
Blev medlem: 2011-12-11
Ort: Kristianstad

Re: DC/DC nätagg

Inläggav darkg » 2016-09-04 21:01

78-typen är robust och behöver ofta inga dioder eller faktiskt kondensatorer, i ditt fall ska du ha en på ingången i alla fall, och eftersom det inte är svårt eller dyrt sätter du nog en på utgången också.
Don’t just do something, sit there.

Användarvisningsbild
emil_fh
 
Inlägg: 240
Blev medlem: 2008-02-14

Re: DC/DC nätagg

Inläggav emil_fh » 2016-09-04 21:06

Okej! Så inga dioder, men kondensatorer på in och utgång, vad säger du om resistor (och LED) vid utgången?

Det jag är mest osäker på är faktiskt jordning.

Sedan undrar jag då de flesta pedelar vill ha negativ centerpin om det menas att 79xx med negativ spänning relativt jord skall användas eller om det 78xx med jord till centerpin blir samma sak?

Lasse-
 
Inlägg: 2619
Blev medlem: 2008-01-15

Re: DC/DC nätagg

Inläggav Lasse- » 2016-09-04 21:08

Om lysdioden med ett förkopplingsmotstånd är ett lågpassfilter vet jag inte .Men om du ska
ha den stora filterkondingen i en annan låda och sedan dra en lite grövre minusledning till
stabbarna så behöver du nog dom små kondensatorerna över den fasta stabben.

Är dom inte internt strömbegränsande ifall man försöker att överbelasta dom bara man har skruvat
fast dom på en tillräklig kylfläns som får luftflöde utifrån så går det nog bra.

mvh Lasse-

Användarvisningsbild
darkg
Ljushuvud
 
Inlägg: 8651
Blev medlem: 2011-12-11
Ort: Kristianstad

Re: DC/DC nätagg

Inläggav darkg » 2016-09-04 21:36

emil_fh skrev:Okej! Så inga dioder, men kondensatorer på in och utgång, vad säger du om resistor (och LED) vid utgången?


Jag är osäker. Det skadar ju i vilket fall inte och kostar just inte heller, och ger indikation.
Don’t just do something, sit there.

Användarvisningsbild
darkg
Ljushuvud
 
Inlägg: 8651
Blev medlem: 2011-12-11
Ort: Kristianstad

Re: DC/DC nätagg

Inläggav darkg » 2016-09-04 21:45

Jag ser inte några problem med störningar med det sätt du har tänkt, men jag kanske får lära mig nåt snart. Nån som vet mer?
Don’t just do something, sit there.

Lasse-
 
Inlägg: 2619
Blev medlem: 2008-01-15

Re: DC/DC nätagg

Inläggav Lasse- » 2016-09-04 21:58

Jag vet inte hur spänningsmatningen till girarrpedaler är kopplade i anslutningskontakten men det är väll
möjligt att det står någonstanns på nätet bara man söker på google.

Electrokit har en del byggsatser av Velleman med spänningsreglering som du kan tjuvkika på på bilderna på hemsidan



Lasse-

Användarvisningsbild
emil_fh
 
Inlägg: 240
Blev medlem: 2008-02-14

Re: DC/DC nätagg

Inläggav emil_fh » 2016-09-04 23:21

Har läst på en del och skall i alla fall vara positiv +9 V på ytterhöljet av kontakten och jord i center, istället för positiv jord. Så LM7809 som gäller. Ska rita upp ett schema över hur jag tänkt, tack för hjälpen så länge.

Användarvisningsbild
emil_fh
 
Inlägg: 240
Blev medlem: 2008-02-14

Re: DC/DC nätagg

Inläggav emil_fh » 2016-09-05 01:07

Med enklast möjliga krets (med separata regulatorer) nedan, hur sköts jord på bästa sätt?

dcdc.png
dcdc.png (21.29 KiB) Visad 1840 gånger

Lasse-
 
Inlägg: 2619
Blev medlem: 2008-01-15

Re: DC/DC nätagg

Inläggav Lasse- » 2016-09-05 18:46

Hej dom 18 V som du har är det effektiv värde eller topp värde på spänningen till regulatorerna eftersom
du behöver en större ellyt i närheten av 78XX och den kommer att laddas upp till toppspänningen och
då måste den tåla toppspänningen ..

Jag skulle gissa på att du behöver en bult elektrolyt på minst 10 000 uF också drar du alla plus ledningar före
78XX till plus polen på ellyten och alla minus tampar till den negativa polen på bult ellyten.

Det gäller bara att ta reda på minimum spänningstålighet på ellyten och välja nästa högre värde för att
var på den säkra sidan så att den inte börjar att koka och kan explodera.På större bult ellytar så finns
det ibland en tryckventil där det kan börja att pysa elektrolytvätska om man börjar att överlasta den
eller vänder plus och minus fel

U toppspänning får man fram genom att ta effektivvärdet gånger roten ur 2 ungefär 1.42

Dagens digitala handmultimetrar brukar ha en ingångsresistans på 10 Mohm så den belatar mätobjektet
Väldigt lite Äldre analoga instrument kan ha en inre resistans på typ 20 kOhm per Volt så den belastar
lite mer så den visar bara effektivvärde så det gäller att ha koll på vad man gör och mäter med.




mvh Lasse-

Användarvisningsbild
UrSv
 
Inlägg: 7099
Blev medlem: 2003-10-09
Ort: Linköping

Re: DC/DC nätagg

Inläggav UrSv » 2016-09-05 18:58

Det är en annan adapter med 18 V DC så det behövs inte.
Jag har tyvärr inte tid just nu, jag ska göra ingenting en stund...

Användarvisningsbild
emil_fh
 
Inlägg: 240
Blev medlem: 2008-02-14

Re: DC/DC nätagg

Inläggav emil_fh » 2016-09-06 08:44

Japp exakt, kör ju DC adapter för att sedan dela upp på flera regulatorer, en för vardera uttag. Spänningen från adaptern är reglerad till 18V. Kan ju slänga på en elektrolytkondensator som resorvoar på varje input, men är inga större strömuttag som krävs. Egentligen bara jordningen jag är osäker på, vill undvika jordslingor om flera pedaler än inkopplade, vissa på och andra av till exempel. Inte helt insatt i ellära. Som jag förstår det blir de olika uttagen bra isolerade på + (plus)-sidan, så att säga, genom regulatorerna och kondensatorerna, men kommer störningar gå mellan de olika uttagen genom jord??

Användarvisningsbild
phon
Mr. Magneto
 
Inlägg: 13030
Blev medlem: 2004-11-12
Ort: þiudangardi

Re: DC/DC nätagg

Inläggav phon » 2016-09-06 10:47

så här kanske?
Bilagor
nätagg_1.png
nätagg_1.png (25.98 KiB) Visad 1715 gånger
ⓘ De gustibus non est disputandum.

Användarvisningsbild
emil_fh
 
Inlägg: 240
Blev medlem: 2008-02-14

Re: DC/DC nätagg

Inläggav emil_fh » 2016-09-06 14:18

Tänker mig något sånt här, ska C9-C12 ha olika värden beroende vilken spänningsregulator som används 5-12 volt?

Ja phon tänker mig ett 18 V uttag också, slänger väl några kondensatorer där också, hellre "overkill" då det inte kostar många ören.

Dock fortfarande inte förstått hur jag slipper störningar, jordslingor och dylikt mellan de olika uttagen. Sköter regulatorerna detta eller måste jorden hanteras på annat sätt än att koppla allt som stjärnjord vid ingången till chassi?

circ2.png
circ2.png (27.16 KiB) Visad 1697 gånger

Lasse-
 
Inlägg: 2619
Blev medlem: 2008-01-15

Re: DC/DC nätagg

Inläggav Lasse- » 2016-09-06 21:48

Hej en diod kan man sätta över matningen som ett polaritets skydd till stabbarna man vänder bara anod och katod så att den spärrar
Når plus och minus är rätt kopplat , dioden leder när plus och minus blir omkastat och strömmen tar den
närmaste vägen och det blir kortslutning och säkringen går sönder det är som man vill ha det.


mvh Lasse-

Användarvisningsbild
emil_fh
 
Inlägg: 240
Blev medlem: 2008-02-14

Re: DC/DC nätagg

Inläggav emil_fh » 2016-09-06 22:08

Ja! kollade upp det där med polaritetsskydd och verkade som en diod var enklaste lösningen men med vissa nackdelar, verkar finnas integrerade kretsar för det nu nuförtiden:

https://www.fairchildsemi.com/products/ ... 4H5JZ.html

Så kommer prova det om det går att få tag i.

Användarvisningsbild
Michael
LEDaren
 
Inlägg: 5948
Blev medlem: 2005-05-18
Ort: Linköping

Re: DC/DC nätagg

Inläggav Michael » 2016-09-06 23:33

En diod i serie på ingången, så blir det inte kortis där. Blir ett spänningsfall (förlust), men det skulle ändå brännas bort i stabbarna.

PS. Tänk på kylning och isolering av stabbarna (finns isolerade varianter).

//Michael

Användarvisningsbild
darkg
Ljushuvud
 
Inlägg: 8651
Blev medlem: 2011-12-11
Ort: Kristianstad

Re: DC/DC nätagg

Inläggav darkg » 2016-09-07 00:47

Michael skrev:En diod i serie på ingången, så blir det inte kortis där. Blir ett spänningsfall (förlust), men det skulle ändå brännas bort i stabbarna.

PS. Tänk på kylning och isolering av stabbarna (finns isolerade varianter).

//Michael


Dessa har jord på ryggen, så isolering behövs eventuellt inte!
Don’t just do something, sit there.

Användarvisningsbild
emil_fh
 
Inlägg: 240
Blev medlem: 2008-02-14

Re: DC/DC nätagg

Inläggav emil_fh » 2016-09-08 11:11

Bra att veta, jord på ryggen alltså, så räcker att skruva fast regulatorerna i kylflänsen, lite kylpasta emellan.

Lite besviken att ingen har försökt svara på frågan om jordning.

Fiatelist
 
Inlägg: 44
Blev medlem: 2013-01-13

Re: DC/DC nätagg

Inläggav Fiatelist » 2016-09-08 22:22

Jordning kan inte vara så enkelt om många pedaler skall kopplas in samtidigt. Ytterligare ett problem kan vara att signaljorden i en pedal inte nödvändigtvis är samma som minus på matningen. Jag har inte mycket erfarenhet av detta, men jag har vid något tillfälle lagat en gitarrpedal som la signaljord på halva matningsspänningen (matades med 18V eller två nio volts batterier ).

Om trådskaparen verkligen vill eller behöver ha galvanisk isolation så krävs det isolerande DC/DC omvandlare.

(Är offline närmsta tiden, så jag har inte möjlighet till kommentarer på ett tag)

Lasse-
 
Inlägg: 2619
Blev medlem: 2008-01-15

Re: DC/DC nätagg

Inläggav Lasse- » 2016-09-09 19:03

En annan variant är att köpa en eller flera transformatorer med flera sekundärlindingar med olika spänning
och köra en stabb till varje lindning galvaniskt isolerat till dom andra lindningarna i trafon.

mvh Lasse-

Användarvisningsbild
emil_fh
 
Inlägg: 240
Blev medlem: 2008-02-14

Re: DC/DC nätagg

Inläggav emil_fh » 2016-09-12 15:33

Ja precis, men verkar som för de allra flesta pedalerna är signaljorden utifrån sett noll så att säga. Internt så har jag sett många kretsar som kör halva matningsspänningen som bias på jord, 9 och 4.5 V eller 18 och 9 V som du skriver.

Hade hoppats på att slippa använda en dyr transformator utan använda mig av en DC-DC adapter jag redan har, men kanske är ändå alternativet för bra isolering.

Användarvisningsbild
darkg
Ljushuvud
 
Inlägg: 8651
Blev medlem: 2011-12-11
Ort: Kristianstad

Re: DC/DC nätagg

Inläggav darkg » 2016-09-12 16:39

emil_fh skrev:Ja precis, men verkar som för de allra flesta pedalerna är signaljorden utifrån sett noll så att säga. Internt så har jag sett många kretsar som kör halva matningsspänningen som bias på jord, 9 och 4.5 V eller 18 och 9 V som du skriver.

Hade hoppats på att slippa använda en dyr transformator utan använda mig av en DC-DC adapter jag redan har, men kanske är ändå alternativet för bra isolering.


Om du ska bygga multipla linjära nätdelar, kolla noga strömbehov och leta begagnade / surplus transformatorer så blir det nog överkomligt - och bra!
Kanske lite klumpigt bara.
Don’t just do something, sit there.


Återgå till DIY-forum


Vilka är online

Användare som besöker denna kategori: Inga registrerade användare och 10 gäster