Anechoic responses i REW ska tolkas hur?

Generell diskussion om hifi och områden runt hifi.

Moderator: Redaktörer

Användarvisningsbild
juanth
 
Inlägg: 3999
Blev medlem: 2012-04-18
Ort: Sthlm

Anechoic responses i REW ska tolkas hur?

Inläggav juanth » 2018-03-10 17:55

CEAE942D-631F-4C87-9940-0B8E83027B97.jpeg
Med rutan ibockad
CEAE942D-631F-4C87-9940-0B8E83027B97.jpeg (1.22 MiB) Visad 791 gånger
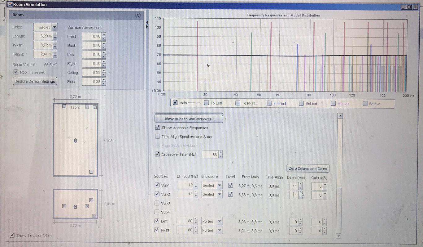
Jag har installerat REW och Minidsp HD med 2st 27 liters slutna bremenbaslådor och toppar, har efter några veckor fått till det som jag tycker rätt bra men börjar nu fundera på att spela på längden i rummet istället. Rummet är 6,22 x 3,73 x 2,42. Jag är hyggligt övertygad om att även min fru kan tänka sig ny möblering. :D

Jag har använt Room Simulation i REW och enligt programmet verkar det som jag innan dsp-åtgärder får ett betydligt lugnare lägre basregister än när jag spelar på bredden. Mindre att åtgärda med dsp osv..

Nu undrar jag om någon här har koll på betydelsen av: Show Anechoic response, som går att välja att kryssa i i simuleringen och hur mycket vikt som ev ska läggas vid dess betydelse för resultatet?
Gärna synpunkter i övrigt..

Det som föranleder frågan är när jag häpet såg att det blev en i princip rak tonkurverespons (eller vad man nu ska kalla det) med den boxen ibockad. Se bilder.
Bilagor
3C3DEA74-1246-4B6C-A436-1185AFD71196.jpeg
3C3DEA74-1246-4B6C-A436-1185AFD71196.jpeg (1.28 MiB) Visad 791 gånger
Mvh Johan

Orthoakustiska öron. Bor i Sörmland och ibland i Sthlm

Styrelseledamot sedan maj 2024 i Stiftelsen Stig Carlsson.

Användarvisningsbild
juanth
 
Inlägg: 3999
Blev medlem: 2012-04-18
Ort: Sthlm

Re: Anechoic responses i REW ska tolkas hur?

Inläggav juanth » 2018-03-11 00:59

Jo jag vet ju att anechoic betyder ekofri men inte hur det ska utläsas/tolkas i programmet, nyttan med vad jag då ser alltså. Det lär ju syfta på tonkurva i ekofri kammare på något vis.. Ingen som har en aning?
Mvh Johan

Orthoakustiska öron. Bor i Sörmland och ibland i Sthlm

Styrelseledamot sedan maj 2024 i Stiftelsen Stig Carlsson.

Användarvisningsbild
Grahnbarr
 
Inlägg: 442
Blev medlem: 2004-01-26
Ort: Trollhättan

Re: Anechoic responses i REW ska tolkas hur?

Inläggav Grahnbarr » 2018-03-11 11:11

Från https://www.roomeqwizard.com/REWhelp.pdf

If Show Anechoic Responses is selected the response plots remove the room contributions, leaving only the responses of the sources themselves.
Sources can be time aligned at the main listening position and, if multiple subs are being simulated, the effect of time aligning each sub individually can be observed (note that if a symmetric placement of multiple subs is being used to minimise modal excitation the subs should not be individually aligned).
The distances and times of flight to each source are shown and the effect of adding a time delay or gain adjustment to each source can be observed by altering the relevant controls.
Note that the simulation automatically level aligns sources to the main listening position, but that all the simulated subwoofers generate signals at the same level - this is necessary if they are arranged symmetrically to minimise modal excitation and reduce seat-to-seat variation.
HTPC - Yamaha RX-V667 - Larsen L6

Användarvisningsbild
juanth
 
Inlägg: 3999
Blev medlem: 2012-04-18
Ort: Sthlm

Re: Anechoic responses i REW ska tolkas hur?

Inläggav juanth » 2018-03-14 13:16

Tack Grahnbarr.
Det känns som en bakvänd funktion som jag har svårt att se nyttan av..så jag har lyckats skapa en rak tonkurva i ett ekofritt rum, eller iaf simulerat en. Då får jag väl bygga ett sådant och kolla om simuleringen stämmer.. :lol: :mrgreen:
Mvh Johan

Orthoakustiska öron. Bor i Sörmland och ibland i Sthlm

Styrelseledamot sedan maj 2024 i Stiftelsen Stig Carlsson.

Användarvisningsbild
Belker
 
Inlägg: 5523
Blev medlem: 2003-07-16
Ort: Hill St. Pct

Re: Anechoic responses i REW ska tolkas hur?

Inläggav Belker » 2018-03-14 14:31

Apropå mäta och simulera, så har jag märkt att simulationen funkar förvånansvärt bra även över 100 hz, men det gäller att sätta rummets olika absorptionvärden väldigt exakt. Om man itererar magkänsla, mätningar och absorbsionskoefficienter några gånger hamnar man tillräckligt rätt för att kunna simulera med hyfsat korrekt resultat.

Användarvisningsbild
juanth
 
Inlägg: 3999
Blev medlem: 2012-04-18
Ort: Sthlm

Re: Anechoic responses i REW ska tolkas hur?

Inläggav juanth » 2018-03-14 17:37

Belker skrev:Apropå mäta och simulera, så har jag märkt att simulationen funkar förvånansvärt bra även över 100 hz, men det gäller att sätta rummets olika absorptionvärden väldigt exakt. Om man itererar magkänsla, mätningar och absorbsionskoefficienter några gånger hamnar man tillräckligt rätt för att kunna simulera med hyfsat korrekt resultat.


Ja det verkar vara ett bra simuleringsprogram. Nu har jag inte ännu brytt mig så mycket om absorptionsvärden men i mina första mätningar (som inte syns här) så kom simuleringen mycket nära mätresultaten som sen användes för dsp.
Jag har inte letat efter någon beskrivning för tänk kring absorptionsvärden men det finns kanske någonstans i REW:s hjälpdel..

En sak jag undrar över är hur programmet ser på ett rum, jag menar, det kan ju variera ordentligt, inte bara med olika ytor och absorptionsvärden/koefficienter utan även volymen i ett rum påverkas av möblemang, jag har tex ett stort skåp i rummet, det tar säkert upp 1500-2000 liter, sedan soffa och andra större möbler. Visst, det går att minska rummets mått i simuleringen men då korresponderar det inte riktigt med specifika våglängder längre. Nåja, kanske inte något större bekymmer, det roliga är ju faktiskt att mäta och lyssna. Det kanske är något slags schablonvärde inbyggt i rumssimuleringen?
Mvh Johan

Orthoakustiska öron. Bor i Sörmland och ibland i Sthlm

Styrelseledamot sedan maj 2024 i Stiftelsen Stig Carlsson.


Återgå till Generellt om hifi


Vilka är online

Användare som besöker denna kategori: Inga registrerade användare och 11 gäster