Behöver Magnepan specialdrivning? Om så, vem vill skapa den?

Generell diskussion om hifi och områden runt hifi.

Moderator: Redaktörer

Användarvisningsbild
IngOehman
 
Inlägg: 48470
Blev medlem: 2003-09-28
Ort: K-PAX via Tellus

Behöver Magnepan specialdrivning? Om så, vem vill skapa den?

Inläggav IngOehman » 2011-10-09 19:10

[s]Ja, tråden går alltså ut på att skramla ihop lite pengar för att prototyper
till specialförstärkare för att driva bland annat Magnepan-högtalare (men
förhoppningsvis och diverse andra) skall kunna byggas - och för att lite
tågbiljetter eller bensin skall kunna flytta människor tillsammans, så att
lyssningen skall bli av.[/s]

(Se även tråden "Behöver Magneplanarer ström eller effekt?")

[s]Alla som har lust att bidra med en liten slant får anmäla sig här. Jag tror
att det allt som allt kanske behövs några tusen kronor, lite beroende på
var någonstans lyssningen blir av.

Först till kvarnen vinner. Det vill säga:

När vi vet hur mycket pengar som kommer att behövas (jag postar den
uppgiften så snart jag vet) så betar vi av tråden framifrån, så den som vill
vara med och bidra behöver vara snabb, för de som erbjuder sig för sent
kommer inte med. ;)[/s]

- - -

Ny inriktning på tråden - nu går den ut på att se till så att det här projektet
skall kunna bli av överhuvudtaget.

1. Härmed efterlyses en person som har lite elektronikvana, tillräckligt för
att få ihop ett slutsteg med nätdel i en provisorisk låda. Självklart bidrar jag
med svar på alla frågor som kan tänkas uppstå.

2. Fortfarande får alla som kan tänka sig att bidra ekonomiskt till projektet
höra av sig i tråden, inte bara Magnepan-ägare då, utan alla som är nyfikna
och som vill bidra till att projektet skall bli av (självklart hoppas jag att alla
bidragsgivare kommer att deltaga på lyssningen).

3. Person med MG 3.6:or, gärna i Uppland eller i Sörmland, eller mindre än
20 mil härifrån, efterlyses för provlyssning. På högtalarna alltså.


Vh, iö
Senast redigerad av IngOehman 2011-10-17 19:03, redigerad totalt 2 gånger.
Fd psykoakustikforskare & ordf LTS. Nu akustiker m specialiteten
studiokontrollrum, hemmabiosar & musiklyssnrum. Även Ch. R&D
åt Carlsson och Guru, konsult åt andra + hobbyhögtalartillv (Ino).

Användarvisningsbild
Flint
Rör om i grytan!
 
Inlägg: 20456
Blev medlem: 2004-07-11

Inläggav Flint » 2011-10-09 19:14

IngOehman
Nej. Tråden går inte ut på att skramla pengar och definitivt inte till mig. Tråden, tycker jag, går ut på att du hittar någon som är villig att bygga ett lite mer representativt steg som kan demas. Jag har testat principen och jag tror att mitt omdöme stämmer bra i det här fallet men jag ger mig inte in mer praktiskt än så här. Vänligen respektera det.

Användarvisningsbild
IngOehman
 
Inlägg: 48470
Blev medlem: 2003-09-28
Ort: K-PAX via Tellus

Inläggav IngOehman » 2011-10-09 19:19

Om du inte vill vara med och lyssna, skulle du ändå gå att övertygas om
att bygga en testförstärkare?

Jag kan inte tänka mig någon som är bättre lämpad än du, och i själva
verket så är du ju den enda som vi VET klarar det. Det vi behöver är ju
en do-er, och inga har bättre visat att de är det, än du.

Och estetiskt representativt behöver det verkligen inte vara, bara det är
rimligt elektriskt ofarligt så räcker det utmärkt. ;)

Eller om någon annan med viss elektronikvana kan tänka sig att bygga
förstärkaren så kanske du kan fixa kretskorten?


Vh, iö
Fd psykoakustikforskare & ordf LTS. Nu akustiker m specialiteten
studiokontrollrum, hemmabiosar & musiklyssnrum. Även Ch. R&D
åt Carlsson och Guru, konsult åt andra + hobbyhögtalartillv (Ino).

Användarvisningsbild
Flint
Rör om i grytan!
 
Inlägg: 20456
Blev medlem: 2004-07-11

Inläggav Flint » 2011-10-09 21:53

Jag fixar ett par kort som vi kom överens om nyss via PM men jag vill att du kollar dom och ev. har synpunkter på något du vill ändra på.

Schema
Placering
Layout

Användarvisningsbild
IngOehman
 
Inlägg: 48470
Blev medlem: 2003-09-28
Ort: K-PAX via Tellus

Inläggav IngOehman » 2011-10-09 23:09

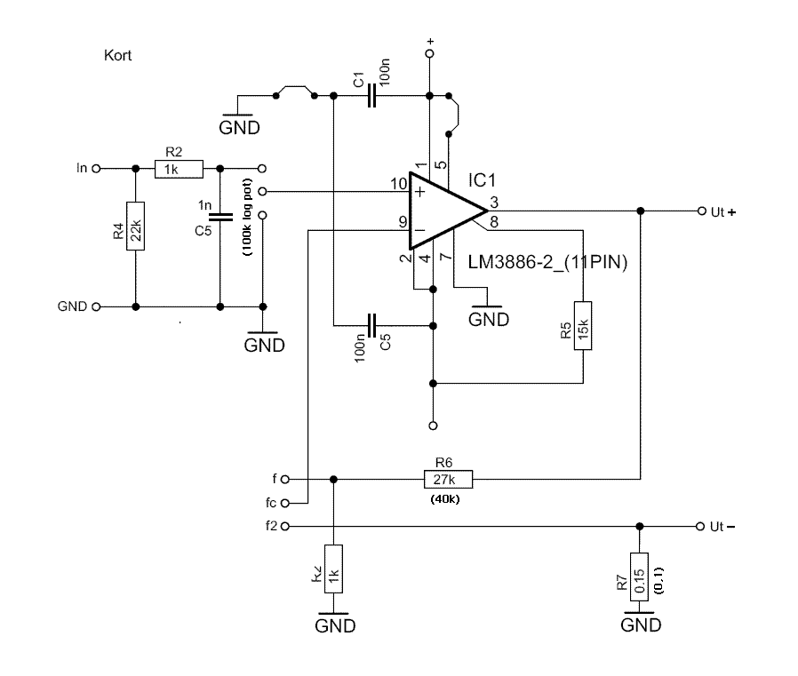
Jomen då tar jag chansen att i varje fall fråga om det skulle gå att få en
sådan här variant, alltså med ingångsfilter och med avkänningsmotståndet
ombord:

Bild

Eller ännu hellre en sådan här - som överflödiggör ett försteg genom extra
gain i kombination med ombordvarade volympot:

Bild

Ber om ursäkt för fula GIF-bilder, men jag behärskar dessvärre inga CAD-
sýstem så jag fulkopierade och kluttade i paint. :oops:


Vh, iö

- - - - -

PS. Egentligen så skulle man väl ha med ett utgångsfilter också (vilket blir
3-4 komponenter extra) men det får vara. Det behövs inte för att testa
grundfunktionens hörbara effekter.
Fd psykoakustikforskare & ordf LTS. Nu akustiker m specialiteten
studiokontrollrum, hemmabiosar & musiklyssnrum. Även Ch. R&D
åt Carlsson och Guru, konsult åt andra + hobbyhögtalartillv (Ino).

Användarvisningsbild
KarlXII
Dussinmänniska
 
Inlägg: 28546
Blev medlem: 2007-02-17
Ort: Himlafiket

Inläggav KarlXII » 2011-10-09 23:31

Jättekul samarbete på många sätt.
Jag bidrar gärna med några hundra för att se projektet bli verklighet och ta del av resultatet. :)
T H E. G O O S E B U M P. F A C T O R

Användarvisningsbild
Flint
Rör om i grytan!
 
Inlägg: 20456
Blev medlem: 2004-07-11

Inläggav Flint » 2011-10-09 23:37

IngOehman
Det där går nog fint. Blir nog aningen större kort bara. Bra bilder. Ett lyft mot de handritade. 8)

Utgångsfiltret satte jag själv på utgångskontakterna.

Användarvisningsbild
RogerGustavsson
 
Inlägg: 23964
Blev medlem: 2004-05-02
Ort: Huskvarna

Inläggav RogerGustavsson » 2011-10-10 08:54

Någon kanske kan ta fram en liten serie med kort för hugade spekulanter?

Hur ser en lämplig nätdel ut för dessa slutsteg? Vilken spänning är rätt om man har 4 Ohms-drivning i tankarna?

Vilken effekt kan man förvänta sig i 4 Ohm från LM3886? Tänker då inte i första hand på sinus utan mera på "musikeffekten".

Effektmässigt blir det kanske i klenaste lagt för flertalet Magnepan men vem vet... Har man inte provat vet man ju inte! Det går ju att spela med en Denon DVD-minireceiver till mina MG 3.6 och där tror jag Ingvar mätte 2x28 W sinus i 4 Ohm. Visst vore åtminstone 100 W mera passande.

Användarvisningsbild
Flint
Rör om i grytan!
 
Inlägg: 20456
Blev medlem: 2004-07-11

Inläggav Flint » 2011-10-10 09:23

Korten kanske är ett fall för Ola Hesselvall. Länk . IÖ och Hesselvall/Andersson har väl redan ett samarbete vad jag förstår. Jag ser helst att jag slipper och mina kort blir inte proffsiga. För mig har det räckt att dom fungerar. Om Ola gör korten blir dom spitzenkvalität eftersom han jobbar med den typen av cad eller åtminstone har gjort.

Uteffekt.
Ska mäta den under dagen. Jag kör med en trafo på 2x17V i den här testkopplingen. Det borde ge nånstans 30W i 8ohm och 50W i 4ohm. Ska kollas.

Och ja, jag tror att man inte lockas att spela så högt eftersom dynamiken lyfts fram bättre. Så blir det i alla fall med mina lådor.

Användarvisningsbild
Nattlorden
Pumpkin/Redaktör
 
Inlägg: 58417
Blev medlem: 2003-10-28
Ort: Grå Hamnarna

Inläggav Nattlorden » 2011-10-10 09:30

Vad är det de tål som mest - kring 35V ?
Konceptartist Serenia på Spotify/ Youtube etc.
Rester o.dyl. som Nattlorden

Användarvisningsbild
Flint
Rör om i grytan!
 
Inlägg: 20456
Blev medlem: 2004-07-11

Inläggav Flint » 2011-10-10 09:36

Nattlorden skrev:Vad är det de tål som mest - kring 35V ?

Som absolut värst/mest uppger tillverkaren 94V mellan ytter dvs. 2x47V men det är nog lite småelakt. 2x35V är nog vettigt. Mitt vanliga steg ligger där nånstans och det lullar på fint. Jag har aldrig lyckats knäcka nån krets fast jag har mekat rätt mycket med den i några år.

Användarvisningsbild
RogerGustavsson
 
Inlägg: 23964
Blev medlem: 2004-05-02
Ort: Huskvarna

Inläggav RogerGustavsson » 2011-10-10 09:37

Enligt databladet:

68W cont. avg. output power into 4Ω at VCC = ±28V
38W cont. avg. output power into 8Ω at VCC = ±28V
50W cont. avg. output power into 8Ω at VCC = ±35V

Sedan kan man väl köra flera parallellt för större uteffekt (som Bullit-steget) vid lägre impedanser?

http://media.digikey.com/photos/rdl/lm3 ... ematic.jpg

Användarvisningsbild
Flint
Rör om i grytan!
 
Inlägg: 20456
Blev medlem: 2004-07-11

Inläggav Flint » 2011-10-10 09:39

Uteffekt uppmätta värden vid begynnande klippning med 2x22.7V matning.
Ca. 30W i 4ohm.
Ca. 20W i 8ohm.

Då ligger det vid max effekt ca. 500mV ac över referensmotståndet vid 4 ohmsmätningen och ca. 260mV vid 8 ohm. Utg.imp ställd till 1.6ohm.

Jag var alltså lite väl optimistisk i mitt antagande tidigare. Dels når inte LM3886 i sig helt ut till raillen och dels sjunker matningsspänningen några volt och dels finns alltså också lite spänningsfall över referensmotståndet vid full effekt. Fullständigt som det ska vara.

Användarvisningsbild
IngOehman
 
Inlägg: 48470
Blev medlem: 2003-09-28
Ort: K-PAX via Tellus

Inläggav IngOehman » 2011-10-10 15:07

Flint skrev:IngOehman
Det där går nog fint. Blir nog aningen större kort bara. Bra bilder. Ett lyft mot de handritade. 8)

Jag fuskade ju och använda din ritning. Klart det blev snyggt. Själv är jag
dock van vid handritade saker.

Under min tid som elektronikkonstruktör åt Geotronics (geodetiska mätins-
trument) så var det faktiskt i början så att alla riktiga schemata gjordes av
underlagsgruppen, och jag ritade deras förlagor med blyerts på rutpapper.

Värst (bäst!) var kollegan Mikael Hertzman, som inte brydde sig med sådana
trivialiteter som att ange + och - på OP-ampingångarna. "Det ser man ju på
konstruktionen hur det måste vara!", brukade han säga, och jag höll ju med.

Ingen annan gjorde det.

Flint skrev:Utgångsfiltret satte jag själv på utgångskontakterna.

Fast skall allting fungera till fyllest med denna speciella förstärkare, så är det
bra med ett lite speciellt utgångsfilter som gör att motkopplingen fungerar i
rätt domän vid alla frekvenser, oavsett pot-inställning.


Vh, iö
Senast redigerad av IngOehman 2011-10-12 19:12, redigerad totalt 1 gång.
Fd psykoakustikforskare & ordf LTS. Nu akustiker m specialiteten
studiokontrollrum, hemmabiosar & musiklyssnrum. Även Ch. R&D
åt Carlsson och Guru, konsult åt andra + hobbyhögtalartillv (Ino).

Användarvisningsbild
IngOehman
 
Inlägg: 48470
Blev medlem: 2003-09-28
Ort: K-PAX via Tellus

Inläggav IngOehman » 2011-10-10 15:15

Flint skrev:Korten kanske är ett fall för Ola Hesselvall. Länk . IÖ och Hesselvall/Andersson har väl redan ett samarbete vad jag förstår. Jag ser helst att jag slipper och mina kort blir inte proffsiga. För mig har det räckt att dom fungerar. Om Ola gör korten blir dom spitzenkvalität eftersom han jobbar med den typen av cad eller åtminstone har gjort.

Jag har faktiskt redan talat med Ola om saken sådär lite ytligt. Spitzen-
kvalitet är ju aldrig fel. ;)

Flint skrev:Uteffekt.
Ska mäta den under dagen. Jag kör med en trafo på 2x17V i den här testkopplingen. Det borde ge nånstans 30W i 8ohm och 50W i 4ohm. Ska kollas.

Jag tycker sisådär +/- 30 volt är rätt så lagom. Och det kan man få med
t ex 2 * 22 V, 230 VA.


Vh, iö
Fd psykoakustikforskare & ordf LTS. Nu akustiker m specialiteten
studiokontrollrum, hemmabiosar & musiklyssnrum. Även Ch. R&D
åt Carlsson och Guru, konsult åt andra + hobbyhögtalartillv (Ino).

Användarvisningsbild
Flint
Rör om i grytan!
 
Inlägg: 20456
Blev medlem: 2004-07-11

Inläggav Flint » 2011-10-10 15:17

IngOehman skrev:.

Flint skrev:Utgångsfiltret satte jag själv på utgångskontakterna.

Fast skall allting fungera till fyllest med denna speciella förstärkare, så är det
bra med ett lite speciellt utgångsfilter som gör att motkopplingen fungerar i
rätt domän vid alla frekvenser, oavsett pot-inställning.

Jo, men mitt bygge är liasom en test av principen så nära jord man kan komma.
Filtret vara dessutom bara standard 10ohm/100nF över lasten.
Men jag inbillade mig att det påverkade lite,
men ingen blundtest blundades denna gång heller.

Användarvisningsbild
Flint
Rör om i grytan!
 
Inlägg: 20456
Blev medlem: 2004-07-11

Inläggav Flint » 2011-10-10 15:23

IngOehman skrev:
Flint skrev:Korten kanske är ett fall för Ola Hesselvall. Länk . IÖ och Hesselvall/Andersson har väl redan ett samarbete vad jag förstår. Jag ser helst att jag slipper och mina kort blir inte proffsiga. För mig har det räckt att dom fungerar. Om Ola gör korten blir dom spitzenkvalität eftersom han jobbar med den typen av cad eller åtminstone har gjort.

Jag har faktiskt redan talat med Ola om saken sådär lite ytligt. Spitzen-
kvalitet är ju aldrig fel. ;)

Flint skrev:Uteffekt.
Ska mäta den under dagen. Jag kör med en trafo på 2x17V i den här testkopplingen. Det borde ge nånstans 30W i 8ohm och 50W i 4ohm. Ska kollas.

Jag tycker sisådär +/- 30 volt är rätt så lagom. Och det kan man få med
t ex 2 * 22 V, 230 VA.


Vh, iö

Bra och instämmer. Med tanke på att du med all säkerhet kommer att göra en kommersiell sak av det är är det bäst att snacka med proffsen på en gång. Tycker därför också att det verkar lite fel att samla in pengar offentligt på forumet till det.

Användarvisningsbild
RogerGustavsson
 
Inlägg: 23964
Blev medlem: 2004-05-02
Ort: Huskvarna

Inläggav RogerGustavsson » 2011-10-10 15:59

Nu lär det väl knappast bli tal om några stora serier för just denna variant? Tycker det vore synd om det inte kunde erbjudas en liten byggsats, eller åtminstone lösa kretskort. En passande layout finns det ju tack vare Flint. Fast helst lite mera effekt i någon framtida version så att vi med Magnepan-högtalare får lite drag i stugorna!

Användarvisningsbild
Wolfie
Inrökt
 
Inlägg: 6531
Blev medlem: 2003-06-13
Ort: En vik i Barken

Inläggav Wolfie » 2011-10-10 19:04

Äre nån form av automagisk impedansanpassning ni snackar om? :D

Har bara skumläst lite fort här i tråden o tyckte att det där verkade ju intressant.
Inga anknytningar

Användarvisningsbild
celef
 
Inlägg: 16452
Blev medlem: 2003-06-28
Ort: helsefyr

Inläggav celef » 2011-10-10 19:39

Nu lär det väl knappast bli tal om några stora serier för just denna variant? Tycker det vore synd om det inte kunde erbjudas en liten byggsats, eller åtminstone lösa kretskort. En passande layout finns det ju tack vare Flint. Fast helst lite mera effekt i någon framtida version så att vi med Magnepan-högtalare får lite drag i stugorna!


jag skulle oxå vilja köpa en sådan där stärkare
Bikinitider

Användarvisningsbild
Strmbrg
Syftistikerad
 
Inlägg: 16481
Blev medlem: 2009-01-06

Inläggav Strmbrg » 2011-10-10 20:34

Wolfie skrev:Äre nån form av automagisk impedansanpassning ni snackar om? :D

Har bara skumläst lite fort här i tråden o tyckte att det där verkade ju intressant.


Slå gärna ihjäl mig, men jag undrar FORTFARANDE vad som avses åstadkommas med "allt detta".

Är det något hos Magneplanarerna som inte låter som det borde (med normal drivning)?

Om ja: Vad?

Om nej: Vad vill ni åstadkomma? Är det ett reellt problem som skall lösas?

Alla försök till kondenserade svar emotses med tacksamhet och spänning.

...Eller ström...
Till slut vet bara de insiktslösa hur precis allt hänger ihop.
De insiktsfulla har sedan länge förstått att de inte förstår allt.

Användarvisningsbild
Wolfie
Inrökt
 
Inlägg: 6531
Blev medlem: 2003-06-13
Ort: En vik i Barken

Inläggav Wolfie » 2011-10-10 20:44

Strmbrg: googla på effektanpassning :)

Såvitt jag kan utläsa av det lilla jag läst här så tror jag att de lärde spånar åt det hållet...
Inga anknytningar

Användarvisningsbild
IngOehman
 
Inlägg: 48470
Blev medlem: 2003-09-28
Ort: K-PAX via Tellus

Inläggav IngOehman » 2011-10-10 23:24

Jag vet inte om jag inkluderas i den skaran, men JAG har definitivt inte talat
om effektanpassning.

Att det skulle vara något särskilt bra, något att ha som mål alltså.

Effektanpassning för slutsteg brukar i själva verket vara en väg man skall
undvika att vandra, eftersom det leder till uppkomsten av mer eller mindre
kortlivade slutsteg (effektanpassning går ut på att maximera effektuttaget
genom att välja lämplig last(inte driv-)impedans). ;)

- - -

Och skall man vara rimligt noga så är det ju dessutom bara tok att alls tala
om effektanpassning (som det dels inte handlar om här eftersom man får
ut samma effekt oavsett vilket när det är en virtuell impedans man skapar,
och dessutom så är det som diskussionerna kommit närmast här, snarast
impedans-anpassing, vilket inte heller är något rationellt mål) in i frekvens-
beroende impedanser.

Men oavsett allt annat så handlar effektanpassning bara om att välja opti-
mal lastimpedans, inte om att välja drivimpedans. Så det är om något en
högtalarfråga - och det har hur som helst inget med vad som talats om i
den här tråden.

- - -

Men vad har tråden handlat om då?

Jo om möjligheter. Och då är det såhär:

Vad man kan göra är att styra antingen spänningen så noga man kan, eller
strömmen så noga man kan, eller någon blandning däremellan.

Och förvisso är det så att en av dessa möjliga blandningar kommer, in i en
specifik högtalare, att ge mindre skillnader mellan olika frekvenser, med av-
seende på hur stor effekt som körs in i högtalaren, men det finns inget skäl
att tro att just den blandningen är "den bästa". ;)

Frekvensberoende ineffekt är inget egenvärde. Snarare så kan det vara ett
stort problem.

- - -

Det som gör att vissa högtalare låter bättre med någon specifik blandning
inrattad än med ren spänningsstyrning, har med helt andra saker att göra.

Olika från exempel till exempel dessutom. Så vill man diskutera sådant så
är det nog något man bör göra med inriktning på specifika fall, fall som man
först har analyserat noga. Gissningslekar är nog inte så meningsfulla. Och vi
har inget fall ännu.


Vh, iö
Fd psykoakustikforskare & ordf LTS. Nu akustiker m specialiteten
studiokontrollrum, hemmabiosar & musiklyssnrum. Även Ch. R&D
åt Carlsson och Guru, konsult åt andra + hobbyhögtalartillv (Ino).

Användarvisningsbild
IngOehman
 
Inlägg: 48470
Blev medlem: 2003-09-28
Ort: K-PAX via Tellus

Inläggav IngOehman » 2011-10-10 23:59

Flint skrev:
IngOehman skrev:
Flint skrev:Korten kanske är ett fall för Ola Hesselvall. Länk . IÖ och Hesselvall/Andersson har väl redan ett samarbete vad jag förstår. Jag ser helst att jag slipper och mina kort blir inte proffsiga. För mig har det räckt att dom fungerar. Om Ola gör korten blir dom spitzenkvalität eftersom han jobbar med den typen av cad eller åtminstone har gjort.

Jag har faktiskt redan talat med Ola om saken sådär lite ytligt. Spitzen-
kvalitet är ju aldrig fel. ;)

Flint skrev:Uteffekt.
Ska mäta den under dagen. Jag kör med en trafo på 2x17V i den här testkopplingen. Det borde ge nånstans 30W i 8ohm och 50W i 4ohm. Ska kollas.

Jag tycker sisådär +/- 30 volt är rätt så lagom. Och det kan man få med
t ex 2 * 22 V, 230 VA.


Vh, iö

Bra och instämmer. Med tanke på att du med all säkerhet kommer att göra en kommersiell sak av det är är det bäst att snacka med proffsen på en gång. Tycker därför också att det verkar lite fel att samla in pengar offentligt på forumet till det.

Nej jag har inget intresse av att göra något kommersiellt med det hela,
och har inte tänkt en tanke i den riktningen*.


Men jag hoppas att andra har det, eftersom det troligen finns dom som
skulle ha glädje av en sådan förstärkare. Jag skriver troligen, för jag ser
ett behov av att undersöka det ordentligt först.

Med tanke på att några proffs redan hört av sig kanske man skall låta
dem stå för förstudien också (som förhoppningsvis kommer att ge svar
på om detta är något att satsa på alls)? Men jag kan tycka att det känns
fel att dra in dem utan att ens ha gjort några förstudier, och jag skulle ju
definitivt ha tyckt att det varit mycket roligare om en sådan skett "här".
Om födelsen av en ny förstärkarteknik hade varit ett samarbetsprojekt
på faktiskt, som gjorts möjligt av faktiskt's medlemmar.

Men, men.

Jag drar mig ur det hela jag också och ber att få tacka för mig i tråden.
Det blev inte riktigt vad jag hoppades på.


Vh, iö

- - - - -

*Innan du skrev det. Fast nu känner jag mig nästan sugen att se till så
att det blir något av det, på något sätt. Kanske sponsra allting själv och
sen hitta en tillverkare att ge bort idén till.
Fd psykoakustikforskare & ordf LTS. Nu akustiker m specialiteten
studiokontrollrum, hemmabiosar & musiklyssnrum. Även Ch. R&D
åt Carlsson och Guru, konsult åt andra + hobbyhögtalartillv (Ino).

Användarvisningsbild
IngOehman
 
Inlägg: 48470
Blev medlem: 2003-09-28
Ort: K-PAX via Tellus

Inläggav IngOehman » 2011-10-11 00:16

PS. Admin får gärna stänga tråden.


Vh, iö
Fd psykoakustikforskare & ordf LTS. Nu akustiker m specialiteten
studiokontrollrum, hemmabiosar & musiklyssnrum. Även Ch. R&D
åt Carlsson och Guru, konsult åt andra + hobbyhögtalartillv (Ino).

Användarvisningsbild
Ragnwald
 
Inlägg: 17608
Blev medlem: 2005-02-13
Ort: Gotland

Inläggav Ragnwald » 2011-10-11 00:19

Har inte Bjørn Erik Edvardsen några patent som tangerar detta ämne?
Den som vet mest, tror minst.

Användarvisningsbild
KarlXII
Dussinmänniska
 
Inlägg: 28546
Blev medlem: 2007-02-17
Ort: Himlafiket

Inläggav KarlXII » 2011-10-11 00:30

IngOehman skrev:PS. Admin får gärna stänga tråden.


Vh, iö


Vi kan väl hålla öppet ett tag till och hoppas att sista ordet inte är sagt ännu? :)
Vore synd om denna fina diskussion skulle sluta så snöpligt, tycker jag.
Vi lyssnar lite på andras synpunkter och argument och ser vad som händer.
T H E. G O O S E B U M P. F A C T O R

Användarvisningsbild
Wolfie
Inrökt
 
Inlägg: 6531
Blev medlem: 2003-06-13
Ort: En vik i Barken

Inläggav Wolfie » 2011-10-11 06:53

Ahh då var jag ute o cyklade lite, det har hänt förr och lär hända igen :lol:

Låter jättetråkigt om det hela bara skulle dö ut :(

Jag är beredd att hjälpa med lite pengar om det skulle kunna dra igång
det hela igen :D
Inga anknytningar

Användarvisningsbild
Wolfie
Inrökt
 
Inlägg: 6531
Blev medlem: 2003-06-13
Ort: En vik i Barken

Inläggav Wolfie » 2011-10-11 07:01

IngOehman skrev:Jag vet inte om jag inkluderas i den skaran
...


Det gör du definitivt!

IngOehman skrev:Effektanpassning för slutsteg brukar i själva verket vara en väg man skall
undvika att vandra, eftersom det leder till uppkomsten av mer eller mindre
kortlivade slutsteg (effektanpassning går ut på att maximera effektuttaget
genom att välja lämplig last(inte driv-)impedans). ;)


Väldigt sant, ibland ska man tänka ett steg längre (fast jag hade förstås
inte läst så noga i tråden heller) ;)

IngOehman skrev:...
dessutom så är det som diskussionerna kommit närmast här, snarast
impedans-anpassing, vilket inte heller är något rationellt mål) in i frekvens-
beroende impedanser.


Ja du ser, då var jag i alla något rätt i spåret mitt :lol:
Avsikten med den självjusterande impedansanpassningen förmodar jag
skulle kunna fungera som så att man får effekt tillskottet mindre frekvens-beroende?
Det är kanske heller inte avsikten, jag bara spånar för jag tycker det
hela låter spännande :D
Inga anknytningar

Användarvisningsbild
Flint
Rör om i grytan!
 
Inlägg: 20456
Blev medlem: 2004-07-11

Inläggav Flint » 2011-10-11 07:40

KarlXII skrev:
IngOehman skrev:PS. Admin får gärna stänga tråden.


Vh, iö


Vi kan väl hålla öppet ett tag till och hoppas att sista ordet inte är sagt ännu? :)
Vore synd om denna fina diskussion skulle sluta så snöpligt, tycker jag.
Vi lyssnar lite på andras synpunkter och argument och ser vad som händer.

Eftersom idén är IngOehmans tycker jag att det är på hans ansvar att ta fram en fungerande maskin. Jag har bara testat principen och redovisat mina intryck och om det har inneburit någon form av reklam får var och en avgöra. Jag gjorde tidigt klart att där slutar mina åtaganden men jag har under "tvång" medgivit att jag i värsta fall men motvilligt kan fräsa fram några kretskort. Nu verkar vinklingen vara att projektet faller på om inte jag bygger ett steg men jag kan aldrig tro att jag är ensam i Sverige om att kunna ta fram ett enkelt litet slutsteg och ett kretskort med en extra pott i motkopplingsslingan för demo. Om inte IngOehman anser sig klara det känner han säkert någon som kan det. Felet om projektet stannar här är alltså inte mitt och jag tänker även i fortsättningen jobba för att behålla det positiva samarbetsklimatet. Idén är värd att provas. Den färgning det bidrar med är mycket musikalisk. Jag gilar den skarpt. Låter mycket likt ett rörsteg. Hur lika får framtiden visa.

Nästa

Återgå till Generellt om hifi


Vilka är online

Användare som besöker denna kategori: Inga registrerade användare och 19 gäster