Jag har byggt ett nätaggregat som jag skall använda i min mätapparat Matrojig. Som avnligt namnger jag också nätaggregatet ifall jag bygger fler så jag kan hålla reda på dem.
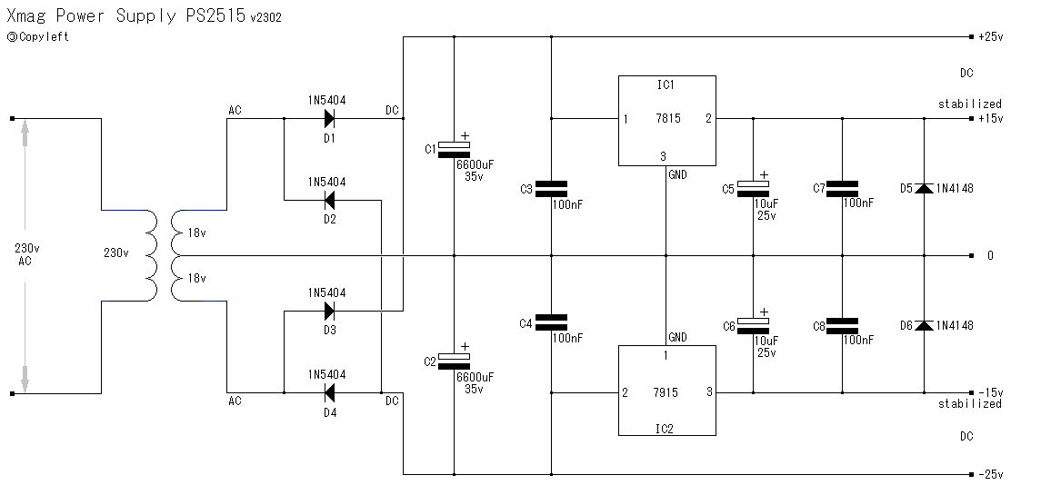
Den ger 27-0-27 Volt ostabbat
Den ger 15-0-15 Volt stabbat
Kopplingsschema:

- 2023-02-14 1105 Kopplingsschema.png (12.23 KiB) Visad 4160 gånger
Komponentplaceringsschema (eller vad jag skall kalla det?):

- nätaggregat 25-0-25.png (12.68 KiB) Visad 4160 gånger
Följande bilder är utvalda från bygget:

- 20230106_213031.jpg (145.01 KiB) Visad 4160 gånger

- 20230106_231343.jpg (129.9 KiB) Visad 4160 gånger

- 20230106_231731.jpg (138.77 KiB) Visad 4160 gånger

- 20230107_231833.jpg (158.51 KiB) Visad 4157 gånger

- 20230218_163854.jpg (207.1 KiB) Visad 4160 gånger

- 20230219_185447.jpg (154.9 KiB) Visad 4160 gånger