Märkligt delningsfilter?

Hur funkar tekniken bakom bra hifi?

Moderator: Redaktörer

Användarvisningsbild
manger
 
Inlägg: 1931
Blev medlem: 2006-02-18
Ort: Sydkusten

Märkligt delningsfilter?

Inläggav manger » 2006-08-15 22:50

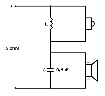
Håller som bäst på med att renovera mina fina gamla Bang & Olufsen CX50.
Bild
Skumgummiupphängningen på baselementet har desintegrerat till damm och tuggummi så nya har införskaffats. När jag ändå är inne och rotar i burkarna så tänkte jag passa på att byta kondensatorerna. För att inte göra bort mig så ritade jag av delningsfiltret. :wink:
Bild
Jag tycker det ser märkligt ut... Om det är ett första ordningens filter så ska väl spolen ligga i serie med basen och kondensatorn i serie med diskanten, inte parallellt? Är det nån som kan förklara varför det ser ut som det gör? 8O
semper simplicissima solutio

Användarvisningsbild
paa
Sökaren
 
Inlägg: 36043
Blev medlem: 2005-01-10

Re: Märkligt delningsfilter?

Inläggav paa » 2006-08-15 23:02

manger skrev:Jag tycker det ser märkligt ut... Om det är ett första ordningens filter så ska väl spolen ligga i serie med basen och kondensatorn i serie med diskanten, inte parallellt? Är det nån som kan förklara varför det ser ut som det gör? 8O
Se ut som ett andra ordningens filter. Undrar om inte den där layouten kallas seriefilter, men kan minnas fel. På detta sätt kan komponenterna göra sin verkan i båda elementen, vilket spar komponenter och pengar.
Medlem på forumet för hifi; Faktiskt.se, numera Faktiskt.io sedan jan 10, 2005
Numera pensionär.
Vi har sålt Sonic Design till Winn Scandinavia, vilka driver bl.a Ljudfokus och BRL.

Användarvisningsbild
Jocke
 
Inlägg: 6762
Blev medlem: 2005-09-21

Inläggav Jocke » 2006-08-15 23:33

Visst, paa! Seriefilter måste det vara! B&O har ännu mer fantastiska filter på sitt samvete. Tex en konstruktion med 2x12dB i fas dvs total utsläckning vid delningsfrekvensen samt ett element som "filler" som bara spelar vid delningsfrekvensen!

/Jocke

Användarvisningsbild
Svante
Audiot!
 
Inlägg: 37552
Blev medlem: 2004-03-03
Ort: oakustisk

Inläggav Svante » 2006-08-16 00:37

Det är ett första ordningens seriefilter. Det hyllas ibland för att vara robust mot fel i komponentvärden. Resonemanget brukar gå ungefär så här:

Antag att elementen är ideala med rak tonkurva både inom och utom sina arbetsområden. Antag vidare att elementen är på samma avstånd från mikrofonen och att ekofrihet råder. I sådana fall kommer ljuden från de två elementen att summeras utan rakt av. Summaljudet blir proportionellt mot summan av de två spänningar som man lägger på elementen. Tittar man i schemat ser man att summan av de två spänningarna är drivspänningen. Alldeles oberoende av värdena på L och C (!).

Kruxet med filtret är att idén bara funkar för första ordningens filter (den här), högre branthet ger samma "problem" som parallellfilter ger. Sen är ju inte elementen ideala i spärrbanden så förutsättningarna faller litegrann. Vidare har man ingen möjlighet att göra de små tonkurvejusteringar som man ofta vill göra i delningsfiltret, pga icke ideala element, baffelsteg eller vad det nu kan vara. Parallellfiltren är helt enkelt enklare att få att uppträda som man vill. 1:a ordnngens seriefilter kanske kan vara användbart för nybörjaren, men jag vet inte ändå, så svårt är det ju inte att beräkna ett kokboksförstaordningensfilter.
Så länge har jag längat efter att loudness war skulle vara över. Nu börjar jag tro att vi faktiskt är där. Kruxet är att vi förlorade.

Användarvisningsbild
manger
 
Inlägg: 1931
Blev medlem: 2006-02-18
Ort: Sydkusten

Inläggav manger » 2006-08-16 07:53

Tack för svaren! Man lär sig något nytt varje dag! :D
Men jag tror inte att jag orkar koka ihop nåt nytt bättre filter, jag får lita på att killarna i Struer (Danmark) tänkte rätt den gången... :wink:
semper simplicissima solutio

Användarvisningsbild
soundbrigade
Inaktiverad
 
Inlägg: 25219
Blev medlem: 2005-10-29
Ort: STREJKAR

Inläggav soundbrigade » 2006-08-17 17:47

Svante skrev:Kruxet med filtret är att idén bara funkar för första ordningens filter (den här), högre branthet ger samma "problem" som parallellfilter ger. Sen är ju inte elementen ideala i spärrbanden så förutsättningarna faller litegrann. Vidare har man ingen möjlighet att göra de små tonkurvejusteringar som man ofta vill göra i delningsfiltret, pga icke ideala element, baffelsteg eller vad det nu kan vara. Parallellfiltren är helt enkelt enklare att få att uppträda som man vill. 1:a ordnngens seriefilter kanske kan vara användbart för nybörjaren, men jag vet inte ändå, så svårt är det ju inte att beräkna ett kokboksförstaordningensfilter.

Man kan väl göra 2a ordningens genom att sätt ett L eller C i serie med elementet.
Annan kritik är att filtret läcker, dvs det flyter ström genom L + C vilken alltså INTE passerar elementen och man missar därmed en del effekt.
Att bara prata med dem som tycker som en själv är grundreceptet för att bli riktigt dum i huvudet.
Bo Rothstein, professor i statsvetenskap

Användarvisningsbild
Jax
Slacktivist/Admin
 
Inlägg: 7048
Blev medlem: 2003-12-12
Ort: ogonal

Inläggav Jax » 2006-08-17 17:59

soundbrigade skrev:Annan kritik är att filtret läcker, dvs det flyter ström genom L + C vilken alltså INTE passerar elementen och man missar därmed en del effekt.

Vid serieresonansfrekvensen ja.
- Militant slacker

Användarvisningsbild
manger
 
Inlägg: 1931
Blev medlem: 2006-02-18
Ort: Sydkusten

Inläggav manger » 2006-08-17 19:08

Satte ihop högtalarna i går kväll och dom låter i alla fall förbaskat bra. Dom kommer nog att låta lännu bättre när baselementen fått arbeta lite till... :D Förutom nya och hela baselement så gjorde nog bytet till nyare och bättre kondensatorer den största skillnaden.

Det där seriefiltret (en elegant minimalistisk lösning tycker jag) kräver väl att elementen uppför sig ganska hyfsat från början om man ska använda ett 1:a ordningens filter? Frågan är om ett väl genomarbetat 2:a eller 3:e ordningens filter med ev. kompensationer skulle ge någon förbättring eller om det bara skulle kostar mer i komponenter... :?

(§10. Never "fix" something that isn't broken!)
semper simplicissima solutio

Användarvisningsbild
soundbrigade
Inaktiverad
 
Inlägg: 25219
Blev medlem: 2005-10-29
Ort: STREJKAR

Inläggav soundbrigade » 2006-08-17 20:09

Bara för att svara på frågan om seriefilter skickade jag upp lite skisser på olika (serie/parallell 6/12/18dB) filter med formler.
Parallellfilter (standard)
http://www.pastisch.se/faktiskt/delningsfiler1.jpg
Seriefilter
http://www.pastisch.se/faktiskt/delningsfiler2.jpg
Formlerna
http://www.pastisch.se/faktiskt/delningsfiler3.jpg
Att bara prata med dem som tycker som en själv är grundreceptet för att bli riktigt dum i huvudet.
Bo Rothstein, professor i statsvetenskap

Användarvisningsbild
Svante
Audiot!
 
Inlägg: 37552
Blev medlem: 2004-03-03
Ort: oakustisk

Inläggav Svante » 2006-08-17 22:53

Jax skrev:
soundbrigade skrev:Annan kritik är att filtret läcker, dvs det flyter ström genom L + C vilken alltså INTE passerar elementen och man missar därmed en del effekt.

Vid serieresonansfrekvensen ja.


Nej faktiskt inte alls. Åtminstone inte i en förenklad värld där högtalarna modelleras med resistanser. Väljer man C=L/R² så blir impedansen man ser från förstärkaren exakt R. Kopplar man däremot bort båda lasterna (tex genom att man poppar sönder dem) så blir impedansen väldigt låg vid serieresonansen, den blir spolens (och ev kondingens) inbyggda resistens.

Impedansen sett från förstärkaren blir fö likadan om man tar ett parallellfilter, med C i serie med diskanen (med resistiv impedans R) och L i serie med basen (lika resistiv den med) och väljer C=L/R², då blir också impedansen R för alla frekvenser.

...vilket i sin tur är "samma sak" som man gör med en konjugatlänk.
Så länge har jag längat efter att loudness war skulle vara över. Nu börjar jag tro att vi faktiskt är där. Kruxet är att vi förlorade.

Användarvisningsbild
Svante
Audiot!
 
Inlägg: 37552
Blev medlem: 2004-03-03
Ort: oakustisk

Inläggav Svante » 2006-08-17 22:56

soundbrigade skrev:Man kan väl göra 2a ordningens genom att sätt ett L eller C i serie med elementet.


Ja, precis som du visade i dina bilder. Men då förlorar man den där självjusterande komponenttoleransidén.
Så länge har jag längat efter att loudness war skulle vara över. Nu börjar jag tro att vi faktiskt är där. Kruxet är att vi förlorade.

Användarvisningsbild
manger
 
Inlägg: 1931
Blev medlem: 2006-02-18
Ort: Sydkusten

Inläggav manger » 2006-08-17 23:05

Svante skrev:Men då förlorar man den där självjusterande komponenttoleransidén.

8O Hur fungerar den idén? Förklara...
semper simplicissima solutio

Användarvisningsbild
Svante
Audiot!
 
Inlägg: 37552
Blev medlem: 2004-03-03
Ort: oakustisk

Inläggav Svante » 2006-08-17 23:08

manger skrev:
Svante skrev:Men då förlorar man den där självjusterande komponenttoleransidén.

8O Hur fungerar den idén? Förklara...


Jamen det gjorde jag ju i mitt första inlägg... :roll:
Så länge har jag längat efter att loudness war skulle vara över. Nu börjar jag tro att vi faktiskt är där. Kruxet är att vi förlorade.

Användarvisningsbild
soundbrigade
Inaktiverad
 
Inlägg: 25219
Blev medlem: 2005-10-29
Ort: STREJKAR

Inläggav soundbrigade » 2006-08-18 08:19

Svante skrev:Nej faktiskt inte alls. Åtminstone inte i en förenklad värld där högtalarna modelleras med resistanser. Väljer man C=L/R² så blir impedansen man ser från förstärkaren exakt R. Kopplar man däremot bort båda lasterna (tex genom att man poppar sönder dem) så blir impedansen väldigt låg vid serieresonansen, den blir spolens (och ev kondingens) inbyggda resistens.

Eller var det tvärtom att den ström som "gled förbi" ena elementet styrdes in på det andra?? Ah, strunt samma.
Jag har väl använt båda typerna av filter i mina dar.
Att bara prata med dem som tycker som en själv är grundreceptet för att bli riktigt dum i huvudet.
Bo Rothstein, professor i statsvetenskap

Användarvisningsbild
manger
 
Inlägg: 1931
Blev medlem: 2006-02-18
Ort: Sydkusten

Inläggav manger » 2006-08-18 09:36

Svante skrev:Jamen det gjorde jag ju i mitt första inlägg... :roll:

Sorry! :oops: Men det lät så spännande med den "självjusterande komponenttoleransidén"...
semper simplicissima solutio

Användarvisningsbild
Svante
Audiot!
 
Inlägg: 37552
Blev medlem: 2004-03-03
Ort: oakustisk

Inläggav Svante » 2006-08-18 09:37

manger skrev:
Svante skrev:Jamen det gjorde jag ju i mitt första inlägg... :roll:

Sorry! :oops: Men det lät så spännande med den "självjusterande komponenttoleransidén"...


:)
Så länge har jag längat efter att loudness war skulle vara över. Nu börjar jag tro att vi faktiskt är där. Kruxet är att vi förlorade.

Användarvisningsbild
Jocke
 
Inlägg: 6762
Blev medlem: 2005-09-21

Inläggav Jocke » 2006-08-18 10:42

Det har sagts att seriefilter har en benägenhet att "ringa" och att det därför skulle vara säkrare för oss amatörer att använda parallellfilter - kan det stämma?

/Jocke

Användarvisningsbild
Svante
Audiot!
 
Inlägg: 37552
Blev medlem: 2004-03-03
Ort: oakustisk

Inläggav Svante » 2006-08-18 10:49

Jocke skrev:Det har sagts att seriefilter har en benägenhet att "ringa" och att det därför skulle vara säkrare för oss amatörer att använda parallellfilter - kan det stämma?

/Jocke


Jag vet inte, det måste man nog titta på varje enskild applikation, det går knappast att säga att det generellt är så.

Men jag är som sagt ingen anhängare av seriefilter, de blir nästan jämt bara krångligare att dimensionera.
Så länge har jag längat efter att loudness war skulle vara över. Nu börjar jag tro att vi faktiskt är där. Kruxet är att vi förlorade.

Användarvisningsbild
paa
Sökaren
 
Inlägg: 36043
Blev medlem: 2005-01-10

Inläggav paa » 2006-08-20 10:55

Det avbildade seriefiltret kallas "quasi second-order network" i Dickasons bok och "Less-Than-Second Order" i ett AES preprint:
http://www.aes.org/e-lib/browse.cfm?elib=9927
Medlem på forumet för hifi; Faktiskt.se, numera Faktiskt.io sedan jan 10, 2005
Numera pensionär.
Vi har sålt Sonic Design till Winn Scandinavia, vilka driver bl.a Ljudfokus och BRL.

Användarvisningsbild
Jocke
 
Inlägg: 6762
Blev medlem: 2005-09-21

Inläggav Jocke » 2006-08-20 12:11

paa skrev:Det avbildade seriefiltret kallas "quasi second-order network" i Dickasons bok och "Less-Than-Second Order" i ett AES preprint:
http://www.aes.org/e-lib/browse.cfm?elib=9927


Jag kan tänka mig en sådan benämning. Har för mig att jag räknade på det "i fördatorisk tid" och kom fram till en högre dämpning än ett parallellt filter av första ordningen. Vet inte riktigt hur det gick till för det har ju gått några år. Intressant vore det om det stämde. Ett 1:a ordningens filter med liten fasförskjutning och brantare "rolloff" än ett vanligt 6dB-filter.

/Jocke

Användarvisningsbild
paa
Sökaren
 
Inlägg: 36043
Blev medlem: 2005-01-10

Inläggav paa » 2006-08-20 12:30

Vore kul om någon orkade lägga upp en simulering på ett sånt "quasi second-order network" även om det kanske är lite mycket begärt när jag själv inte har tid (orkar).
Medlem på forumet för hifi; Faktiskt.se, numera Faktiskt.io sedan jan 10, 2005
Numera pensionär.
Vi har sålt Sonic Design till Winn Scandinavia, vilka driver bl.a Ljudfokus och BRL.

Användarvisningsbild
Jocke
 
Inlägg: 6762
Blev medlem: 2005-09-21

Inläggav Jocke » 2006-08-20 13:15

Visst!

Det vore intressant att få reda på om man kan behålla de "självreglerande" goda egenskaperna om man lägger till en länk för brantare högpass, baffelkompensering eller konjugatlänk. Tycker att det här filtret skulle ha möjlighet att utvecklas. Vill inte heller tro att de goda förutsättningarna helt försvinner om man "förbättrar det"!

Någon som har erfarenhet?

/Jocke

Användarvisningsbild
Svante
Audiot!
 
Inlägg: 37552
Blev medlem: 2004-03-03
Ort: oakustisk

Inläggav Svante » 2006-08-20 13:20

Jocke skrev:Visst!

Det vore intressant att få reda på om man kan behålla de "självreglerande" goda egenskaperna om man lägger till en länk för brantare högpass, baffelkompensering eller konjugatlänk. Tycker att det här filtret skulle ha möjlighet att utvecklas. Vill inte heller tro att de goda förutsättningarna helt försvinner om man "förbättrar det"!

Någon som har erfarenhet?

/Jocke


Inte erfarenhet, men förstånd... :D De självreglerande egenskaperna finns bara i seriedelen, dvs de vänstraste L och C. Den andra delen är ju närmast som ett påkopplat parallellfilter på det första seriefiltret.
Så länge har jag längat efter att loudness war skulle vara över. Nu börjar jag tro att vi faktiskt är där. Kruxet är att vi förlorade.

Användarvisningsbild
SlaitH
 
Inlägg: 755
Blev medlem: 2003-11-09
Ort: Stenungsund

Inläggav SlaitH » 2006-09-01 12:49

Tjena

Jag har byggt ett gäng seriefilter och jag måste hålla med om att de kan vara svåra att dimensionera ...jag simulerade fram ett nytt filter till HFLS-1
Det blev 2:a ordnigen för diskant och 3:e ordningen för bas/mellan.

Nu har jag inte mätt upp det ännu (mätro-1 blev klar i förrgår).

Men vad jag upplevde när jag kopplade in filtret i förhållande till orginal.
Det var att allt blev transparantare. Men detta kan vara en psykisk effekt som jag upplevde eftersom jag är väldigt inne på serifilter.

Jag har ej heller kunnat göra ett ab test, med switch ...det kommer det med.

En vän till mig har en del kontakt med en av konstruktörerna på QRS och enligt honom så bygger de med seriefilter.
Vad han har kommit fram till är att de är lätta att få "ok" ...men för att få dem jättebra så måste man lägga ner en hel del jobb och mäta mycket.
När detta väl är gjort så låter de riktigt riktigt bra.

Manger: om du vill göra ett litet test kan du lägga in baffelstep kompensation. Detta är jättelätt att göra.
Det är bara att lägga en spole efterbasen innan kondensatorn.
Jag har läst rekomendationer mellan 1-2 mH.
Men det kan variera

Jag tycker att det finns ett allmänt motstånd mot seriefilter principen. Varför vet jag inte men det kan ju ha med att göra att det känns som om de är svåra att dimensionera ....lite Hokus pokus.
Men ändå verkar det vara få som har provat att bygga ett och testat.

Jag ska försöka mäta upp mina HFLS-1 så att jag kan se vad filtret gör.

Får be att återkomma mina herrar.

Tack för ordet

mvh

Patrik

Användarvisningsbild
Martin
Vågledaren/redaktör
 
Inlägg: 10118
Blev medlem: 2003-08-24
Ort: Nykvarn

Inläggav Martin » 2006-09-01 13:10

SlaitH: Det går säkert att få seriefilter att låta jättebra, men är man som jag intresserad av att åstadkomma en viss funktion med filtret. Att det ska funka på ett förutbestämt ändamålsenligt sätt och då har man mer möjligheter att göra detta med parallellfilter. Det finns såklart undantag, det beror helt på vad man vill göra. Det finns tex en metod för att implementera olika gränsfrekvens hos basarna i en 2.5-vägare utan att få de vanliga problemen med felaktig lobing pga fasskillnaden mellan elementen som involverar en slags seriekoppling av elementen.

Jag tror inte att seriefilter har några mystiska inbyggda egenskaper som vi inte kan förstå som gör att det låter bättre. Det beror helt och hållet på vad filtret behöver ha för egenskaper. Oftast är det flexiblare och man har större möjligheter med parallella filter.

Välkommen till forumet förresten!

Användarvisningsbild
manger
 
Inlägg: 1931
Blev medlem: 2006-02-18
Ort: Sydkusten

Inläggav manger » 2006-09-01 13:53

SlaitH skrev:Manger: om du vill göra ett litet test kan du lägga in baffelstep kompensation. Detta är jättelätt att göra.
Det är bara att lägga en spole efterbasen innan kondensatorn.
Jag har läst rekomendationer mellan 1-2 mH.
Men det kan variera


OK! 8O Vad är/gör en baffelstep kompensation?
semper simplicissima solutio

Användarvisningsbild
SlaitH
 
Inlägg: 755
Blev medlem: 2003-11-09
Ort: Stenungsund

Inläggav SlaitH » 2006-09-02 20:09

Manger jag hittade ingen riktigt bra förklaring ...det talas lite om det i länken här nedan
http://www.faktiskt.se/modules.php?name=Forums&file=viewtopic&p=228093

Annars tror jag att Svante kan en hel del om teorin bakom just detta fenomen.

Tack martin ...jag har varit medlem ett tag men jag har inte känt att jag behöver lägga mig i diskussionerna speciellt ofta, mest pga att jag inte har tillräckligt att tillföra.

Skälvklart är de ganska svåra att implementera och man kan som du säger inte alltid få sina element att göra som man vill.
Men överallt som man läser om just seriefilter så går det många gånger ut på att välja sina element med stor noggranhet. Då kan man få till det väldigt bra.

Jag antar att den ökände Tony Gee är bekant?
Jag säger inte att han är bara den som man ska gå efter.
Men om du kolla hans hemsida, så kan du se att han har gjort en hel del rätt så rejäla byggen och han använder nästan bara serifilter.

Men det är naturligtvis upp till var och en.

Jag har gjort en del mätningar idag ....typ hela dan på alla möjliga högtalare.
Här är Hfls-1 med 1oct smoothing ...men jag har med mindre smooth om det skulle vara intressant.
Fundera inte över att det inte stämmer med typ 80db eller så jag kör runt noll det funkar det med.

Bild

Och här är filter principen jag har använt.

Bild

Manger Baffelstegskompensationen är L2 på bilden. Den funkar även för att göra filtret brantare.

Hoppas att bilderna funkar.

Som det är nu så börjar klockan bli lite så jag har inte hunnit lyssn anåt på filtret, men skillnaden är inte så stor mot vad jag hade innan.

Det verkar som om delningsfrekvensen hamnade på en bit över 2.2khz
2:a ordningen på diskanten
3:e på basen. Om man kollar extra blir Zobel filtret som en ordning.

Ska lyssna lite i veckan om jag hinner, riktigt mycket på jobbet nu.

Återkom gärna med kommentarer ...det är alltid välkommet.

tack för ordet

mvh

Patrik


Återgå till Teknikforum


Vilka är online

Användare som besöker denna kategori: Google [Bot] och 20 gäster