Mäta högtalare och rum - diy mätutrustning frågor

Hemmapulare debatterar lämpligen i detta forum.

Moderator: Redaktörer

Användarvisningsbild
aisopos
 
Inlägg: 3648
Blev medlem: 2011-11-20
Ort: ogonal

Mäta högtalare och rum - diy mätutrustning frågor

Inläggav aisopos » 2014-05-05 13:51

Nuså.
Då har jag en preamp och en mic, då är det bara resten. :roll:

Nu kommer alla frågorna här.

Jag har märkt att mätmickar ofta är/består av ett långt tunnt rör där kapseln sitter längst fram.
Detta kan jag anta beror på att man inte vill få ljud som studsar mot själva utrustningen och bidrar med annat än det som ska mätas. Korrekt?

Finns det några bra saker att tänka på vid utformandet? Nu när jag ska göra ett sådant här själv.

T.ex. hur långt röret isåfall bör vara...?
Senast redigerad av aisopos 2014-05-05 15:08, redigerad totalt 1 gång.

Användarvisningsbild
schmutziger
Felfasarn
 
Inlägg: 3165
Blev medlem: 2005-04-12

Re: Mäta högtalare och rum - frågor

Inläggav schmutziger » 2014-05-05 14:41

Är det Panasonic kapsel vi pratar om?
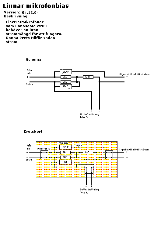
Linnar har/hade en fantastiskt fin guide. Tror tyvärr att hans sida är borta.
http://www.linnaraudio.com

25cm långt alurör har jag för mig det rekomenderades.
sen en rca-hona som man klämmer in kapseln i och så var där lite skum o så för att inte få kortis.
blir väldigt fint och var enkelt att göra.
testa om något finns kvar via web.archive.org eller harva faktiskt, hififorum och diyaudio för beskrivningar.

Användarvisningsbild
aisopos
 
Inlägg: 3648
Blev medlem: 2011-11-20
Ort: ogonal

Re: Mäta högtalare och rum - diy mätutrustning frågor

Inläggav aisopos » 2014-05-05 15:14

Ja Linnars utomordentliga byggbeskrivning har jag läst någon gång förut, och tänkte försöka härma det på ett ungefär.
Men som du skriver så är alla bilder borta, både på faktiskt och hififorum. :(

Det går i alla fall att utläsa i någon av de trådarna att Linnar väljer ett 200mm alu-rör. Men om det finns några speciella skäl till denna längd framgår ej.

Det skulle öht vara trevligt att få chansen att finna den tråden med alla bilder i behåll, för att insupa inspiration och tips.

Användarvisningsbild
aisopos
 
Inlägg: 3648
Blev medlem: 2011-11-20
Ort: ogonal

Re: Mäta högtalare och rum - diy mätutrustning frågor

Inläggav aisopos » 2014-05-07 23:59

Nu har jag fixat till bilderna i Linnars byggtråd:
viewtopic.php?f=3&t=36692

Hur blir det nu om jag bygger en mick enligt denna beskrivning, är det allt jag behöver, funkar bra både till att mäta rum som på högtalare?

Är det öht en lämplig utformning?



Att jag frågar så mycket beror ju helt enkelt på att det blir liksom en hel del jobb med allt, så jag försöker se till att inte göra allt för mycket fel så det måste göras om ... :)

Användarvisningsbild
schmutziger
Felfasarn
 
Inlägg: 3165
Blev medlem: 2005-04-12

Re: Mäta högtalare och rum - diy mätutrustning frågor

Inläggav schmutziger » 2014-05-08 07:07

du behöver göra en lite mic förstärkare med.
som denna kanske:
VIKTIGT, MAX 9V!! annars bränner du kapseln
Bild

Det blir en bra mic.
ang 20-25cm så är det till stor del för att komma bort från närliggande reflekterande ytor och den får gärna vara längre men inte mycket kortare om jag kommer ihåg rätt.
Det enda som kanske är lite negativt med wm61 är att den i original inte klarar av särskilt höga ljudtryck, det finns dock sätt att korrigera detta.
Finns guide på linkwitzlab.com, man ksa skära av ledningsbanan på kapsel o hålla på.

Användarvisningsbild
Eri
Händige herrn
 
Inlägg: 1227
Blev medlem: 2006-04-29

Re: Mäta högtalare och rum - diy mätutrustning frågor

Inläggav Eri » 2014-05-08 12:26

aisopos skrev:Nu har jag fixat till bilderna i Linnars byggtråd:
viewtopic.php?f=3&t=36692

Hur blir det nu om jag bygger en mick enligt denna beskrivning, är det allt jag behöver, funkar bra både till att mäta rum som på högtalare?

Är det öht en lämplig utformning?



Att jag frågar så mycket beror ju helt enkelt på att det blir liksom en hel del jobb med allt, så jag försöker se till att inte göra allt för mycket fel så det måste göras om ... :)


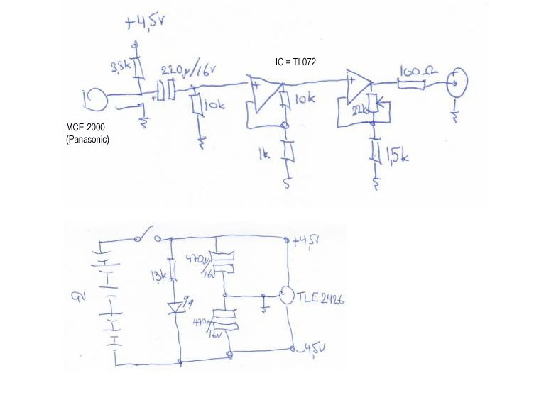
Jag tror att du lugnt kan gå vidare. Jag har under flera år använt egentillverkad utrustning som fungerar alldeles utmärkt. Mina mikrofoner ( har tre stycken ) har jag gjort på ett liknande sätt som Linnar men med en annan mikrofokapsel. Jag använder MCE2000 som också kommer från Panasonic som tyvärr inte har funnits att köpa på många år. Att jag valde denna beror på att den har en specificerad frekvensgång +/- 2 dB 20 - 20000 Hz.
Mikrofonförstärkaren har jag byggt efter ett schema som Nagref ritat. Jag har använt en TL072 IC till mitt bygge.

Bild

Så här ser den ut inuti.

Bild

Hela min mätutrustning består av följande:

Bild

Har mätt mycket under ett flertal år med denna. Senaste högtalaren jag konstruerade med hjälp av denna mätutrustning var min lilla trevägare som finns presenterad här på forumet.

Här en liten jämförande mätning med mina tre mikrofoner.

Bild
Medlem i MEK

Linnar
 
Inlägg: 666
Blev medlem: 2005-05-16

Re: Mäta högtalare och rum - frågor

Inläggav Linnar » 2019-12-24 05:42

schmutziger skrev:Är det Panasonic kapsel vi pratar om?
Linnar har/hade en fantastiskt fin guide. Tror tyvärr att hans sida är borta.
http://www.linnaraudio.com

25cm långt alurör har jag för mig det rekomenderades.
sen en rca-hona som man klämmer in kapseln i och så var där lite skum o så för att inte få kortis.
blir väldigt fint och var enkelt att göra.
testa om något finns kvar via web.archive.org eller harva faktiskt, hififorum och diyaudio för beskrivningar.


Här finns det som efterfrågades för några år sedan:

Den äldre modellen https://www.xmag.se/mm-1-rca/ (Den som beskrivs i denna tråd).
Den nyare modellen https://www.xmag.se/mm-1-xlr/ (om man nu kan kalla en 11 år gammal konstruktion för "nyare").

Användarvisningsbild
RogerGustavsson
 
Inlägg: 23859
Blev medlem: 2004-05-02
Ort: Huskvarna

Re: Mäta högtalare och rum - diy mätutrustning frågor

Inläggav RogerGustavsson » 2019-12-24 12:04

Panasonic-kapslarna var inte riktigt så bra som databladet sa. Var i kontakt med Ibf som gjorde mätmikrofoner med de kapslarna och han sa att bara en del kunde användas, kassationen var stor.

Bild

Finns även andra uppmätta, runt 1000 stycken totalt, https://www.hifi-selbstbau.de/grundlage ... uebersicht

Linnar
 
Inlägg: 666
Blev medlem: 2005-05-16

Re: Mäta högtalare och rum - diy mätutrustning frågor

Inläggav Linnar » 2019-12-24 23:20

Ja, men jag tror inte det beror på att det är dåliga utan det beror på att det finns fler pirattillverkade helt identiska kapslar som säljs som Panasonic WM61A. De är inte så dåliga de heller men variationen mellan individerna är större.
EDIT:
Ser nu att det är MCE2000 som testats, det är inte en WM61A. Det är en äldre version av kapsel. Dessutom har de testat hela mikrofonen med mikrofonförstärkare osv:
16x DIY-mikrofoner med PANASONIC kapsel MCE2000 (inkl. DLSA, CANTON Digital, ATB-PCpro etc.)

MCE har måtten 6x5,9mm medan WM61A har måtten 6X4mm. http://search.alkon.net/cgi-bin/pdf.pl? ... =04509.pdf
Det som utmärker MCE2000 är att den kan avvika upp till +6db vid 15khz.

Här säljs kopior som original:
https://www.aliexpress.com/i/32490024638.html
Jag är helt säker på att det är kopior därför att de slutade tillverkas för flera år sedan och alla som då sålde hade slut på dem i lager men nu har de dem igen. Dessutom får man här 20st för 400kr. Det betyder att de kostar 20kr/st. Det är långt under vad WM61A kostade för 10 år sedan.

Dessa säljer dem för 50kr/st vilket KAN indikera att de är original men jag är tveksam för Amazon hade också slut på dem i flera år. Hur de kan köpa in nya sådana när de inte tillverkas mer är misstänksamt..
https://www.amazon.com/Omnidirectional- ... B018HXM9RS

Här säljer man samma kapslar (inte exakt lika) men anger rätt tillverkare som INTE är Panasonic:
https://www.digikey.com/product-detail/ ... ND/3830232
Dessa kostar mellan 13kr/st till 9kr/st beroende på antal man köper.



Svalander har inte sålt slut sina så där kan man få äkta WM61A men de kostar en hel del.



Jag har 10 äkta WM61A hemma. En av mina mikrofoner skickade jag till Tyskland för kalibrering med intyg. Den kan mäta från under 10Hz till långt över 20Khz. Vid 20hz ligger den på +- 0db avvikelse och vid 20Khz ligger avvikelsen på +3db. I övrigt är den helt rak från 20Khz till ca 5Khz och därifrån går den upp till +3db vid 20Khz.
Jag mätte och jämförde med mina andra 9 kapslar och de är i stort sett identiska med den kalibrerade eller till och med bättre.

Dessutom är det så att frekvenskurvan spelar mindre roll vid mätning om man kan kalibrera kapseln först. jag kan kalibrera eftersom jag har en kalibrerad kapsel. Till detta behövs ett mätprogram som kan ladda in mikrofonens kalibrering. Med ett självkalibrerande eller manuellt kalibrerande mätsystem får man en helt raka streck när man mäter frekvens, impedans och fas.

Det som inte går att kalibrera rätt är bruset och distorsionen. Där ligger WM61A på -62db i brus och väldigt låg distorsion upp till 115db. Över 115db ökar distorsionen för att vid 130db inte längre är möjligt att mäta med den kapseln. Piratkopiorna kan vara både lite sämre och lite bättre än originalet. Dessutom kan båda typer enkelt modifieras till att klara högre mättryck.

Slutsatsen är att även piratkapslarna är OK att mäta med om man kan kalibrera mikrofonen. Men som IBF säger så måste man säkerligen kassera en del av dem.

Jag är dock på jakt efter en annan kapsel men har ännu inte hittat någon med samma diameter som slår WM61A.

Användarvisningsbild
RogerGustavsson
 
Inlägg: 23859
Blev medlem: 2004-05-02
Ort: Huskvarna

Re: Mäta högtalare och rum - diy mätutrustning frågor

Inläggav RogerGustavsson » 2019-12-25 00:33

MCE2000 är samma som Panasonic WM60A, den som Ibf, Siegfried Linkwitz och som Mitey-Mike använde. Jag har också några sådana. WM61A sades ha sämre frekvensgång men lägre brusgolv. Panasonic lade ner tillverkningen för rätt många år sedan (typ 10 år) och efterföljarna kommer från Kina (som det mesta idag). Den svenska importören av Panasonic-kapslarna kunde skaffa ersättarna men de såldes i typ 10000-pack... Jag har också en miniDSP Umik-1, där är hela kedjan kalibrerad inom hyggliga gränser, även för 90-gradersriktningen, 20-20000 Hz +/-1dB.

Linnar
 
Inlägg: 666
Blev medlem: 2005-05-16

Re: Mäta högtalare och rum - diy mätutrustning frågor

Inläggav Linnar » 2019-12-25 00:57

Då är vi på samma tåg!
Håller med dig helt. Jag har dock mätt båda typer av kapslar och ser ingen större skillnad mer än att WM60 går upp mer än 3db vid ca 15khz och WM61 ligger oftast strax under. Men bruset är viktigt för det går inte kalibrera bort.

Linnar
 
Inlägg: 666
Blev medlem: 2005-05-16

Re: Mäta högtalare och rum - diy mätutrustning frågor

Inläggav Linnar » 2019-12-25 15:30

När vi ändå är igång:
Här är en exakt kopia av Panasonic Wm61A, tom samma beteckning: https://www.jlielectronics.com/micropho ... s/jli-61a/

Användarvisningsbild
Eri
Händige herrn
 
Inlägg: 1227
Blev medlem: 2006-04-29

Re: Mäta högtalare och rum - diy mätutrustning frågor

Inläggav Eri » 2019-12-27 13:34

Jag köpte mina mce2000 någon gång på 80-talet så de är nog original. Det är ju lite märkligt att det anges en tolerans +-2 dB om spridningen är så stor som Roger Gustavsson visar, eller gäller detta nyare kapslar av okänt fabrikat? Jag har byggt tre mikrofoner av de 5-6 kapslar jag köpte. En längre och två lite kortare. Två av dessa ses på bilden lite längre upp. Jag gjorde en kontrollmätning av alla tre för att se om det var någon skillnad i frekvensgången mellan dom. Mätningen är gjord med mik.-kapseln i exakt samma position. Kurvorna för de två korta följde varann exakt medan den längre skilde sig något, som mest ca 1,3 dB vid ca 15 kHz. Jag måste haft tur som fått tre kapslar som är så lika. Har mätt väldigt mycket med dessa mikrofoner och tycker att på alla diskantelement jag mätt har kurvorna varit väldigt lika de från tillverkarna så i det övre området är dom nog rätt ok. Skulle vara intressant att få någon av dem kalibrerad. Är det något som du Linnar skulle kunna hjälpa mig med?
Medlem i MEK

Användarvisningsbild
RogerGustavsson
 
Inlägg: 23859
Blev medlem: 2004-05-02
Ort: Huskvarna

Re: Mäta högtalare och rum - diy mätutrustning frågor

Inläggav RogerGustavsson » 2019-12-27 14:29

Jag har tre fungerande MCE2000, en är död. Det fanns en artikel i tyska Stereoplay med ett bygge av ljudnivåmätare där MCE2000 var föreslagen, kan ha varit 20-25 år sedan. Då var dessa kapslar sämre än Sennheisers minikapslar (fanns i olika utföranden). Panasonic-kapslarna var dock billiga och användningsområdet var väl egentligen inte direkt det vi sedan använt dem till. Har en modifierad RS-ljudnivåmätare, större bandbredd än originalet och en avtagbar mikrofon. Jag har även gjort mätning av linjesignaler den vägen.

Bild

Användarvisningsbild
Erik_Johansson
"Långa Fabrorn"
 
Inlägg: 1688
Blev medlem: 2003-07-15
Ort: Gôteborg

Re: Mäta högtalare och rum - diy mätutrustning frågor

Inläggav Erik_Johansson » 2019-12-27 18:45

Linnar skrev:Ja, men jag tror inte det beror på att det är dåliga utan det beror på att det finns fler pirattillverkade helt identiska kapslar som säljs som Panasonic WM61A. De är inte så dåliga de heller men variationen mellan individerna är större.
EDIT:
Ser nu att det är MCE2000 som testats, det är inte en WM61A. Det är en äldre version av kapsel. Dessutom har de testat hela mikrofonen med mikrofonförstärkare osv:
16x DIY-mikrofoner med PANASONIC kapsel MCE2000 (inkl. DLSA, CANTON Digital, ATB-PCpro etc.)

MCE har måtten 6x5,9mm medan WM61A har måtten 6X4mm. http://search.alkon.net/cgi-bin/pdf.pl? ... =04509.pdf
Det som utmärker MCE2000 är att den kan avvika upp till +6db vid 15khz.

Här säljs kopior som original:
https://www.aliexpress.com/i/32490024638.html
Jag är helt säker på att det är kopior därför att de slutade tillverkas för flera år sedan och alla som då sålde hade slut på dem i lager men nu har de dem igen. Dessutom får man här 20st för 400kr. Det betyder att de kostar 20kr/st. Det är långt under vad WM61A kostade för 10 år sedan.

Dessa säljer dem för 50kr/st vilket KAN indikera att de är original men jag är tveksam för Amazon hade också slut på dem i flera år. Hur de kan köpa in nya sådana när de inte tillverkas mer är misstänksamt..
https://www.amazon.com/Omnidirectional- ... B018HXM9RS

Här säljer man samma kapslar (inte exakt lika) men anger rätt tillverkare som INTE är Panasonic:
https://www.digikey.com/product-detail/ ... ND/3830232
Dessa kostar mellan 13kr/st till 9kr/st beroende på antal man köper.



Svalander har inte sålt slut sina så där kan man få äkta WM61A men de kostar en hel del.



Jag har 10 äkta WM61A hemma. En av mina mikrofoner skickade jag till Tyskland för kalibrering med intyg. Den kan mäta från under 10Hz till långt över 20Khz. Vid 20hz ligger den på +- 0db avvikelse och vid 20Khz ligger avvikelsen på +3db. I övrigt är den helt rak från 20Khz till ca 5Khz och därifrån går den upp till +3db vid 20Khz.
Jag mätte och jämförde med mina andra 9 kapslar och de är i stort sett identiska med den kalibrerade eller till och med bättre.

Dessutom är det så att frekvenskurvan spelar mindre roll vid mätning om man kan kalibrera kapseln först. jag kan kalibrera eftersom jag har en kalibrerad kapsel. Till detta behövs ett mätprogram som kan ladda in mikrofonens kalibrering. Med ett självkalibrerande eller manuellt kalibrerande mätsystem får man en helt raka streck när man mäter frekvens, impedans och fas.

Det som inte går att kalibrera rätt är bruset och distorsionen. Där ligger WM61A på -62db i brus och väldigt låg distorsion upp till 115db. Över 115db ökar distorsionen för att vid 130db inte längre är möjligt att mäta med den kapseln. Piratkopiorna kan vara både lite sämre och lite bättre än originalet. Dessutom kan båda typer enkelt modifieras till att klara högre mättryck.

Slutsatsen är att även piratkapslarna är OK att mäta med om man kan kalibrera mikrofonen. Men som IBF säger så måste man säkerligen kassera en del av dem.

Jag är dock på jakt efter en annan kapsel men har ännu inte hittat någon med samma diameter som slår WM61A.


Nu har de ju gått upp i pris sedan tillverkningen upphörde men de var inte så värst dyra från "rätt" butiker när det begav sig. Jag köpte 200 st WM61A från Digikey 2008 (har nog ca 150 kvar) och betalade då ca 11 kr/st inkl frakt och moms.
”Klaga inte på att du inte får det du vill ha, var glad att du inte får vad
du förtjänar!”

Linnar
 
Inlägg: 666
Blev medlem: 2005-05-16

Re: Mäta högtalare och rum - diy mätutrustning frågor

Inläggav Linnar » 2019-12-27 20:03

Eri skrev:Jag köpte mina mce2000 någon gång på 80-talet så de är nog original. Det är ju lite märkligt att det anges en tolerans +-2 dB om spridningen är så stor som Roger Gustavsson visar, eller gäller detta nyare kapslar av okänt fabrikat? Jag har byggt tre mikrofoner av de 5-6 kapslar jag köpte. En längre och två lite kortare. Två av dessa ses på bilden lite längre upp. Jag gjorde en kontrollmätning av alla tre för att se om det var någon skillnad i frekvensgången mellan dom. Mätningen är gjord med mik.-kapseln i exakt samma position. Kurvorna för de två korta följde varann exakt medan den längre skilde sig något, som mest ca 1,3 dB vid ca 15 kHz. Jag måste haft tur som fått tre kapslar som är så lika. Har mätt väldigt mycket med dessa mikrofoner och tycker att på alla diskantelement jag mätt har kurvorna varit väldigt lika de från tillverkarna så i det övre området är dom nog rätt ok. Skulle vara intressant att få någon av dem kalibrerad. Är det något som du Linnar skulle kunna hjälpa mig med?

Jag har precis börjat efter 7 år frånvaro så det tar nog lite tid innan jag kommer så långt att jag kan mäta. Jag har annars en av mina egna mikrofoner som är kalibrerad av ett Tyskt företag. Får jag bara lite tid så kanske det fixar sig.

Panasonic kapsylerna håller en väldigt snäv tolerans. Den testmätning som det talas om här gäller flera olika färdigbyggda diy-mikrofoner med olika mikrofonförstärkare. Det är naturligt att de inte kan mäta så exakt som var och en kapsel annars gör.

Linnar
 
Inlägg: 666
Blev medlem: 2005-05-16

Re: Mäta högtalare och rum - diy mätutrustning frågor

Inläggav Linnar » 2019-12-27 20:06

Erik_Johansson skrev:
Linnar skrev:Ja, men jag tror inte det beror på att det är dåliga utan det beror på att det finns fler pirattillverkade helt identiska kapslar som säljs som Panasonic WM61A. De är inte så dåliga de heller men variationen mellan individerna är större.
EDIT:
Ser nu att det är MCE2000 som testats, det är inte en WM61A. Det är en äldre version av kapsel. Dessutom har de testat hela mikrofonen med mikrofonförstärkare osv:
16x DIY-mikrofoner med PANASONIC kapsel MCE2000 (inkl. DLSA, CANTON Digital, ATB-PCpro etc.)

MCE har måtten 6x5,9mm medan WM61A har måtten 6X4mm. http://search.alkon.net/cgi-bin/pdf.pl? ... =04509.pdf
Det som utmärker MCE2000 är att den kan avvika upp till +6db vid 15khz.

Här säljs kopior som original:
https://www.aliexpress.com/i/32490024638.html
Jag är helt säker på att det är kopior därför att de slutade tillverkas för flera år sedan och alla som då sålde hade slut på dem i lager men nu har de dem igen. Dessutom får man här 20st för 400kr. Det betyder att de kostar 20kr/st. Det är långt under vad WM61A kostade för 10 år sedan.

Dessa säljer dem för 50kr/st vilket KAN indikera att de är original men jag är tveksam för Amazon hade också slut på dem i flera år. Hur de kan köpa in nya sådana när de inte tillverkas mer är misstänksamt..
https://www.amazon.com/Omnidirectional- ... B018HXM9RS

Här säljer man samma kapslar (inte exakt lika) men anger rätt tillverkare som INTE är Panasonic:
https://www.digikey.com/product-detail/ ... ND/3830232
Dessa kostar mellan 13kr/st till 9kr/st beroende på antal man köper.



Svalander har inte sålt slut sina så där kan man få äkta WM61A men de kostar en hel del.



Jag har 10 äkta WM61A hemma. En av mina mikrofoner skickade jag till Tyskland för kalibrering med intyg. Den kan mäta från under 10Hz till långt över 20Khz. Vid 20hz ligger den på +- 0db avvikelse och vid 20Khz ligger avvikelsen på +3db. I övrigt är den helt rak från 20Khz till ca 5Khz och därifrån går den upp till +3db vid 20Khz.
Jag mätte och jämförde med mina andra 9 kapslar och de är i stort sett identiska med den kalibrerade eller till och med bättre.

Dessutom är det så att frekvenskurvan spelar mindre roll vid mätning om man kan kalibrera kapseln först. jag kan kalibrera eftersom jag har en kalibrerad kapsel. Till detta behövs ett mätprogram som kan ladda in mikrofonens kalibrering. Med ett självkalibrerande eller manuellt kalibrerande mätsystem får man en helt raka streck när man mäter frekvens, impedans och fas.

Det som inte går att kalibrera rätt är bruset och distorsionen. Där ligger WM61A på -62db i brus och väldigt låg distorsion upp till 115db. Över 115db ökar distorsionen för att vid 130db inte längre är möjligt att mäta med den kapseln. Piratkopiorna kan vara både lite sämre och lite bättre än originalet. Dessutom kan båda typer enkelt modifieras till att klara högre mättryck.

Slutsatsen är att även piratkapslarna är OK att mäta med om man kan kalibrera mikrofonen. Men som IBF säger så måste man säkerligen kassera en del av dem.

Jag är dock på jakt efter en annan kapsel men har ännu inte hittat någon med samma diameter som slår WM61A.


Nu har de ju gått upp i pris sedan tillverkningen upphörde men de var inte så värst dyra från "rätt" butiker när det begav sig. Jag köpte 200 st WM61A från Digikey 2008 (har nog ca 150 kvar) och betalade då ca 11 kr/st inkl frakt och moms.


Jo, motsvarande kostar ungefär samma idag också men originalet som inte tillverkas längre är efterfrågad därför är de betydligt dyrare idag.

Linnar
 
Inlägg: 666
Blev medlem: 2005-05-16

Re: Mäta högtalare och rum - diy mätutrustning frågor

Inläggav Linnar » 2019-12-27 20:10

RogerGustavsson skrev:Jag har tre fungerande MCE2000, en är död. Det fanns en artikel i tyska Stereoplay med ett bygge av ljudnivåmätare där MCE2000 var föreslagen, kan ha varit 20-25 år sedan. Då var dessa kapslar sämre än Sennheisers minikapslar (fanns i olika utföranden). Panasonic-kapslarna var dock billiga och användningsområdet var väl egentligen inte direkt det vi sedan använt dem till. Har en modifierad RS-ljudnivåmätare, större bandbredd än originalet och en avtagbar mikrofon. Jag har även gjort mätning av linjesignaler den vägen.

[ Bild ]

MCE2000 har den äldre WM60-kapseln har jag för mig, det har också ECM 8000, åtminstone fram till 2005 om jag inte minns helt galet.

Användarvisningsbild
Erik_Johansson
"Långa Fabrorn"
 
Inlägg: 1688
Blev medlem: 2003-07-15
Ort: Gôteborg

Re: Mäta högtalare och rum - diy mätutrustning frågor

Inläggav Erik_Johansson » 2019-12-27 20:35

Linnar skrev:
Erik_Johansson skrev:
Linnar skrev:Ja, men jag tror inte det beror på att det är dåliga utan det beror på att det finns fler pirattillverkade helt identiska kapslar som säljs som Panasonic WM61A. De är inte så dåliga de heller men variationen mellan individerna är större.
EDIT:
Ser nu att det är MCE2000 som testats, det är inte en WM61A. Det är en äldre version av kapsel. Dessutom har de testat hela mikrofonen med mikrofonförstärkare osv:

MCE har måtten 6x5,9mm medan WM61A har måtten 6X4mm. http://search.alkon.net/cgi-bin/pdf.pl? ... =04509.pdf
Det som utmärker MCE2000 är att den kan avvika upp till +6db vid 15khz.

Här säljs kopior som original:
https://www.aliexpress.com/i/32490024638.html
Jag är helt säker på att det är kopior därför att de slutade tillverkas för flera år sedan och alla som då sålde hade slut på dem i lager men nu har de dem igen. Dessutom får man här 20st för 400kr. Det betyder att de kostar 20kr/st. Det är långt under vad WM61A kostade för 10 år sedan.

Dessa säljer dem för 50kr/st vilket KAN indikera att de är original men jag är tveksam för Amazon hade också slut på dem i flera år. Hur de kan köpa in nya sådana när de inte tillverkas mer är misstänksamt..
https://www.amazon.com/Omnidirectional- ... B018HXM9RS

Här säljer man samma kapslar (inte exakt lika) men anger rätt tillverkare som INTE är Panasonic:
https://www.digikey.com/product-detail/ ... ND/3830232
Dessa kostar mellan 13kr/st till 9kr/st beroende på antal man köper.



Svalander har inte sålt slut sina så där kan man få äkta WM61A men de kostar en hel del.



Jag har 10 äkta WM61A hemma. En av mina mikrofoner skickade jag till Tyskland för kalibrering med intyg. Den kan mäta från under 10Hz till långt över 20Khz. Vid 20hz ligger den på +- 0db avvikelse och vid 20Khz ligger avvikelsen på +3db. I övrigt är den helt rak från 20Khz till ca 5Khz och därifrån går den upp till +3db vid 20Khz.
Jag mätte och jämförde med mina andra 9 kapslar och de är i stort sett identiska med den kalibrerade eller till och med bättre.

Dessutom är det så att frekvenskurvan spelar mindre roll vid mätning om man kan kalibrera kapseln först. jag kan kalibrera eftersom jag har en kalibrerad kapsel. Till detta behövs ett mätprogram som kan ladda in mikrofonens kalibrering. Med ett självkalibrerande eller manuellt kalibrerande mätsystem får man en helt raka streck när man mäter frekvens, impedans och fas.

Det som inte går att kalibrera rätt är bruset och distorsionen. Där ligger WM61A på -62db i brus och väldigt låg distorsion upp till 115db. Över 115db ökar distorsionen för att vid 130db inte längre är möjligt att mäta med den kapseln. Piratkopiorna kan vara både lite sämre och lite bättre än originalet. Dessutom kan båda typer enkelt modifieras till att klara högre mättryck.

Slutsatsen är att även piratkapslarna är OK att mäta med om man kan kalibrera mikrofonen. Men som IBF säger så måste man säkerligen kassera en del av dem.

Jag är dock på jakt efter en annan kapsel men har ännu inte hittat någon med samma diameter som slår WM61A.


Nu har de ju gått upp i pris sedan tillverkningen upphörde men de var inte så värst dyra från "rätt" butiker när det begav sig. Jag köpte 200 st WM61A från Digikey 2008 (har nog ca 150 kvar) och betalade då ca 11 kr/st inkl frakt och moms.


Jo, motsvarande kostar ungefär samma idag också men originalet som inte tillverkas längre är efterfrågad därför är de betydligt dyrare idag.


Nu är ju Sverige rätt litet men intresset här för de jag har (som ju är äkta WM61A) har varit rätt svalt även för 20 kr/st.

Menmen ingen stor ekonomisk smäll då jag ju haft glädje av dem själv innan jag bytte till bättre mikrofoner. :-)
”Klaga inte på att du inte får det du vill ha, var glad att du inte får vad
du förtjänar!”

Linnar
 
Inlägg: 666
Blev medlem: 2005-05-16

Re: Mäta högtalare och rum - diy mätutrustning frågor

Inläggav Linnar » 2019-12-27 23:12

Erik_Johansson skrev:
Linnar skrev:
Erik_Johansson skrev:
Nu är ju Sverige rätt litet men intresset här för de jag har (som ju är äkta WM61A) har varit rätt svalt även för 20 kr/st.

Menmen ingen stor ekonomisk smäll då jag ju haft glädje av dem själv innan jag bytte till bättre mikrofoner. :-)

Jag kan tänka mig att köpa sedan om det är så att jag börjar tillverka mikrofoner igen. Just nu har jag mycket att stå i och mitt lilla lager har jag ju kvar än så länge.

jansch
 
Inlägg: 4047
Blev medlem: 2009-05-01

Re: Mäta högtalare och rum - diy mätutrustning frågor

Inläggav jansch » 2019-12-28 00:07

Jag köpte 4 st WM61A "för skoj skull för 7-8år sedan och dom är ganska OK förutom en kapsel om är höjd i diskanten upp till ca 6dB.
En grundförutsättning för att få ett fungerande diskantregister är inbyggnaden. jag har använt höljen till bläckpennor och kapat/monterat dom så att kapselns diameter inte förändras vid/i närheten av membranet.

Som referens har jag använt olika mikrofoner/kapslar från Bruel&kjaer, lite komplext att mäta/jämföra kapslarna i normalt rum med "gating" då dom stör varann akustiskt. Det finns dock ingen WM61A Kapsel som kommer närmare än +/- 2dB jämfört med En B&K 4939 i spannet 20 - 20kHz. Alla kapslar tappar mer än 2 dB vid 20Hz (en kapsel 6 -7 dB).
Brytfrekvensen för WM61A kapselns mikrofonsteg ligger på 4 Hz... och för B&K 4939 inkl. mikrofonförstärkare och mätfförstärkare ca 3Hz.

Linnar
 
Inlägg: 666
Blev medlem: 2005-05-16

Re: Mäta högtalare och rum - diy mätutrustning frågor

Inläggav Linnar » 2019-12-28 02:00

jansch skrev:Jag köpte 4 st WM61A "för skoj skull för 7-8år sedan och dom är ganska OK förutom en kapsel om är höjd i diskanten upp till ca 6dB.
En grundförutsättning för att få ett fungerande diskantregister är inbyggnaden. jag har använt höljen till bläckpennor och kapat/monterat dom så att kapselns diameter inte förändras vid/i närheten av membranet.

Som referens har jag använt olika mikrofoner/kapslar från Bruel&kjaer, lite komplext att mäta/jämföra kapslarna i normalt rum med "gating" då dom stör varann akustiskt. Det finns dock ingen WM61A Kapsel som kommer närmare än +/- 2dB jämfört med En B&K 4939 i spannet 20 - 20kHz. Alla kapslar tappar mer än 2 dB vid 20Hz (en kapsel 6 -7 dB).
Brytfrekvensen för WM61A kapselns mikrofonsteg ligger på 4 Hz... och för B&K 4939 inkl. mikrofonförstärkare och mätfförstärkare ca 3Hz.

Så ser mina erfarenheter ut också.
Ungefär var tionde eller tjugonde kapsel får kasseras.
Jag har tillverkat ca 60st mikrofoner med mätlåda (Mätro-1). Flera av dem gick till Japan(?). Jag har också sålt ca 250st byggbeskrivningar till samma saker. Detta var för 7-10 år sedan. Nu ligger de helt öppna på min hemsida. Just nu ritar jag på Mätro-4. Förr använda jag Speaker Workshop men fick kritik för att folk tyckte den var för svår att använda, vilket jag håller med om. Nu jobbar jag med Arta och några till som Mätro-4 skall anpassas för. Mätro-1 var också krånglig att bygga. Dessutom finns inte omkopplaren jag använde till rimligt pris kvar att köpa. Mätro-4 kommer att bli betydligt lättare att bygga.

jansch
 
Inlägg: 4047
Blev medlem: 2009-05-01

Re: Mäta högtalare och rum - diy mätutrustning frågor

Inläggav jansch » 2019-12-28 18:05

RogerGustavsson skrev:Panasonic-kapslarna var inte riktigt så bra som databladet sa. Var i kontakt med Ibf som gjorde mätmikrofoner med de kapslarna och han sa att bara en del kunde användas, kassationen var stor.

[ Bild ]

Finns även andra uppmätta, runt 1000 stycken totalt, https://www.hifi-selbstbau.de/grundlage ... uebersicht


Tyvärr använder HiFi - Selbsbau (som har gjort mätningarna) en B&K 4188 mikronkapsel som referens*. Den får man nog se som en "lågbudget kapsel" från Bruel&Kjaer och bör nog inte användas som referens över 12,5kHz. Dom borde nyttja B&K4190 eller B&K4191 om dom vill ha en 1/2tums kapsel. Bäst dock en B&K4939 eller B&K 49338 (1/4tums mic:ar) så är riktningproblematiken ingen issue.

Vad jag egentligen säger är att man bör ta kurvorna över12,5kHz "med en nypa salt" även om applikationen korrigerar för referensmikrofonens frekvensgång.

*Jag har inte sett att dom bytt referensmikrofon, någon som vet?

Användarvisningsbild
RogerGustavsson
 
Inlägg: 23859
Blev medlem: 2004-05-02
Ort: Huskvarna

Re: Mäta högtalare och rum - diy mätutrustning frågor

Inläggav RogerGustavsson » 2019-12-28 20:04

Wolfgang Frank på Ibf Akustik var jag i kontakt med för rätt många år sedan när de gjorde enklare mätmikrofoner och kaliberingar av dem eller sådana man skickade in. Det var han som sa att kassationen var stor när man använde Panasonic-kapslarna, inte bara frekvensgången var kriteriet utan även brus och distorsion. Deras kalibrering var lite noggrannare. Numera är företaget vidareutvecklat till iSemcon och det verkar som andra tog över att göra billiga mikrofonkalibreringar som HiFi-Selbstbau. Riktiga kalibreringar från certifierade laboratorier som är spårbara kostar väl typ 10-15 gånger mera? För oss som bara gör enklare amatörmätningar är det lite överkurs. Om man bortser ifrån att de flesta snott det yttre från MBC 550, kan prestanda variera rejält. En del har en frekvenskurva tryckt på kartongen men det säger inte mycket om just det exemplaret som ligger i, allra minst om prislappen bara är någon hundring. Det finns ju OM-1 från svenska Line Audio som mäter väldigt rakt och kostar strax över tusenlappen men då ska det till mikrofonförstärkare också. Umik-1 är då oslagbart enkel att använda och håller en för mig som amatör hygglig precision.

Linnar
 
Inlägg: 666
Blev medlem: 2005-05-16

Re: Mäta högtalare och rum - diy mätutrustning frågor

Inläggav Linnar » 2019-12-29 00:21

RogerGustavsson skrev:Wolfgang Frank på Ibf Akustik var jag i kontakt med för rätt många år sedan när de gjorde enklare mätmikrofoner och kaliberingar av dem eller sådana man skickade in. Det var han som sa att kassationen var stor när man använde Panasonic-kapslarna, inte bara frekvensgången var kriteriet utan även brus och distorsion. Deras kalibrering var lite noggrannare. Numera är företaget vidareutvecklat till iSemcon och det verkar som andra tog över att göra billiga mikrofonkalibreringar som HiFi-Selbstbau. Riktiga kalibreringar från certifierade laboratorier som är spårbara kostar väl typ 10-15 gånger mera? För oss som bara gör enklare amatörmätningar är det lite överkurs. Om man bortser ifrån att de flesta snott det yttre från MBC 550, kan prestanda variera rejält. En del har en frekvenskurva tryckt på kartongen men det säger inte mycket om just det exemplaret som ligger i, allra minst om prislappen bara är någon hundring. Det finns ju OM-1 från svenska Line Audio som mäter väldigt rakt och kostar strax över tusenlappen men då ska det till mikrofonförstärkare också. Umik-1 är då oslagbart enkel att använda och håller en för mig som amatör hygglig precision.


IBF är det som kalibrerat min referensmikrofon. Wolfgang tyckte den var väldigt bra så jag kör på det. Så här mäter min referensmikrofon:

Kod: Markera allt
10,0hz = -1,827 db
12,5hz = -1,298
16,0hz = -0,677
20,0hz = -0,245
Här emellan är det +0,2db
2500hz = +0,337
Härifrån stiger det till:
16000hz = +3,205db
20000hz = +3,089db


Fasen ligger inom +2 grader från 10hz till 20kHz .

I handlingarna står det att mikrofonen i stort sett klarar tolerans Klass 1 (IEC61672) för mätmikrofoner (går över gränsen vid ett ställe med 0,2db).

Känsligheten är: 16,94 mV/Pa/1khz

När jag kör med kalibreringsfilen är frekvensgången 20hz till 20khz +-0,02db och fasen är lika rak.
Brus och distorsion kan inte kalibreras bort men ligger väldigt lågt har jag sett när jag mätt högtalare trots att brus och distorsion kommer med från alla delar av kedjan.

Wolfgang trodde att mikrofonens utförande utan vassa kanter och väldigt tunn gör mätningarna bättre.

jansch
 
Inlägg: 4047
Blev medlem: 2009-05-01

Re: Mäta högtalare och rum - diy mätutrustning frågor

Inläggav jansch » 2019-12-29 20:45

Linnar skrev:
RogerGustavsson skrev:Wolfgang Frank på Ibf Akustik var jag i kontakt med för rätt många år sedan när de gjorde enklare mätmikrofoner och kaliberingar av dem eller sådana man skickade in. Det var han som sa att kassationen var stor när man använde Panasonic-kapslarna, inte bara frekvensgången var kriteriet utan även brus och distorsion. Deras kalibrering var lite noggrannare. Numera är företaget vidareutvecklat till iSemcon och det verkar som andra tog över att göra billiga mikrofonkalibreringar som HiFi-Selbstbau. Riktiga kalibreringar från certifierade laboratorier som är spårbara kostar väl typ 10-15 gånger mera? För oss som bara gör enklare amatörmätningar är det lite överkurs. Om man bortser ifrån att de flesta snott det yttre från MBC 550, kan prestanda variera rejält. En del har en frekvenskurva tryckt på kartongen men det säger inte mycket om just det exemplaret som ligger i, allra minst om prislappen bara är någon hundring. Det finns ju OM-1 från svenska Line Audio som mäter väldigt rakt och kostar strax över tusenlappen men då ska det till mikrofonförstärkare också. Umik-1 är då oslagbart enkel att använda och håller en för mig som amatör hygglig precision.


IBF är det som kalibrerat min referensmikrofon. Wolfgang tyckte den var väldigt bra så jag kör på det. Så här mäter min referensmikrofon:

Kod: Markera allt
10,0hz = -1,827 db
12,5hz = -1,298
16,0hz = -0,677
20,0hz = -0,245
Här emellan är det +0,2db
2500hz = +0,337
Härifrån stiger det till:
16000hz = +3,205db
20000hz = +3,089db


Fasen ligger inom +2 grader från 10hz till 20kHz .

I handlingarna står det att mikrofonen i stort sett klarar tolerans Klass 1 (IEC61672) för mätmikrofoner (går över gränsen vid ett ställe med 0,2db).

Känsligheten är: 16,94 mV/Pa/1khz

När jag kör med kalibreringsfilen är frekvensgången 20hz till 20khz +-0,02db och fasen är lika rak.
Brus och distorsion kan inte kalibreras bort men ligger väldigt lågt har jag sett när jag mätt högtalare trots att brus och distorsion kommer med från alla delar av kedjan.

Wolfgang trodde att mikrofonens utförande utan vassa kanter och väldigt tunn gör mätningarna bättre.


Av allt att dömma har du en bra mätmikrofon!

Tänkte dock kommentera lite.... inte för att vara allmänt dum eller raljerande utan bara få lite perspektiv och vilka utmaningarsom finns att kalibrera mikrofoner. jag har bara stor erfarenhet av Bruel&Kjaers sortiment och nyttjat några Grass och även testat några "budgetmikrofoner. Alltjag skiver refererar alltså till B&K och kalibreringar.

Känslighet
B&K anger aldrig mer än 3 siffrors noggrannhet. T.ex en av mina B&K4191 har 13,2mV känslighet och det gäller med 0,2dB osäkerhet, vid 23grader celsius och 101,3kPa och 50% relativ fuktighet samt 200volt +/- 0,5V polarisationsspänning.
Om jag själv kalibrerar med en pistonfon ( B&K 4220) får jag +/- 0,2dB vid 124 dB vid 251,2Hz utan lufttryckskompensering och med RÄTT lufttryck kan jag via tabell komma ner i +/-0,09dB onoggrannehet. Då får jag också lägga till +0,02dB för 1/2 tums Adaptern melan mic och pistonfon
Åldrandet påverkar känsligheten obetydligt/inget för de mic:ar som är i "Falkon Range" serien, B&K utlovar mindre än1dB på 5000 år.

Fasen
För samma mick är fasen 45grader vid 8kHz och 90 grader vid ca 33kHz. Beroende på micförstärkare är fasen varierande i praktiken, -3dB punkten ligger dock på ca 1Hz och borde då lgga på bortåt 90 grader i praktiken. Mic:en faller 3dB i diskanten vid 43kHz och då är fasen över 100 grader.

Frekvensgång
För sama mic specar B&K 1dB avvikelse mellan 5Hz och 16kHz (garanterat).
Individuell kalibrering visar normalt för denna mick (t.ex den mic jag pratar om) 0,2dB mellan ca 6Hz och 18kHz. där över ca 0,5dB avvikelse.
Nu är siffrorna i sig inte itressanta utan att dom har +/- 0,2dB onogrannhet vid nämnda temperatur, luftfuktighet, lufttryck och polarisationsspänning. Kompenseringskurvor finns för dessa variabler.
Hur har man uppnått +/- 0,2dB onoggrannhet då?
Inte enkelt!

- Att uppnå +/- 2dB är ganska enkelt om man har en inkörd mätrigg och standardiserade mikrofonstorlekar och en säker referens. Det tar en halv dag att "få till det" och lite mer om mikrofonen har icke standardkablage etc.

- Att uppnå +/- 1dB är mer problematiskt. Nu blir allt praktiskt svårt. Flera referensmätningar, inklädnad av mikrofonsladd, vinkelkontroller, dela upp mätningen med flera ljudkällor, osv. Jävlas det räcker inte en dag.

-Att uppnå +/- 0,2 dB kräver acctuatorteknik om man inte vill spendera 3 veckor på varje mikrofon. D v s man spenderar 3 veckor på EN mikrofon och sedan ser man till att produktionen av de fysiska mikrofondelarna har 1000 dels tolerans. Då har man en referens som acctuatormätningen refererar till. Har man sedan rätt miljö och koll på allt kan man uppnå +/-0,2dB . Det gäller dock att ha grym koll och tillverka med exakta mått,då kan man smeta ut kostnaden för initiala mätningen (på många mikrofoner av exakt samma sort) som säkert har gått på några 100 tusen kronor.

Alltså, var glad om din mikrofon ligger inom 1dB spannet, både när det gäller frekvensgång och känsliget

Användarvisningsbild
rikkitikkitavi
Good loudness
 
Inlägg: 12067
Blev medlem: 2003-07-16
Ort: Somewhere nice

Re: Mäta högtalare och rum - diy mätutrustning frågor

Inläggav rikkitikkitavi » 2019-12-29 23:20

Just åldrandet har jag fudnerat på dessa elektretmikkar.

Jag hr en från IBF som jag köpte 2008. Frågan är hur den står sig idag?

När man tittar på standarden är det inte konstigt att den specar som den gör med +- 1dB eller värre, beroende på frekvens osv , enligt IEC standarden

Linnar
 
Inlägg: 666
Blev medlem: 2005-05-16

Re: Mäta högtalare och rum - diy mätutrustning frågor

Inläggav Linnar » 2019-12-30 00:33

jansch skrev:
Av allt att dömma har du en bra mätmikrofon!

Tänkte dock kommentera lite.... inte för att vara allmänt dum eller raljerande utan bara få lite perspektiv och vilka utmaningarsom finns att kalibrera mikrofoner. jag har bara stor erfarenhet av Bruel&Kjaers sortiment och nyttjat några Grass och även testat några "budgetmikrofoner. Alltjag skiver refererar alltså till B&K och kalibreringar.

Känslighet
B&K anger aldrig mer än 3 siffrors noggrannhet. T.ex en av mina B&K4191 har 13,2mV känslighet och det gäller med 0,2dB osäkerhet, vid 23grader celsius och 101,3kPa och 50% relativ fuktighet samt 200volt +/- 0,5V polarisationsspänning.
Om jag själv kalibrerar med en pistonfon ( B&K 4220) får jag +/- 0,2dB vid 124 dB vid 251,2Hz utan lufttryckskompensering och med RÄTT lufttryck kan jag via tabell komma ner i +/-0,09dB onoggrannehet. Då får jag också lägga till +0,02dB för 1/2 tums Adaptern melan mic och pistonfon
Åldrandet påverkar känsligheten obetydligt/inget för de mic:ar som är i "Falkon Range" serien, B&K utlovar mindre än1dB på 5000 år.

Fasen
För samma mick är fasen 45grader vid 8kHz och 90 grader vid ca 33kHz. Beroende på micförstärkare är fasen varierande i praktiken, -3dB punkten ligger dock på ca 1Hz och borde då lgga på bortåt 90 grader i praktiken. Mic:en faller 3dB i diskanten vid 43kHz och då är fasen över 100 grader.

Frekvensgång
För sama mic specar B&K 1dB avvikelse mellan 5Hz och 16kHz (garanterat).
Individuell kalibrering visar normalt för denna mick (t.ex den mic jag pratar om) 0,2dB mellan ca 6Hz och 18kHz. där över ca 0,5dB avvikelse.
Nu är siffrorna i sig inte itressanta utan att dom har +/- 0,2dB onogrannhet vid nämnda temperatur, luftfuktighet, lufttryck och polarisationsspänning. Kompenseringskurvor finns för dessa variabler.
Hur har man uppnått +/- 0,2dB onoggrannhet då?
Inte enkelt!

- Att uppnå +/- 2dB är ganska enkelt om man har en inkörd mätrigg och standardiserade mikrofonstorlekar och en säker referens. Det tar en halv dag att "få till det" och lite mer om mikrofonen har icke standardkablage etc.

- Att uppnå +/- 1dB är mer problematiskt. Nu blir allt praktiskt svårt. Flera referensmätningar, inklädnad av mikrofonsladd, vinkelkontroller, dela upp mätningen med flera ljudkällor, osv. Jävlas det räcker inte en dag.

-Att uppnå +/- 0,2 dB kräver acctuatorteknik om man inte vill spendera 3 veckor på varje mikrofon. D v s man spenderar 3 veckor på EN mikrofon och sedan ser man till att produktionen av de fysiska mikrofondelarna har 1000 dels tolerans. Då har man en referens som acctuatormätningen refererar till. Har man sedan rätt miljö och koll på allt kan man uppnå +/-0,2dB . Det gäller dock att ha grym koll och tillverka med exakta mått,då kan man smeta ut kostnaden för initiala mätningen (på många mikrofoner av exakt samma sort) som säkert har gått på några 100 tusen kronor.

Alltså, var glad om din mikrofon ligger inom 1dB spannet, både när det gäller frekvensgång och känsliget


Intressant info!
Det var inte alls allmänt dum eller raljerande. Mer sådant, det är både lärande och utvecklande.
Jag skall senare lägga upp IBF:s mätning av min mikrofon på min hemsida.

Det står också i dokumenten från IFB att temperaturen var 20,4 grader, lufttrycket 987 mbar och fuktigheten 33%.
Vill också rätt det jag skrev om fasen. Den ligger inom +20 grader mellan 10 och 20khz. Bra i mitten och stiger uppåt vid lägre och högre frekvenser. I mitt inlägg tappade jag en nolla.

Förr när jag mätte mycket upptäckte jag efter systemkalibrering att det som skall bli raka streck för frekvens, impedans och fas mellan 20hz och 20khz kunde variera mellan mätningarna med upp till +-1db. I vissa fall mer. Det lustiga är att när jag mäter nära dator och bildskärm är avvikelsen större.

När jag kalibrerat och mäter frekvensen konstant utan stopp kan jag se att frekvensen varierar ständigt vid olika platser efter skalan. Jag minns inte riktigt hur mycket men det kan röra sig om +-2db när det är som värst.

Första tiden med Mätro-1 märkte jag att det ibland kunde bli en avvikelse på +-5db vid ca 50hz. Den avvikelsen försvann när jag klädde transformatorn med alu.plåt som jag jordade med övriga systemet.

Fick ibland en märklig distorsionsmatta vid lägre frekvenser upp till 5-600hz. Efter ett tag kom jag på att detta skedde när tvättmaskinen här hemma centrifugerade.
Det blir också märkbara störningar om det kör en bil förbi ute på gatan osv. Allt detta ligger inom +5db avvikelse.

Det finns alltså flera källor till störningar. För att få bort de flesta av dessa störningarna kunde man med "Speaker Workshop" köra valfritt antal mätningar efter varandra och av dem plockade programmet bort de värsta avvikelserna och av resten satte ihop en genomsnittlig kurva. synd att "Speaker Workshop" i övrigt är så bökigt att jobba med för den är verkligen outstanding.

Vad jag vill få fram med detta är att en avvikelse på någon db för mikrofonen inte gör så mycket för det drunknar i övriga avvikelser.

Linnar
 
Inlägg: 666
Blev medlem: 2005-05-16

Re: Mäta högtalare och rum - diy mätutrustning frågor

Inläggav Linnar » 2019-12-30 00:39

rikkitikkitavi skrev:Just åldrandet har jag fudnerat på dessa elektretmikkar.

Jag hr en från IBF som jag köpte 2008. Frågan är hur den står sig idag?

När man tittar på standarden är det inte konstigt att den specar som den gör med +- 1dB eller värre, beroende på frekvens osv , enligt IEC standarden


Jag frågade faktiskt Wolfgang på IBF hur länge en kalibrering håller innan de faller för åldersstrecket.
Han svarade att om jag är måttfull med mätningarna kommer den överleva oss båda och jag kan använda samma kalibrering till just den mikrofonen hela tiden. Den kommer att avvika vid varje mätning beroende på omständigheter men tiden ingår inte i omständigheterna.

jansch
 
Inlägg: 4047
Blev medlem: 2009-05-01

Re: Mäta högtalare och rum - diy mätutrustning frågor

Inläggav jansch » 2019-12-30 13:14

Linnar skrev:
rikkitikkitavi skrev:Just åldrandet har jag fudnerat på dessa elektretmikkar.

Jag hr en från IBF som jag köpte 2008. Frågan är hur den står sig idag?

När man tittar på standarden är det inte konstigt att den specar som den gör med +- 1dB eller värre, beroende på frekvens osv , enligt IEC standarden


Jag frågade faktiskt Wolfgang på IBF hur länge en kalibrering håller innan de faller för åldersstrecket.
Han svarade att om jag är måttfull med mätningarna kommer den överleva oss båda och jag kan använda samma kalibrering till just den mikrofonen hela tiden. Den kommer att avvika vid varje mätning beroende på omständigheter men tiden ingår inte i omständigheterna.


Lite underligt svar från Wolfgang.... undrar om han menar att en spänningssatt mikrofon åldras fortare? Hur då? Ljudtryck kan ju knappast åldra mikrofonen?
Någon som vet? Jag "killgissar" att han har fel.

Jag TROR att åldringen av elektretkapslar (typ Panasonicc kapseln) beror på att plasten i membranet åldras (även om mic:en inte används), membranet består ju av en metallbelagd plast om jag minns rätt.
Bruel&Kjaers mic:ar har ett metallmembran, oftast av nickel/nickellegering, som är hårt spänt över en ram. Åldring sker genom att membranet blir lite uttöjt.
Genom att värmebehandla i produktionen "åldrar" man innan kalibrering.

B&K:s kalibreringar anses vara nöjaktiga i ca 2 år. Vissa applikationer kräver oftare kalibrering. För amatörbruk behöver man aldrig omkalibrera, det finns en testfunktion som heter TEDS som konstaterar om mikrofonen är oskadad.

Nästa

Återgå till DIY-forum


Vilka är online

Användare som besöker denna kategori: Bing [Bot], Google [Bot] och 23 gäster