Mitt senaste bygge skall bli ett fyrkanaligt slutsteg. Det som är lite tråkigt med slutsteg är att de ofta är ganska rena på fronten. Först funderade jag på några diskreta indikeringslampor, typ klippindikering. Därifrån till VU-meter som peak-indikator var stegen inte långt men VU-meter med LED är så 80-tal (även om de fungerar bra för peak-indikering). Så jag började leka med tanken på analoga VU-metrar och googlade runt efter information. Då snubblade jag över
den här sidan med en hel del intressant information. Jag jämförde de kretsarna med andra kretsar, dels
de som Rod Elliott skissat på men även de som levereras med VU-metrar och säljs löst på ebay. Ingen var precis som den som presenterades som figur 6 i artikeln. Så vad att göra? Det var mer än 30 år sedan jag etsade ett mönsterkort själv. Jag vet att man kan använda CAD-program på nätet och beställa kort billigt från Kina men på samma gång skulle det vara kul att etsa detta förhållandevis enkla kort själv. Tanken var att försöka konstruera ett enlagerskort i standardstorlek (något som det bara är att gå upp till Kjell & Co. och köpa). Att få till ett mono-kort var inte så svårt men jag vill gärna använda båda halvorna av TL072 på ett stereo-kort. Jag fick då gå över till ett tvålagerskort men efter ett tag så lyckades jag få till ett enlagerskort när jag väl började optimera placeringarna på kortet. Till sist duplicerade jag detta stereo-kort på ett 75x100 mm kort så man kan välja om man vill dela det på mitten och ha två stereo-kort eller behålla det som det är för fyra-kanaler. Men nu behöver jag er hjälp med en sanity check. Lyckades jag fånga den ursprungliga kretsen korrekt? Såhär ser originalet ut:

- Originalkrets
- VU1.jpeg (60.01 KiB) Visad 5957 gånger
Såhär ser min tolkning ut, ser det korrekt ut?
- Kod: Markera allt
J1-1 = IN
J1-2 = GND
J2-1 = VU+
J2-2 = VU-
J3-1 = Vs+
J3-2 = Vs-

- Min tolkning
- VU2.jpeg (383.42 KiB) Visad 5957 gånger
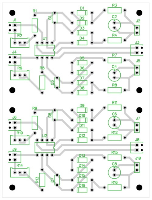
Till sist har vi mitt PCB (lite uppförstorat, det är i verkligheten 75x100 mm), verkar det korrekt?
- Kod: Markera allt
J1-1, J4-1, J6-1, J9-1 = IN
J1-2, J4-2, J6-2, J9-2 = GND
J2-1, J5-1, J7-1, J10-1 = VU+
J2-2, J5-2, J7-2, J10-2 = VU-
J3-1, J8-1 = Vs+
J3-2, J8-2 = Vs-

- Mitt PCB
- VU3.jpeg (103.87 KiB) Visad 5957 gånger
Om allt är OK, finns det något jag borde tänka på eller som jag kan göra bättre?
Jag tänkte driva den med line level, är 470 Ohm korrekt för R1 (R5, R9, R13) och R2 (R6, R10, R14) och har jag kopplat trim-motstånden (R2, R6, R10, R14) korrekt?
Till sist, den jord som R2 (R6, R10, R14) är kopplad mot, är det signaljord?
Tack på förhand
