Moderator: Redaktörer
solhaga skrev:Att använda två SMPS till samma utrustning kan leda till en hörbar "boating"; de två aggregaten har inte exakt samma switchfrekvens.
solhaga skrev:Att använda två SMPS till samma utrustning kan leda till en hörbar "boating"; de två aggregaten har inte exakt samma switchfrekvens.
Originally Posted by Nelson Pass View Post
There are a couple considerations for using a swmps
1) Generally products have only one polarity, so you have to get 2 to make
a bipolar supply. When you use two supplies, you may find yourself listening
to a beat frequency noise coming out of the speakers which is at the
difference frequency of the two switchers. It wanders around in frequency.
This leads to:
2) You need to filter the rails for the noise out of the switchers, and you
usually can't just do it by sticking big capacitors on the rails - some
switchers sense the high current at low voltages and decide that there is
a short. Others will limit the current until the caps are charged. A strong
possibility is to make a follower filter with a cap multiplier which filters and
has a low current at initial turn-on, but you will give up a couple volts
doing it.
If you're not trying to be too cheap, take a look at Meanwell supplies
available from TRC
solhaga skrev:Jamendåså, då har du koll. Hade missat den tråden.
rikkitikkitavi skrev:appapappa, inte seriekoppla nätaggregat med PE anslutning!!!
På många nätaggregat är jord på lågspänningen (V-) ansluten till PE på 230VAC sidan av EMC skäl.
Seriekopplar du då så kortsluter du ena aggregatet Se bilden. Grönt är PE / Jord, blått streck är kortslutningen. Det går alltså över mellan aggregateen. De är med 99% kortslutsningsskyddade så de stänger bara av.
Kontinuitetsmät mellan PE och minus/jord.
Det går att dela på dem, men kan vara knepigt och EMC går åt h-e.
Att köra utan PE ansluten är också vanskligt ur många skäl.
BellsnWhistles skrev:Jag har inte läst allt i detalj men menar du att distorsionen från förstärkaren ökar från 0.005% till 0.1% (20 gånger) bara för du att lägger till en konding (parallellt antar jag) på matningen från nätdelen?
Jag kan inte riktigt se sambandet faktiskt.
rikkitikkitavi skrev:Så de gick att seriekoppla ?
Eller går de att köra utan jordanslutning/PE?
Jag tycker det ser ut som en PE anslutning och då skall de anslutas. Bara för att du inte stör din mätuppställning betyder det inte att de inte stör.
Får krypa till korset (), de switchade aggregaten med 48v och 6,6A ger 3,2Watt som max. Försöker jag mata på mer signal blir det ostabilt. De klarar helt enkelt inte av att driva för tungdrivna apparater. Tror de skall hålla sig till LED-lampor. Märkligt egentligen för mäter man dem är de kraftfulla. Måste ha med deras utimpedans att göra.
Det vanliga nätaggregatet på 36v och 1,5A ger 10Watt ut som max. Sätter jag på en utgångskondensator klarar den mer än 17 Watt ut.
Allt har mätts med mellan 3,9 och 5 ohms last.
rikkitikkitavi skrev:Kostar mer. En bra förstärkare har så bra PSRR, dämpning av rippel på en traditionell nätdel (trafo+dioder+kondensator) att det påverkar inte märkbart utsignalen anant än att uteffekten begränsas pga spänningen varierar.
Ett switchat stabiliserat nätaggregat har sitt rippel utanför audiofrekvenserna och få förstärkare kan dämpa detta rippel. Det krövs ett passivt filter för det.
Eftersom det är stabiliserat går det atr dimensionera för konstant utspänning och därmed konstant uteffekt.
Orsaken till att switchade nätaggregat blivit vanligare idag är kostnad och vikt. Man slipper en dyr, tung och stor transformator och elyter.
Jag förstår inte hur du kopplat för att få 48V?
Har du seriekopplat nätdelarna så har du en kortslutning oavsett OM jorden är ansluten till PE, eölet om du använder +-24V med mittnolla eller 48V.
Så uppenbarligen så gick det?
solhaga skrev:På de SMPS jag använder (Meanwell LRS-150F-serien) är inte PE anslutet till minusterminalen på sekundärsidan.
Så de har gått utmärkt att använda som +/- aggregat.
xmag skrev:Denna koppling av ett nätaggregat är intressant:
Detta nätaggregat har en virtuell nolla samtidigt som nollan från transformatorn kopplats dit. Detta måste testas!
rikkitikkitavi skrev:Jag tror inte du förstått riktigt xmag.
OM minus på aggregatet är anslutet till PE kan du inte seriekoppla, oavsett om du väljer att köra +- symmetrisk spänning eller seriekopplat (det du kallar dubbelström)
Det kortsluter i båda fallen. Men lyckligtvis verkar det inte vara så att det är kopplat jord till PE som solhaga skriver.
Vad är det du visar på oscilliskopbilden, är det utsignalen från förstärkaren? Det verkar som om ena aggregatet inte är igång.
rikkitikkitavi skrev:xmag skrev:Denna koppling av ett nätaggregat är intressant:
Detta nätaggregat har en virtuell nolla samtidigt som nollan från transformatorn kopplats dit. Detta måste testas!
Nej, detta är en äkta nolla. Detta är en standarduppkoppling för förstärkare.
Om du bara har en sekundärlindning och sätter två kondingar efter bryggan i serie, och tar mittpunkten som nolla är det virtuell nolla. Problemet med denna lösning är att nollpunkten driver och matningarna kan bli asymmetriska, tex +30/-18V eller vad det nu blir. Det fungerar bäst för små strömuttag där man kan ha hög kapacitans i förhållande till strömuttagen.
Varning: Valet av 40vct (20-0-20) transformator är teoretiskt inkompatibelt med LM1875:s som kör 4 ohm högtalare. Autentiska LM1875 kommer att lösa ut sina limiters, vilket gör att ljudet stängs av och på.
xmag skrev:rikkitikkitavi skrev:Kostar mer. En bra förstärkare har så bra PSRR, dämpning av rippel på en traditionell nätdel (trafo+dioder+kondensator) att det påverkar inte märkbart utsignalen anant än att uteffekten begränsas pga spänningen varierar.
Ett switchat stabiliserat nätaggregat har sitt rippel utanför audiofrekvenserna och få förstärkare kan dämpa detta rippel. Det krövs ett passivt filter för det.
Eftersom det är stabiliserat går det atr dimensionera för konstant utspänning och därmed konstant uteffekt.
Orsaken till att switchade nätaggregat blivit vanligare idag är kostnad och vikt. Man slipper en dyr, tung och stor transformator och elyter.
Jag förstår inte hur du kopplat för att få 48V?
Har du seriekopplat nätdelarna så har du en kortslutning oavsett OM jorden är ansluten till PE, eölet om du använder +-24V med mittnolla eller 48V.
Så uppenbarligen så gick det?
Tack för nyttig info!
Det går seriekoppla två switchade aggregat för dubbel spänning (bockat i grönt).
Jag kopplade om slutsteget till äkta dubbelström och testade. Nu börjar det bli intressant: Det går INTE koppla dem med mittnolla så här (överkryssat i rött)...
...för då ser signalen ut så här...
Du hade alltså rätt från början rikkitikkitavi
xmag skrev:Testar nu med olika kopplingar av de switchade aggregaten.
Mätning vid 1kHz:
24-0-24 = Får ut max 2Watt med 5 ohms last och 1,9Watt med 10 ohms last.
48v virtuellt = Får ut max 4,0 Watt med 5 ohms last och 20,7 Watt med 10 ohms last. 4 Watt i 5 ohm klarar den en liten stund, sedan pulserar det upp och ned.
24v virtuellt = Får ut max 5,6 Watt med 5 ohms last och 3,84 Watt med 10 oms last.
virtuellt menas med att jag matar med enkelström till kretsen som delar upp strömmen i "plusström-0-minusström". Alltså jobbar de switchade aggregaten som de är byggda.
Frekvensmätning från 3Hz:
24-0-24 = Klarar både 5 ohm med 2 Watt och 10 ohm med 2 Watt. Max ut är 2 Watt i 5 ohm och 2Watt i 10 ohm.
48v virtuellt = Klarar 5 ohm med 0,0 Watt och 10 ohm med 8,1 Watt. Max ut är 4 Watt i 5 ohm och 20,7 Watt i 10 ohm. Det går inte ens att koppla in den på 5 ohm utan signal??
24v virtuellt = Klarar 5 ohm med 0,01Watt och 10 ohm med 0,9 Watt. Max ut är 5,6 Watt i 5 ohm och 3,8 Watt i 10 ohm.
Om jag börjar mäta från 20Hz klarar inte 24v av det alls och 48v klarar det inte alls med 5 ohm men 10 ohm klarar den på max effekt, dvs 20,7 Watt.
Summering:
- Man skall inte mäta från 3Hz i normala fall.
- LM1875 klarar inte tunga laster från låg nivå precis som några andra sagt.
- Switchade nätaggregat fungerar mycket dåligt om de seriekopplas med mittnolla mellan dem.
- Switchade nätaggregat som seriekopplas till 48 Volt och sedan kopplas till virtuell nolla fungerar bra så länge lasten inte är under 8 ohm.
- Switchade nätaggregat på 24 Volt fungerar nästan inte alls med LM1875 på lägre frekvenser.
En kul grej är att multimetern varnar för likström när jag börjar mäta från 3Hz.
jansch skrev:Kan du visa ett komplett kopplingsschema för slutsteget som det ser ut när du kör dubbel matningsspänning?
Du ska inte lägga till ett motstånd på utgången, det enda du uppnår är att förstärkaren behöver större utsignal för att nå samma effekt till högtalaren

xmag skrev:Mätte Ampere på de två sammansatta 24v (=48v) switchade nätaggregaten.
De skall ha 3.3 Ampere men har 2.7 Ampere:
solhaga skrev:Att THD går upp vid användandet av två SMPS beror på "boating".
Denna intermodulation gör också att mätningarna blir olika; du "träffar" denna intermodulation olika när du kör svepen.
Du vet väl att i REW finns Stepped Sine i RTA-delen.
Väl där så välj "Stepped Level" med en för dig intressant frekvens.
På så sätt kan du snabbt få en bild av förstärkaren.
Här är ett exempel från mina mätningar vid 1 kHz:
[ Bild ]
-28 dB insignal motsvarade 1 W ut.
jansch skrev:xmag skrev:Mätte Ampere på de två sammansatta 24v (=48v) switchade nätaggregaten.
De skall ha 3.3 Ampere men har 2.7 Ampere:
Nä.... nu mäter du nog fel, eller rättare sagt tänker fel.
Eller förstår jag din mätning fel?
Du mäter på utgången på förstärkaren = växelspänning och jag ser inte att det står "peak" någonstans, d v s det borde vara RMS.
Alltså, maxströmmen är 2,675 x 1,412 = 3,777 ampere (peak)
Uteffekten anges till 59,378watt vilket då stämmer med att strömmen (2,675) anges i RMS. Allt enligt formeln P = U(RMS) x I(RMS) vilket egentligen blir 59,385W.
Att du får ut mer ström, 3,771ampere istället för 3,3ampere, beror på 2 saker:
- Tillverkaren har lite marginal då det finns en viss spridning i tillverkningen.
- Du har 2 reservoarkondensatorer i slutsteget (100uF på matningspänningarna) som hjälper till att jämna ut maxströmmen från spänningsaggregaten.
Dessa kondensatorer medför att vid låga mätfrekvenser hinner dom tömmas och hjäper då inte till men vid högre frekvenser håller dom spänningen uppe. Du kan alltå öka dom till t.ex 1000 eller t o m 3300uF och få ut mer effekt av förstärkaren vid låga frekvenser.
solhaga skrev:Att THD går upp vid användandet av två SMPS beror på "boating".
Denna intermodulation gör också att mätningarna blir olika; du "träffar" denna intermodulation olika när du kör svepen.
Du vet väl att i REW finns Stepped Sine i RTA-delen.
Väl där så välj "Stepped Level" med en för dig intressant frekvens.
På så sätt kan du snabbt få en bild av förstärkaren.
Här är ett exempel från mina mätningar vid 1 kHz:
[ Bild ]
-28 dB insignal motsvarade 1 W ut.
xmag skrev:jansch skrev:xmag skrev:Mätte Ampere på de två sammansatta 24v (=48v) switchade nätaggregaten.
De skall ha 3.3 Ampere men har 2.7 Ampere:
Nä.... nu mäter du nog fel, eller rättare sagt tänker fel.
Eller förstår jag din mätning fel?
Du mäter på utgången på förstärkaren = växelspänning och jag ser inte att det står "peak" någonstans, d v s det borde vara RMS.
Alltså, maxströmmen är 2,675 x 1,412 = 3,777 ampere (peak)
Uteffekten anges till 59,378watt vilket då stämmer med att strömmen (2,675) anges i RMS. Allt enligt formeln P = U(RMS) x I(RMS) vilket egentligen blir 59,385W.
Att du får ut mer ström, 3,771ampere istället för 3,3ampere, beror på 2 saker:
- Tillverkaren har lite marginal då det finns en viss spridning i tillverkningen.
- Du har 2 reservoarkondensatorer i slutsteget (100uF på matningspänningarna) som hjälper till att jämna ut maxströmmen från spänningsaggregaten.
Dessa kondensatorer medför att vid låga mätfrekvenser hinner dom tömmas och hjäper då inte till men vid högre frekvenser håller dom spänningen uppe. Du kan alltå öka dom till t.ex 1000 eller t o m 3300uF och få ut mer effekt av förstärkaren vid låga frekvenser.
Något är fel, det håller jag med om. Men jag mäter på samma sätt som alla andra jag studerat. Har du tittat på kopplingsscheman jag lade ut som du frågande efter?
Jag har en multimeter som mäter växelström enligt TRMS. Vad du menar med peak i detta sammanhang vet jag inte.
När jag mäter den mycket svagare TDA2003 får jag de värden den skall ha och som alla andra också mätt upp till. Jag tror helt enkelt det är något fel på mitt slutsteg.
jansch skrev:xmag skrev:jansch skrev:
Nä.... nu mäter du nog fel, eller rättare sagt tänker fel.
Eller förstår jag din mätning fel?
Du mäter på utgången på förstärkaren = växelspänning och jag ser inte att det står "peak" någonstans, d v s det borde vara RMS.
Alltså, maxströmmen är 2,675 x 1,412 = 3,777 ampere (peak)
Uteffekten anges till 59,378watt vilket då stämmer med att strömmen (2,675) anges i RMS. Allt enligt formeln P = U(RMS) x I(RMS) vilket egentligen blir 59,385W.
Att du får ut mer ström, 3,771ampere istället för 3,3ampere, beror på 2 saker:
- Tillverkaren har lite marginal då det finns en viss spridning i tillverkningen.
- Du har 2 reservoarkondensatorer i slutsteget (100uF på matningspänningarna) som hjälper till att jämna ut maxströmmen från spänningsaggregaten.
Dessa kondensatorer medför att vid låga mätfrekvenser hinner dom tömmas och hjäper då inte till men vid högre frekvenser håller dom spänningen uppe. Du kan alltå öka dom till t.ex 1000 eller t o m 3300uF och få ut mer effekt av förstärkaren vid låga frekvenser.
Något är fel, det håller jag med om. Men jag mäter på samma sätt som alla andra jag studerat. Har du tittat på kopplingsscheman jag lade ut som du frågande efter?
Jag har en multimeter som mäter växelström enligt TRMS. Vad du menar med peak i detta sammanhang vet jag inte.
När jag mäter den mycket svagare TDA2003 får jag de värden den skall ha och som alla andra också mätt upp till. Jag tror helt enkelt det är något fel på mitt slutsteg.
TRMS står för "äkta" (True) RMS. Detta betyder att du mäter RMS (Root Mean Square = effektivvärde = medelströmmen) för en sinusvåg.
Det betyder att maxströmmen blir roten ur 2 gånger större = 1,412 gånger större än RMS för en sinusvåg.
Strömmen varierar ju mellan "0" ampere och maxvärdet som betecknas med "Peak" för en sinusvåg men medelvärdet är/blir "RMS".
Samma sak gäller givetvis för spänning. Mäter du RMS är toppspänningen roten ur 2 gånger högre.
Alltså, som jag skrev så drar slutsteget 1,412 gånger mer ström än vad du anger + Lite förluster i övriga komponenter, t.ex RC- länken på utgången.
Har du en fyrkantvåg är RMS och Peak lika.
xmag skrev:solhaga skrev:Att THD går upp vid användandet av två SMPS beror på "boating".
Denna intermodulation gör också att mätningarna blir olika; du "träffar" denna intermodulation olika när du kör svepen.
Du vet väl att i REW finns Stepped Sine i RTA-delen.
Väl där så välj "Stepped Level" med en för dig intressant frekvens.
På så sätt kan du snabbt få en bild av förstärkaren.
Här är ett exempel från mina mätningar vid 1 kHz:
[ Bild ]
-28 dB insignal motsvarade 1 W ut.
Tror jag har samma inställningar som dig i denna mätning, Du har bara en större upplösning på den vågräta skalan:
Mellan -30 och -25 dB brukar jag ligga när jag mäter högtalare och där ligger THD på under 0,002% med två sammansatta switchade aggregat med mittnolla.
xmag skrev:Här kan man se att två samansatta switchade nätaggregat inte fullt ut spelar med varandra:
Problemet syns dock inte i några andra mätningar.
1125 Hz is quite problematic for 48 k (or multiples) sampling from a quantisation perspective, needs dither.
solhaga skrev:xmag skrev:solhaga skrev:Att THD går upp vid användandet av två SMPS beror på "boating".
Denna intermodulation gör också att mätningarna blir olika; du "träffar" denna intermodulation olika när du kör svepen.
Du vet väl att i REW finns Stepped Sine i RTA-delen.
Väl där så välj "Stepped Level" med en för dig intressant frekvens.
På så sätt kan du snabbt få en bild av förstärkaren.
Här är ett exempel från mina mätningar vid 1 kHz:
[ Bild ]
-28 dB insignal motsvarade 1 W ut.
Tror jag har samma inställningar som dig i denna mätning, Du har bara en större upplösning på den vågräta skalan:
Mellan -30 och -25 dB brukar jag ligga när jag mäter högtalare och där ligger THD på under 0,002% med två sammansatta switchade aggregat med mittnolla.
Jag anser att dBr(elative) ger en bättre överblick.
Du behöver inte göra om mätningen, bara ändra på presentationen.
Sedan är det nog praxis här på faktiskt.io att ha 5 dB per streck på y-axeln.
solhaga skrev:xmag skrev:Här kan man se att två samansatta switchade nätaggregat inte fullt ut spelar med varandra:
Problemet syns dock inte i några andra mätningar.
Nu vet man inte nivån relativt säg 1 kHz vid 1 W.
Sedan kan mätningarna påverkas av samplingsintervallet:1125 Hz is quite problematic for 48 k (or multiples) sampling from a quantisation perspective, needs dither.
Hur ser en loopback ut?
solhaga skrev:Koppla förförstärkaren direkt till mätingången.
xmag skrev:solhaga skrev:Koppla förförstärkaren direkt till mätingången.
Så här kopplar jag när jag mäter slutsteg:
Från datorn till ljudkortet, från ljudkortet till slutsteget, från slutsteget till ljudkortet, från ljudkortet till datorn. I datorn är det REW som hanterar signalerna.
När jag mäter högtalare är det kopplat på annat sätt.
solhaga skrev:xmag skrev:solhaga skrev:Koppla förförstärkaren direkt till mätingången.
Så här kopplar jag när jag mäter slutsteg:
Från datorn till ljudkortet, från ljudkortet till slutsteget, från slutsteget till ljudkortet, från ljudkortet till datorn. I datorn är det REW som hanterar signalerna.
När jag mäter högtalare är det kopplat på annat sätt.
Koppla ljudkort till ljudkort; en loop för att få en referens.
Kolla vilken sampelfrekvens som ger minst brus mm.
Även dither kan påverka.
Jag har även sett att ASIO- eller JAVA-drivare kan göra skillnad.
xmag skrev:Nu har jag räknat på de värden som en elektroniktestare fått fram:
Som exempel har jag markerat ett av den uträknade effekten. Jag får exakt samma effekt. Så långt är allt rätt. Men skall jag innan jag noterar spänningen multiplicera den med 1,412?
Alltså där det i bilden här ovan som står Vout RMS är det då redan multiplicerat med 1,412 eftersom jag får exakt samma effekt när jag räknar på det?
Jag mäter bara TRMS och lägger in det i formeln för effekt. Jag skall alltså först multiplicera TRMS med 1,412 innan jag lägger in det i formeln för effekt?
jansch skrev:xmag skrev:Nu har jag räknat på de värden som en elektroniktestare fått fram:
Som exempel har jag markerat ett av den uträknade effekten. Jag får exakt samma effekt. Så långt är allt rätt. Men skall jag innan jag noterar spänningen multiplicera den med 1,412?
Alltså där det i bilden här ovan som står Vout RMS är det då redan multiplicerat med 1,412 eftersom jag får exakt samma effekt när jag räknar på det?
Jag mäter bara TRMS och lägger in det i formeln för effekt. Jag skall alltså först multiplicera TRMS med 1,412 innan jag lägger in det i formeln för effekt?
Nej,
Effekten (P) är = U(RMS) x I(RMS) för resistiva laster typ ditt belastningsmotstånd.
Precis som i ditt exempel: P = Vout rms x Iout rms = 5,68 x 2,84 = 16,13 watt.
Dock, för att detta ska funka behöver du få ut ett spänningssving på 2 x 5,68 x 1,412 = 16,04 volt.
Samt en maxström på 2,84 x 1,412 = 4,01 ampere från varje spänningsaggreat. (därutöver också för förluster såsom RC-länken på utgången.
Alltså nätaggregaten är specade med maxström 3,3 amp, inte något genomsnitt (RMS)
Matningspänningen är 24 volt i exemplet och då går resten av spänningen åt till förluster i slutteget, d v s 24 - 16,04 = 7,96 volt..... enkelt uttryckt.
Hoppas jg uttrycker mej klart, annars fråga
Ted_B skrev:Det gör ju inte så stor skillnad, men roten ur 2 är 1,414....
Det stör bara mitt öga att se 1,412
jansch skrev:Ted_B skrev:Det gör ju inte så stor skillnad, men roten ur 2 är 1,414....
Det stör bara mitt öga att se 1,412
Oj, nu får jag skämmas.... tog värdet ur huvudet, dags att inse att hjärnan är utsliten...
xmag skrev:jansch skrev:xmag skrev:Nu har jag räknat på de värden som en elektroniktestare fått fram:
Som exempel har jag markerat ett av den uträknade effekten. Jag får exakt samma effekt. Så långt är allt rätt. Men skall jag innan jag noterar spänningen multiplicera den med 1,412?
Alltså där det i bilden här ovan som står Vout RMS är det då redan multiplicerat med 1,412 eftersom jag får exakt samma effekt när jag räknar på det?
Jag mäter bara TRMS och lägger in det i formeln för effekt. Jag skall alltså först multiplicera TRMS med 1,412 innan jag lägger in det i formeln för effekt?
Nej,
Effekten (P) är = U(RMS) x I(RMS) för resistiva laster typ ditt belastningsmotstånd.
Precis som i ditt exempel: P = Vout rms x Iout rms = 5,68 x 2,84 = 16,13 watt.
Dock, för att detta ska funka behöver du få ut ett spänningssving på 2 x 5,68 x 1,412 = 16,04 volt.
Samt en maxström på 2,84 x 1,412 = 4,01 ampere från varje spänningsaggreat. (därutöver också för förluster såsom RC-länken på utgången.
Alltså nätaggregaten är specade med maxström 3,3 amp, inte något genomsnitt (RMS)
Matningspänningen är 24 volt i exemplet och då går resten av spänningen åt till förluster i slutteget, d v s 24 - 16,04 = 7,96 volt..... enkelt uttryckt.
Hoppas jg uttrycker mej klart, annars fråga
I mitt datorprogram som jag använder för att räkna ut effekten ser formeln ut så här enkelt uttryckt: Watt= (spänningen x spänningen)/Resistansen
Jag har titta på flera kalkylatorer på nätet och deras formler är exakt likadana.
Eller skall det vara så här: Watt= ((spänningen x 1.412) x (spänningen x 1.412) )/Resistansen ?
jansch skrev:xmag skrev:jansch skrev:
Nej,
Effekten (P) är = U(RMS) x I(RMS) för resistiva laster typ ditt belastningsmotstånd.
Precis som i ditt exempel: P = Vout rms x Iout rms = 5,68 x 2,84 = 16,13 watt.
Dock, för att detta ska funka behöver du få ut ett spänningssving på 2 x 5,68 x 1,412 = 16,04 volt.
Samt en maxström på 2,84 x 1,412 = 4,01 ampere från varje spänningsaggreat. (därutöver också för förluster såsom RC-länken på utgången.
Alltså nätaggregaten är specade med maxström 3,3 amp, inte något genomsnitt (RMS)
Matningspänningen är 24 volt i exemplet och då går resten av spänningen åt till förluster i slutteget, d v s 24 - 16,04 = 7,96 volt..... enkelt uttryckt.
Hoppas jg uttrycker mej klart, annars fråga
I mitt datorprogram som jag använder för att räkna ut effekten ser formeln ut så här enkelt uttryckt: Watt= (spänningen x spänningen)/Resistansen
Jag har titta på flera kalkylatorer på nätet och deras formler är exakt likadana.
Eller skall det vara så här: Watt= ((spänningen x 1.412) x (spänningen x 1.412) )/Resistansen ?
Nej,
Som jag skrev P = U x I för resistiva laster eller U x U/R vilket är samma sak då U kan bytas ut mot U = I x R som är farbfor Ohms Lag.
Alltså P = U x I x R / R och då kan du stryka bort R/R och kvar blir P = U x I.
Dock! Vid växelspänning(sinus) är det alltid RMS-värden.
Det är bra att använda beteckningen U för spänning, I för ström och P för effekt då det är standard nomenklatur inom fysik/ellära
Nu är det ju så att vid växelspänning varierar ju spänningen och strömmen över tiden och efter en hel sinusperiod repeteras spänningsändringen för nästa sinusperiod osv.
Vilket spänningsvärde måste man då räkna med, jo MEDELVÄRDET över tiden. För sinusväxelspänningar är medelvärdet RMS som är 1/roten ur 2 av maxspänningen. Eller omvänt toppspänningen är roten ur 2 ggr större.
Exempel:Du har 230volt i dina nätuttag i hemmet men mäter du med ett oscilloshop så ligger toppen på sinusspänningen på 230volt x roten ur 2 = 325 volt.
Googla t.ex på effektivärde - Wikipedia.
Alltså vill du veta hur mycket effekt du får ut måste du använda RMS.
Men vill du veta maximal ström så måste du multiplicera RMS-värdet med roten ur 2.
Vill du veta maximal spänning (spänningssving förstärkaren måste leverera) måste du muliplicera med roten ur 2 och dessutom också med 2 då du har en "positiv" sinuskurve-del och en "negativ".
Slutsats: dina nätaggregat struntar i din RMS-ström, dom kan leverera en maxström på 3,3amp och den kallar man för "Peak - ström som är roten ur 2 ggr större än medelströmmen(RMS).
Max "RMS-ström" (belastning) dina nätaggregat kan leverera är alltså 3,3/roten ur 2 vilket är
ca 2,33 ampere minus lite förluster i förstärkaren, alltså ca 2 ampere har du kvar. Med 8 ohms last ger det max P = I x I x R = 2 x 2 x 8 = 32watt om strömmen är den begränsande faktorn. Och vid 4 ohms last 16watt
jansch skrev:Ted_B skrev:Det gör ju inte så stor skillnad, men roten ur 2 är 1,414....
Det stör bara mitt öga att se 1,412
Oj, nu får jag skämmas.... tog värdet ur huvudet, dags att inse att hjärnan är utsliten...
2st Nätagg i serie
Det finns 2 olika jordningar i ett nätagregat det ena är en skyddsjordning och kopplas till chassit/kapslingen
den andra är en nerjordning till minuspolen för att man inte ska råka ut för flytande spänningar, som kan leda till att elektronisk utrustning beter sig konstigt
båda jordningarna går till den gemensamma jorden för anläggningen.
om man nu ska seriekoppla 2st nätagregat så kan man inte ha båda - polerna jordade för då jordar man det ena nätagregatets +pol och då har vi en direkt kortslutning alltså skall man endast jorda ner en nolla

solhaga skrev:Mäter du med hjälp av att läsa av i REW eller med hjälp av en TRMS voltmeter över utgången (och då med ljudkortets inkoppling borttagen)?
Om det är det förra så kan en del ljudkort lyfta jordanslutningen och på så sätt mäta differentiellt inom ljudkortets "common mode"-gräns.
[ Bild ]
Om ditt ljudkort inte har det, så kan du behöva "lyfta" inkopplingen till ljudkortet med hjälp av et par kondensatorer från din last.
Även i detta fall kan det fallera då insignalen kan flyta iväg utanför ljudkortets maximala innivå.
Det bästa är att mäta differentiellt med ett traditionellt oscilloskop då det tål högre "common mode"-spänningar.
xmag skrev:När jag mäter över lasten kan jag inte koppla bort ljudkortet för då får jag ju ingen signal till och från slutsteget.
solhaga skrev:xmag skrev:När jag mäter över lasten kan jag inte koppla bort ljudkortet för då får jag ju ingen signal till och från slutsteget.
Koppla bara bort ljudkortets ingång och mät med DMM:en över lasten för att säkerställa att det inte finns jordproblem med inkopplingen till ljudkortets ingång.
solhaga skrev:xmag skrev:När jag mäter över lasten kan jag inte koppla bort ljudkortet för då får jag ju ingen signal till och från slutsteget.
Koppla bara bort ljudkortets ingång och mät med DMM:en över lasten för att säkerställa att det inte finns jordproblem med inkopplingen till ljudkortets ingång.
solhaga skrev:Och detta gäller för alla dina nätaggregatskonfigurationer?
solhaga skrev:Och detta gäller för alla dina nätaggregatskonfigurationer?
solhaga skrev:Det är nog mer intressant i dina +/--konfigurationer.
solhaga skrev:På de SMPS jag använder (Meanwell LRS-150F-serien) är inte PE anslutet till minusterminalen på sekundärsidan.
Så de har gått utmärkt att använda som +/- aggregat.
solhaga skrev:Jag har inte klart för mig vad du menar med virtuell nolla versus riktig nolla, men det är nog det jag menar.
xmag skrev:En bild på principen:
Kondensatorerna i denna bild har jag i min koppling ca 13000uF på varje sida och resistorerna är på 1,1k
EDIT:
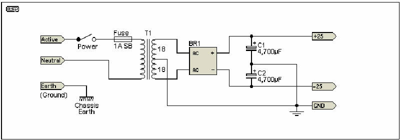
Rod Elliott (ESP) skriver så här om vad det heter "virtuell/konstgjord jord" men jag har också sett andra ord för det.
Lite text om det:
https://tangentsoft.net/elec/vgrounds.html
Morello skrev:xmag skrev:En bild på principen:
Kondensatorerna i denna bild har jag i min koppling ca 13000uF på varje sida och resistorerna är på 1,1k
EDIT:
Rod Elliott (ESP) skriver så här om vad det heter "virtuell/konstgjord jord" men jag har också sett andra ord för det.
Lite text om det:
https://tangentsoft.net/elec/vgrounds.html
Det där fungerar inte bra. Referensspänningen bör buffras med en OP eller en emitterföljare.
jansch skrev:Ska försöka vara lite pedagogisk....
Jag antar att du nu kör som på "principen", d v s som bilden du senast postade.
För att förstå problematiken rent praktiskt och verkligen se vad som händer kan du köra de båda nätaggregaten i den konfigurationen först helt utan last. Då får du ut en helt symmetrisk spänning.
Belasta nu endast ena sidan, t.ex plussidan med ett motstånd på sådär 20 ohm och mät sedan utspänningen på både + sidan och minussidan. Vad händer?
Alltså
När du driver ett klass AB slutsteg med dubbla spänningar kommer +spänningen att belastas av den positiva utsignalen och - spänningen är nästtan obelastad (precis som med motståndet ovan). När sinusvågen går över på negativa sidan sker det omvända.
Vad händer alltså vid låga frekvenser och med väldigt låga frekvenser (som i fallet ovan med 20ohms motståndet där frekvensen är"0").
Vad krävs då för att förstärkaren ska fungera vid t.ex 20Hz?
(Engentligen räcker det nog att rita in ett 20ohms motstånd som last mellan +4,5volt och jord i principbilden och studera bilden för att se vad som händer)
hifi_nirvana skrev:Det finns mycket kopior på LM1875 och LM3886. Det gäller att man köper på säkra ställen.
xmag skrev:Morello skrev:xmag skrev:En bild på principen:
Kondensatorerna i denna bild har jag i min koppling ca 13000uF på varje sida och resistorerna är på 1,1k
EDIT:
Rod Elliott (ESP) skriver så här om vad det heter "virtuell/konstgjord jord" men jag har också sett andra ord för det.
Lite text om det:
https://tangentsoft.net/elec/vgrounds.html
Det där fungerar inte bra. Referensspänningen bör buffras med en OP eller en emitterföljare.
Det fungerar bra när jag testat det utom för seriekopplade switchade nätaggregat. Men om det är delningen som förstör eller om det är något annat vet jag inte. Jag misstänker att det inte är delningen eftersom jag även kopplat de seriekopplade switchade nätaggregat direkt till plus-jord-minus med exakt samma fel. Felet visar sig på så vis att det inte går ta ut mer än 3,5 Watt men borde kunna ta ut minst 20 Watt. Jag gissar att seriekopplade switchade nätaggregat dödar strömmen på något sätt eftersom jag bara får ut 0,9 Ampere men borde kunna få ut 3,3 Ampere som nätaggregaten är på en och en.
Michael skrev:(ursäkta om jag är lite sen att skriva, men...)
Jag beundrar din entusiasm och viljan att lära dig. Du testar och testar... i blindo. Kanske bör du ibland även kolla vad som händer. För att förstå varför det händer det som händer. Varför får du bara ut x watt. Svaret kan ligga i att mäta och då menar jag inte med multimeter, utan oscilloskop. T.ex. finns det matningspänning till kretsen när den inte orkar ge effekt ut.
Detta med virtuelljord. Jag måste först bara säga det att tanken att använda det i en effektförstärkare, skulle aldrig falla mig in (och det finns väl inga slutsteg på marknaden som har det). Men det kan kanske vara roligt prova på, för att se - skulle det eventuellt kunna gå.
Men hur funkar det igentligen, vad är det du har kopplat upp och försöker få ut effekt ifrån. Jag tror att ett sätt att se på saken är att tänka sig att effekt-op'n är två halvor. Plus att tänka på signal under kort tid, halva periodtiden (nu tänker vi på sinus signal). Det var uppe om peak ström, då förenklar det att tänka på detta sätt.
Nu hade jag behövt en bild, men försöker utan. Vi förenklar (virtuelljord och halva kretsen). Nätdel (vi ignorerar detaljer om den, något som ger en DC spänning och kan ge ström): Plus går till OPn. Plus går också via två kondingar till minus. Däremellan finns jord. Över kondingarna även motstånd (dock rätt höga ohmtal). Utan OPn så är finns det nu plus/minus en viss spänning. Notera utan last (inte ens OPn). Tänk nu att vi tar ut ström på poitiva delen. Tänk en lampa, vad händer. Jo den positiva spänningen kommer att sjunka, rejält mycket faktiskt (om nu lampan skall lysa). Det är bara det där höga ohm motståndet (på minus sidan) som kommer att mata ström till lampan. Så om du vid ingen last hade plus och minus 20 volt. Så kanske vi nu har plus 2V och minus 38V. Oj då, så nu inser vi att det är viktigt att spänningståligheten på kondingarna är hela spänningen (40V, plus marginal).
Om vi nu byter ut lampan mot den tänkta halva-OPn och låter den ge en kort signal. Säg en halva 1kHz sinus. Då kommer strömmen tas från kondingen på positiva sidan, för den är uppladdad och har tillräckligt med energi för denna korta puls. Det som också sker är att den kommer att laddas upp via kondingen på negativa sidan. För vid 1kHz så har den låg impedans. Detta till skillnad mot med lampan ovan, för vid DC så har den hög impedans.
En slutsats är att den virtuellajord-källan är frekvensberoende. Den har en hög utimpedans vid låga frekvenser. Räkna t.ex. på vad den har för utimpedans vid 3Hz. Räkna sedan på vad denna impedans ger som spänningsfall vid en ström som krävs för t.ex. 10W i 4ohm.
//Michael
Michael skrev:(ursäkta om jag är lite sen att skriva, men...)
Jag beundrar din entusiasm och viljan att lära dig. Du testar och testar... i blindo. Kanske bör du ibland även kolla vad som händer. För att förstå varför det händer det som händer. Varför får du bara ut x watt. Svaret kan ligga i att mäta och då menar jag inte med multimeter, utan oscilloskop. T.ex. finns det matningspänning till kretsen när den inte orkar ge effekt ut.
Detta med virtuelljord. Jag måste först bara säga det att tanken att använda det i en effektförstärkare, skulle aldrig falla mig in (och det finns väl inga slutsteg på marknaden som har det). Men det kan kanske vara roligt prova på, för att se - skulle det eventuellt kunna gå.
Men hur funkar det igentligen, vad är det du har kopplat upp och försöker få ut effekt ifrån. Jag tror att ett sätt att se på saken är att tänka sig att effekt-op'n är två halvor. Plus att tänka på signal under kort tid, halva periodtiden (nu tänker vi på sinus signal). Det var uppe om peak ström, då förenklar det att tänka på detta sätt.
Nu hade jag behövt en bild, men försöker utan. Vi förenklar (virtuelljord och halva kretsen). Nätdel (vi ignorerar detaljer om den, något som ger en DC spänning och kan ge ström): Plus går till OPn. Plus går också via två kondingar till minus. Däremellan finns jord. Över kondingarna även motstånd (dock rätt höga ohmtal). Utan OPn så är finns det nu plus/minus en viss spänning. Notera utan last (inte ens OPn). Tänk nu att vi tar ut ström på poitiva delen. Tänk en lampa, vad händer. Jo den positiva spänningen kommer att sjunka, rejält mycket faktiskt (om nu lampan skall lysa). Det är bara det där höga ohm motståndet (på minus sidan) som kommer att mata ström till lampan. Så om du vid ingen last hade plus och minus 20 volt. Så kanske vi nu har plus 2V och minus 38V. Oj då, så nu inser vi att det är viktigt att spänningståligheten på kondingarna är hela spänningen (40V, plus marginal).
Om vi nu byter ut lampan mot den tänkta halva-OPn och låter den ge en kort signal. Säg en halva 1kHz sinus. Då kommer strömmen tas från kondingen på positiva sidan, för den är uppladdad och har tillräckligt med energi för denna korta puls. Det som också sker är att den kommer att laddas upp via kondingen på negativa sidan. För vid 1kHz så har den låg impedans. Detta till skillnad mot med lampan ovan, för vid DC så har den hög impedans.
En slutsats är att den virtuellajord-källan är frekvensberoende. Den har en hög utimpedans vid låga frekvenser. Räkna t.ex. på vad den har för utimpedans vid 3Hz. Räkna sedan på vad denna impedans ger som spänningsfall vid en ström som krävs för t.ex. 10W i 4ohm.
//Michael
Morello skrev:xmag skrev:Morello skrev:
Det där fungerar inte bra. Referensspänningen bör buffras med en OP eller en emitterföljare.
Det fungerar bra när jag testat det utom för seriekopplade switchade nätaggregat. Men om det är delningen som förstör eller om det är något annat vet jag inte. Jag misstänker att det inte är delningen eftersom jag även kopplat de seriekopplade switchade nätaggregat direkt till plus-jord-minus med exakt samma fel. Felet visar sig på så vis att det inte går ta ut mer än 3,5 Watt men borde kunna ta ut minst 20 Watt. Jag gissar att seriekopplade switchade nätaggregat dödar strömmen på något sätt eftersom jag bara får ut 0,9 Ampere men borde kunna få ut 3,3 Ampere som nätaggregaten är på en och en.
Det fungerar som sagt inte - du måste ha en buffert efter spänningsdelaren som sänker impedansen i din "pseudo-jord" till en mer anständig nivå än 50 kohm.
jansch skrev:Michael skrev:(ursäkta om jag är lite sen att skriva, men...)
Jag beundrar din entusiasm och viljan att lära dig. Du testar och testar... i blindo. Kanske bör du ibland även kolla vad som händer. För att förstå varför det händer det som händer. Varför får du bara ut x watt. Svaret kan ligga i att mäta och då menar jag inte med multimeter, utan oscilloskop. T.ex. finns det matningspänning till kretsen när den inte orkar ge effekt ut.
Detta med virtuelljord. Jag måste först bara säga det att tanken att använda det i en effektförstärkare, skulle aldrig falla mig in (och det finns väl inga slutsteg på marknaden som har det). Men det kan kanske vara roligt prova på, för att se - skulle det eventuellt kunna gå.
Men hur funkar det igentligen, vad är det du har kopplat upp och försöker få ut effekt ifrån. Jag tror att ett sätt att se på saken är att tänka sig att effekt-op'n är två halvor. Plus att tänka på signal under kort tid, halva periodtiden (nu tänker vi på sinus signal). Det var uppe om peak ström, då förenklar det att tänka på detta sätt.
Nu hade jag behövt en bild, men försöker utan. Vi förenklar (virtuelljord och halva kretsen). Nätdel (vi ignorerar detaljer om den, något som ger en DC spänning och kan ge ström): Plus går till OPn. Plus går också via två kondingar till minus. Däremellan finns jord. Över kondingarna även motstånd (dock rätt höga ohmtal). Utan OPn så är finns det nu plus/minus en viss spänning. Notera utan last (inte ens OPn). Tänk nu att vi tar ut ström på poitiva delen. Tänk en lampa, vad händer. Jo den positiva spänningen kommer att sjunka, rejält mycket faktiskt (om nu lampan skall lysa). Det är bara det där höga ohm motståndet (på minus sidan) som kommer att mata ström till lampan. Så om du vid ingen last hade plus och minus 20 volt. Så kanske vi nu har plus 2V och minus 38V. Oj då, så nu inser vi att det är viktigt att spänningståligheten på kondingarna är hela spänningen (40V, plus marginal).
Om vi nu byter ut lampan mot den tänkta halva-OPn och låter den ge en kort signal. Säg en halva 1kHz sinus. Då kommer strömmen tas från kondingen på positiva sidan, för den är uppladdad och har tillräckligt med energi för denna korta puls. Det som också sker är att den kommer att laddas upp via kondingen på negativa sidan. För vid 1kHz så har den låg impedans. Detta till skillnad mot med lampan ovan, för vid DC så har den hög impedans.
En slutsats är att den virtuellajord-källan är frekvensberoende. Den har en hög utimpedans vid låga frekvenser. Räkna t.ex. på vad den har för utimpedans vid 3Hz. Räkna sedan på vad denna impedans ger som spänningsfall vid en ström som krävs för t.ex. 10W i 4ohm.
//Michael
Michael.
Det du skriver är en "kopia" av det jag skrev igår.......
Xmag behöver nog göra en test, antingen med "din lampa" eller "mitt motstånd" för att se vad som händer och därefter titta på schemat och se/förstå hur "din lampa" eller "mitt motstånd", eller rättare sagt slutstegets pulserande behov av omväxlande + och - ström, påverkar spänningsdelaren i nätdelen och dess "virtuella jord".
Så..... Xmag, gör en test . Mät matningsspänningen med oscilloshop vid t.ex 20Hz. Du kommer att se hur "jorden" far upp och ner mellan de stabila matningsspänningarna/ potentialerna.
Ja, så råkade det bli. Jag såg ditt inlägg efter jag skrivit mitt. Vi skrev i princip samma sak, men med olika ord. Nåja, inte fel med samma tips i två inlägg.jansch skrev:Michael.
Det du skriver är en "kopia" av det jag skrev igår.......
Michael skrev:Ja, så råkade det bli. Jag såg ditt inlägg efter jag skrivit mitt. Vi skrev i princip samma sak, men med olika ord. Nåja, inte fel med samma tips i två inlägg.jansch skrev:Michael.
Det du skriver är en "kopia" av det jag skrev igår.......
Angående switchade nätdelar och koppla ihop. Så är jag lite tveksam vad som kan hända. För 'störningarna' som de ger kan eventuellt påverka varandra. Nätdelen bör också klara av det som den avses användas till. Att t.ex. ta switchade nätdelar som är konstruerade för att driva LED'ar - kan nog vara lite vanskligt. I en sådan tillämpning så drar lasten en konstant ström. Den varierar inte alls så som en musik signal gör. Den kan eventuellt också kräva en min belastning. Vidare bör man också beakta hur stor kondensator som nätdelen bör belastas med. Brukar stå i databladet (om det nu är en 'riktig' elektronik komponent och inte nån 'pryl' från kina).
//Michael
xmag skrev:Nu har jag mätt och jämför med en Youtube-testare på nätet:
Rött är den tidigare mätningen med tidigare slutsteget.
Blått är den nya mätningen med det nya slutsteget.
Det lilla Gråa strecket är ett switchat aggregat på 24v med nya slutstegt.
Det lilla Gröna strecket är ett switchat aggregat på 24v med det tidigare slutsteget.
Grönt är en kille på Youtube som mätt också upp slutsteget med "proffsutrustning".
Nu ser allt bra ut och mina kurvor ligger nära den andra som mätt.
Dock fungerar fortfarande inte de två seriekopplade switchade aggregaten, men de är mycket stabilare nu. Jag körde dem både med riktig dubbelspänning och enkelspänning med virtuell nolla. De reagerar exakt samma. Det går alltså inte göra så med dessa aggregaten. Då är det bättre att köpa ett enkelspännings switchat aggregat och använde virtuell nolla för det fungerar åtminstone på den jag har. Frågan är om jag skall testa mer nu med de två seriekopplade switchade aggregaten med att koppla dem på olika sätt?
jansch skrev:xmag skrev:Nu har jag mätt och jämför med en Youtube-testare på nätet:
Rött är den tidigare mätningen med tidigare slutsteget.
Blått är den nya mätningen med det nya slutsteget.
Det lilla Gråa strecket är ett switchat aggregat på 24v med nya slutstegt.
Det lilla Gröna strecket är ett switchat aggregat på 24v med det tidigare slutsteget.
Grönt är en kille på Youtube som mätt också upp slutsteget med "proffsutrustning".
Nu ser allt bra ut och mina kurvor ligger nära den andra som mätt.
Dock fungerar fortfarande inte de två seriekopplade switchade aggregaten, men de är mycket stabilare nu. Jag körde dem både med riktig dubbelspänning och enkelspänning med virtuell nolla. De reagerar exakt samma. Det går alltså inte göra så med dessa aggregaten. Då är det bättre att köpa ett enkelspännings switchat aggregat och använde virtuell nolla för det fungerar åtminstone på den jag har. Frågan är om jag skall testa mer nu med de två seriekopplade switchade aggregaten med att koppla dem på olika sätt?
Nej, att bygga med virtuell nolla/jord är en rikigt dålig lösning. Det är därför jag, Michael och Morello kommenterar ditt testande.
Nätdel med "virtuell jord" kan man ha för kretslösningar som drar lite ström, alternativt arbetar med hög frekvens och symmetisk signal, inget av det uppfylls när man belastar med en effektförstärkare.
Varför är det dåligt.
Skäl 1: De ingående motstånden måste ha låg resistans, i nivå med vad du belastar nätdelen med d v s 8 ohm.*
Skäl 2: kondensatorerna måste ha vara STORA så att lång tidskonstant skapas, du vill ju att dom skall räcka att hålla spänningen uppe vid låga frekvenser så du får ut vettig effekt vid 15 -20 Hz.
Skäl 3: Du driver lösningen med ett switchad aggregat som har strömbegränsningskrets. Det resulterar i att kondensatorerna ändå inte laddas upp så fort. Hade du drivit lösningen med vanlig 80watt** transformator + likriktare hade transformatorn kanske givit 10 Ampere under en stor del av uppaddningscykeln och därmed stabilare spänning.
Alltså virtuell jord är en skitlösning som blir ännu sämre när man driver den med nätdel som har strömbegränsning.
*Teoretiskt klarar man sig med högre värden, man kan prova med t.ex 100 ohm eller mer så länge belastningsignalen är symmetrisk.
** motsvarar ungefär ett av dina switchade nätaggregat.
Fråga: har du mätt uteffekten vid t.ex 20 Hz för de olika lösningarna i din senaste graf?
xmag skrev:48v switchat med riktig nolla:
kimmen skrev:xmag skrev:48v switchat med riktig nolla:
Jag skulle inte satsa på någon av "virtuell jord"-lösningarna eftersom:
- kondensatorerna kommer att begränsa uteffekten vid låg frekvens om de inte är stora.
- DC-offset på utgången av slutsteget kommer ge obalans i matningsspäningarna om motstånden inte är små.
- Risk för att förstärkaren hänger sig i ena ändläget (latchup) om/när matningsspäningarna blir för obalanserade.
Jag har för mig att du skrev någonstans att det var flera volt över lasten.
Var det DC eller AC? Det verkar ju jättefel.
Det ska vara bra balans mellan + och - -matningarna om man mäter spänningen, och över lasten borde det inte vara mer än kanske +-50 mV DC.
I nyliga inlägg skriver du att R4 och R5 båda var 22 k, men i schemat visade du R4 = 220 kOhm och R5 = 10 kOhm. 220 kOhm är väldigt högt och kan leda till problem.
R4 = 22 kOhm, R5 = 1 kOhm och C3 = 100 uF skulle jag nog föreslå som en rimlig dimensionering, om total-gain = 22 är okej för din tillämpning (det blir inte 23 pga R1 + R3).
Men vad är grejen med C6?
Den borde inte finnas där alls.
Fanns den där har du troligen också bränt upp R6 - kanske med kortslutning i motståndet som följd?
C2 = 220 nF ger också ett lågpassfilter som bryter vid 723 Hz i bästa fall om ingången drivs av en spänningskälla, men något sånt verkar inte ha synts i dina mätningar så kan väl inte vara så?
Hur mycket annat är det som inte stämmer mellan schema och verklighet?
Och hur kyler du LM1875?
Att driva 4 ohm med +-24V matning kräver rejäl kylning.
220 kOhm är väldigt högt och kan leda till problem.
xmag skrev:AC var det, DC är det nästan inget alls.
R4 = 22 kOhm, R5 = 1 kOhm och C3 = 100 uF skulle jag nog föreslå som en rimlig dimensionering, om total-gain = 22 är okej för din tillämpning (det blir inte 23 pga R1 + R3).
Det är så det är nu.
Men vad är grejen med C6?
Den borde inte finnas där alls.
Fanns den där har du troligen också bränt upp R6 - kanske med kortslutning i motståndet som följd?
Det är felskrivet, skall vara 100uF. Men så ser det inte ut i det nya slutsteget. Nu är det bara en kondensator på 22uF.
Hur mycket annat är det som inte stämmer mellan schema och verklighet?
Och hur kyler du LM1875?
Att driva 4 ohm med +-24V matning kräver rejäl kylning.
Jag använder en traditionell kylare med fläkt som blåser på den. Tempen går aldrig över 40 garder.
220 kOhm är väldigt högt och kan leda till problem.
Hade en fråga om just det på gång, Nu fick jag svar!
Okej, men var det alltså med signal in då?
Med 22k + 22 k i återkopplingen skulle det annars kunna ha varit att slutsteget självsvängde då det krävs minst 10 ggrs gain för att LM1875 ska vara stabil.
Även 22 uF är alldeles för högt, och elektrolyt inte heller lämpligt eftersom det är växelspänning.
10 - 220 nF i serie med 1-10 ohm är rimligt.
Databladsexemplen använder 1 ohm + 220 nF.
Typ en CPU-kylare? Det borde kunna funka, men hur kretsen monteras med mellanlägg och/eller pasta spelar också en del roll för hur varmt själva chipet blir.
För att få ut 25 W i 4 ohm med +-24 V matning får jag det till 30 W förluster i chipet.
Det är görbart med TO-220, men kräver nästan perfekta förutsättningar för varje liten detalj i kyllösningen.
Största problemet med höga resistansvärden är DC-offset på utgången, men det kan också leda till självsvängning i värsta fall.
xmag skrev:Jag kan mäta effekten vid 20Hz senare.
Med det förra slutsteget blev kurvan osymmetrisk när den klippte, dvs den klippte först med den negativa signalen. I övrigt var kurvorna helt symmetriska. Detta slutsteg är även helt symmetrisk när den klipper. Har mätt en hel del med det switchade 24v slutsteget, det fungerar bra så här långt med virtuell nolla.
Mina nuvarande motstånd i delningen är på 1,1 kohm. Menar du att jag skall gå ner på omkring 100 ohm?
xmag skrev:Det som inte stämmer med detta kopplingsschema beror på att jag inte hade exakt det värdet. Ex.vis har jag ingen kondensator som C1, fick använda två seriekopplade elyt 4,7uF som kopplats med minus mot minus, plus in och plus till nr 1 så att den blir bipolär. Värdet blir 2,35uF.
jansch skrev:xmag skrev:Jag kan mäta effekten vid 20Hz senare.
Med det förra slutsteget blev kurvan osymmetrisk när den klippte, dvs den klippte först med den negativa signalen. I övrigt var kurvorna helt symmetriska. Detta slutsteg är även helt symmetrisk när den klipper. Har mätt en hel del med det switchade 24v slutsteget, det fungerar bra så här långt med virtuell nolla.
Mina nuvarande motstånd i delningen är på 1,1 kohm. Menar du att jag skall gå ner på omkring 100 ohm?
Nä, jag försöker säga att du skall glömma nätdel med "virtuell jord"
Den blir visserligen stabilare (klarar bl.a bättre asymmmetrisk last) med 100 ohm men då bränner du nästa 6watt kontinuerligt (vid tot 24volt matning) i bara motstånden och 0,24 ampere av de tillgängliga 3 ampere du har till förfogande går förlorade.
Att driva t.ex ett försteg med ett par opamp:ar med "virtuell jord" är ok då du tar ut lite effekt. Då kan man strunta i nätdelsförluster, det spelar ju normalt ingen roll om nätdelen förbrukar lika mycket som opamparna (max några watt). Dessutom klarar man sig då med små kondingar.
Men att driva ett slutsteg så är en kass lösning, framförallt om den matas med nätaggregat som har strömbegränsning.
Även Kimmen skriver ju också att det inte är lämpligt.
Lite tjatigt av mej, men mät som jag föreslog (med oscilloshop) så ser du vad som händer. Det ger oftast en bra aha-upplevelse och man övertygar sig själv.
Blåmarkeringen
Mät vid 20Hz eller lägre frekvens och titta samtidigt med oscilloshop vad som händer med matningsspänningarna.
jansch skrev:xmag skrev:Det som inte stämmer med detta kopplingsschema beror på att jag inte hade exakt det värdet. Ex.vis har jag ingen kondensator som C1, fick använda två seriekopplade elyt 4,7uF som kopplats med minus mot minus, plus in och plus till nr 1 så att den blir bipolär. Värdet blir 2,35uF.
Helt ok, då har du -3dB vid 3Hz på insignalen
Användare som besöker denna kategori: Inga registrerade användare och 26 gäster