Moderator: Redaktörer
Ragnwald skrev:Kul att ha dig här igen.![]()
Kan du beskriva vad ingångsfiltret har för betydelse och ditt val av detta?
Flint skrev:
Öh... vad jag förstår har NAD208 samma ingångsfilter men jag är lite osäker där. Har inte studerat det schemat mer än ytligt.
Nattlorden skrev:Flint skrev:
Öh... vad jag förstår har NAD208 samma ingångsfilter men jag är lite osäker där. Har inte studerat det schemat mer än ytligt.
Ojdå, det kan väl aldrig vara bra...
Ragnwald skrev:Flint skrev:Då är den inverterade kopplingen bättre vilket knoppen var inne på.
Vem är knoppen?
Flint skrev:Hela min förstärkarideologi går ut på att de förstärkande stegen ska ha oändlig frekvensgång uppåt i sig men inte få det. Alltså ska de klara GHz men filtreras före och falla av så tvärt som möjligt ovanför 20kHz. Det är min ideologi sedan många år. Den här kopplingen utgår från den tesen.
Svante skrev:Flint skrev:Hela min förstärkarideologi går ut på att de förstärkande stegen ska ha oändlig frekvensgång uppåt i sig men inte få det. Alltså ska de klara GHz men filtreras före och falla av så tvärt som möjligt ovanför 20kHz. Det är min ideologi sedan många år. Den här kopplingen utgår från den tesen.
Ungefär som att köra signalen genom en AD-DA-kedja (tex CD) då?
paa skrev:Jag är lite förvånad att den faller så snabbt under 20 Hz.
Nattlorden skrev:paa skrev:Jag är lite förvånad att den faller så snabbt under 20 Hz.
Hade jag varit Flint så hade jag velat testa vad skillnaden blir om man flyttar ned puckeln från 20Hz till 10.
paa skrev:Jag tror ändå det kan passa ganska bra till medelstora basreflexhögtalare som normalt sett är avstämda till 30-40 Hz. Med större burkar som går lägre så tror jag det vore en fördel att flytta ner puckeln.
paa skrev:Jag tror ändå det kan passa ganska bra till medelstora basreflexhögtalare som normalt sett är avstämda till 30-40 Hz. Med större burkar som går lägre så tror jag det vore en fördel att flytta ner puckeln.

Flint skrev:Det går bra att beställa både pucklar och frekvensgångar enligt önskemål. Ordermottagningen är öppen dygnet runt. Kostnad 100:-/simulering som alltså jag betalar för att det är så kul att simulera. Sörru...
paa skrev:Flint skrev:Det går bra att beställa både pucklar och frekvensgångar enligt önskemål. Ordermottagningen är öppen dygnet runt. Kostnad 100:-/simulering som alltså jag betalar för att det är så kul att simulera. Sörru...
Skriver ner det på en liten gul lapp som jag lägger här nånstans.

Flint skrev:Ragnwald skrev:Spännande.
Räkna med simuleringar och jämförelser.
Öh... vad jag förstår har NAD208 samma ingångsfilter men jag är lite osäker där. Har inte studerat det schemat mer än ytligt.
Flint skrev:n3mmr
Bra info. Har du kört någon simulering på NAD208? Jag drar mig för att ge mig på den pjäsen eftersom det är så brötigt mycket prylar i den och därmed stor chans att man tappar bort sig. Jag har heller ingen praktisk erfarenhet av den att luta mig mot.
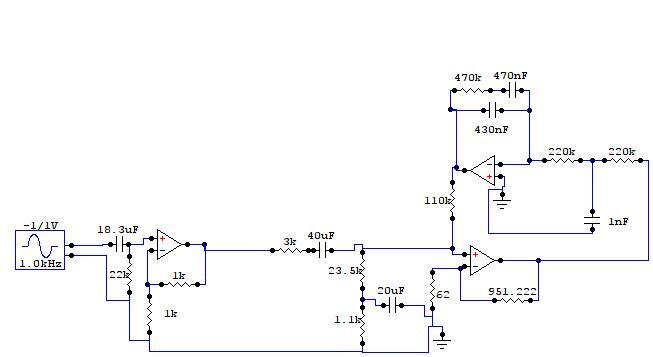
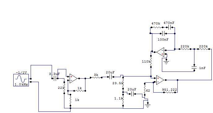
Flint skrev:Ja, fu kan man ju trimma så att den passar ens högtalare. Mina små PKK har basreflexporten trimmad till runt 50Hz och därför ser jag bara fördelar med att lägga även filtrets fu relativt högt för att slippa "tomma rörelser" på membranet. I diskanten säger mig dock min ljudteologi att filtrets fö bör ligga så lågt som möjligt men med begränsningen att låta 20kHz gå fritt. Det är den teologin hela det här experimentet går ut på, att inte släppa in högre frekvenser än absolut nödvändigt. Slutstegets egen frekvensgång bör däremot helst vara oändlig både uppåt och nedåt. Min egen filterversion som jag visade tidigare har -3dB-punkten på 34kHz och -0.3dB vid 20kHz. Det anser jag låter mycket bättre än att skippa filtret och låta kretsen jobba så högt i frekvens den bara kan och vill.
Har du blivit med Bryston nu då eftersom du har sålt dina NAD208?
phon skrev:Hur ser fasgången ut?
skrutten skrev:Det där ser ju ut riktigt bra ut, blir det här bättre som du upplever det än att köra inverterad LM3886? Har du någon typ av skydd mellan stärkare och högtalare typ induktor // med 10 ohm?
skrutten skrev:Ragnwald skrev:Ujujuj... ingen bra början.
??? Ibland så förstår jag faktiskt inte vad som skrivs

rikkitikkitavi skrev:Hur skulle man enkelt kunna lösa offset, tex vid parallellkoppling av flera steg? Det är inte realistiskt att sätta en konding mellan R5 och jord. Jag är inte riktigt med på hur det blir, för även om dina grafter visar att gain går mot -(liggande åtta) då f => 0 , så är ju offset kvar ?
Tekko skrev:Problemet som volympoten genererar borde väl på att lösa med en opamp buffer på ingången ?
Flint skrev:Nu har jag kopplat in kondingen på 2700uF i serie med R5. Det funkar bra Det första intrycket är att det inte påverkar ljudet vare sig till det bättre eller sämre men offseten på utgången är nu sänkt till 4mV på den ena kanalen och 8mV på den andra från det tidigare 40-50mV. Så här får det bli ett tag.
rikkitikkitavi skrev:jultomen har varit på TI
fluktade lite på kafferasten:
http://www.ti.com/product/lm3886
en bit ner på sidan hittar man länkar till spice och tina-ti spice modeller.
daterade i mars.
Jag har utgått från det faktum att NAD3020 av många (inkl. mig själv) anses vara en mycket musikalisk förstärkare. Därifrån har jag kollat vad som skiljer den konstruktionsmässigt från andra och testat just detta. Där framstår ingångsfiltret som en mycket tydlig faktor. Det är bakgrunden. Mer om hypotesen runt filtret följer.
oa51 skrev:Är detta det något man som novis kan bygga på experimentkort eller typ "hardwired"?
Flint skrev:rikkitikkitavi skrev:jultomen har varit på TI
fluktade lite på kafferasten:
http://www.ti.com/product/lm3886
en bit ner på sidan hittar man länkar till spice och tina-ti spice modeller.
daterade i mars.
Ja jäklingen serru. Jag nöp P-spicemodellen direkt och testar den i LT-spice som man är mest van vid först.
Den här versionen är väl inte riktigt klar än för det tillkom ju en konding idag och jag vill se ett tag att den idén håller innan jag caddar in den på ett nytt kort. Men verobord går förstås att få lika bra även om det kanske ser lite enklare ut.
rikkitikkitavi skrev:Flint skrev:rikkitikkitavi skrev:jultomen har varit på TI
fluktade lite på kafferasten:
http://www.ti.com/product/lm3886
en bit ner på sidan hittar man länkar till spice och tina-ti spice modeller.
daterade i mars.
Ja jäklingen serru. Jag nöp P-spicemodellen direkt och testar den i LT-spice som man är mest van vid först.
går det att använda p-spice modeller i lt spice?
jag trodde p-spice var sk nivå 3, dvs mer avancerad än lt-spice som är nivå 1 , dvs en förenklad modell? eller något sådant. är inte 100% säker vad jag pratar om nu
oa51 skrev:Den här versionen är väl inte riktigt klar än för det tillkom ju en konding idag och jag vill se ett tag att den idén håller innan jag caddar in den på ett nytt kort. Men verobord går förstås att få lika bra även om det kanske ser lite enklare ut.
Kul! Då följer jag denna tråd ett tag till så kanske man kan bygga något trevligt framöver. Har redan ett antal rör med LM3886 liggande liksom en del nätdelskomponenter.
rikkitikkitavi skrev:gött flint.
tack detsamma för ditt fina bidrag till forumet.alltid kul med praktisak resulat.
jag måste lära mig hur man importerar de där modellerna också.
skrutten skrev:Jag tänkte lite på frågorna runt parallellkoppling och jag kan egentligen inte se något problem med att lägga till ytterligare en krets parallellt man låter den ena kretsen stå för filtreringen och de andra bara hänger på. Offset borde kunna justeras med -ingången kanske så enkel som bara med en serieresistans. Bryggade kopplingar kan nog bli svårare utan extra opampar. Gain måste vara justerbar på en kretsen om inte 0.1% motstånd kan användas.
Konstigt jag trodde nog att det skulle bli en större höjning riktigt lågt i frekvens med valda värden. Jag måste lära mig LT-spice helt enkelt, finns det ngn bra kurs?
Nattlorden skrev:Ja, att den inte gjort sig själv fattade jag...![]()
Jag har dock letat bevis för designer och efter vem (företag) som tillverkade den, då det alltid sades på den tiden det begav sig att det inte gjordes hos NAD själva...
Flint skrev:Va bra. Det är ju mest konstruktionsteologin jag är intresserad av just nu men snarare LP-filtreringen än HP. Ska lyfta över den där i LT-spice och se hur norrbaggen har tänkt. Var det inte en norrman som konstruerade NAD208?
Ja, frid över Circuitmaker. RIP. Det var det programmet som ledde in mig på detta simulerade missbrukselände.
Flint skrev:n3mmr skrev:... vars namn jag har glömt bort var jag hade det noterat.
Man får vara glad att man minns att man noterade det man glömde bort vad det var man noterade och var man förvarade det.
n3mmr skrev:Flint skrev:n3mmr skrev:... vars namn jag har glömt bort var jag hade det noterat.
Man får vara glad att man minns att man noterade det man glömde bort vad det var man noterade och var man förvarade det.
Skrev jag det där?? Oj...
Flint skrev:n3mmr skrev:Flint skrev:n3mmr skrev:... vars namn jag har glömt bort var jag hade det noterat.
Man får vara glad att man minns att man noterade det man glömde bort vad det var man noterade och var man förvarade det.
Skrev jag det där?? Oj...
Minns inte.
n3mmr skrev:Flint skrev:Va bra. Det är ju mest konstruktionsteologin jag är intresserad av just nu men snarare LP-filtreringen än HP. Ska lyfta över den där i LT-spice och se hur norrbaggen har tänkt. Var det inte en norrman som konstruerade NAD208?
Ja, frid över Circuitmaker. RIP. Det var det programmet som ledde in mig på detta simulerade missbrukselände.
LP-delen i NAD208 är dels en enkel pol på 2 uS i slutstegets ingång, plus en till på 0,7 uS i ingångssteget.
Dvs en väldigt mjuk avrullning från ca 50-75 kHz som blir lite brantare från ca 200 kHz.
Intressant vore att kombinera din ursprungliga LP-del med NAD208ans HP-del.
Opampen som är aktiv kondensator runt själva slutsteget är en TL071, basåruvet.
Ingångssteget är byggt med NE5532
Flint skrev:n3mmr skrev:Flint skrev:Va bra. Det är ju mest konstruktionsteologin jag är intresserad av just nu men snarare LP-filtreringen än HP. Ska lyfta över den där i LT-spice och se hur norrbaggen har tänkt. Var det inte en norrman som konstruerade NAD208?
Ja, frid över Circuitmaker. RIP. Det var det programmet som ledde in mig på detta simulerade missbrukselände.
LP-delen i NAD208 är dels en enkel pol på 2 uS i slutstegets ingång, plus en till på 0,7 uS i ingångssteget.
Dvs en väldigt mjuk avrullning från ca 50-75 kHz som blir lite brantare från ca 200 kHz.
Intressant vore att kombinera din ursprungliga LP-del med NAD208ans HP-del.
Opampen som är aktiv kondensator runt själva slutsteget är en TL071, basåruvet.
Ingångssteget är byggt med NE5532
Surru. Där kom det lite till. TL071 dissade jag en gång rejält här på forumet för några år sedan men sen dess har jag tagit mitt förnuft tillfånga. Den funkar och låter alla tiders. Det måste ha varit kopplingen/situationen/nåt annat som spökade som triggade dissmusklerna. Testade den mer ingående nyss i jämförelse med betydligt dyrare kretsar när jag totade ihop ett nytt RIAA-steg. Rätt ska vara rätt.
MagnusÖstberg skrev:För en helt okunnig person som mig undrar jag hur fasförändringarna blir högre upp i frekvens när det faller så brant under 3Hz?

MagnusÖstberg skrev:För en helt okunnig person som mig undrar jag hur fasförändringarna blir högre upp i frekvens när det faller så brant under 3Hz?
n3mmr skrev:Flint skrev:n3mmr skrev:Flint skrev:n3mmr skrev:... vars namn jag har glömt bort var jag hade det noterat.
Man får vara glad att man minns att man noterade det man glömde bort vad det var man noterade och var man förvarade det.
Skrev jag det där?? Oj...
Minns inte.
Berätta vad du hittar ang NAD208ans basfilter, i original.
Jag har IÖs föreslagna värden liggande också, under nåt annat namn.

n3mmr skrev:MagnusÖstberg skrev:För en helt okunnig person som mig undrar jag hur fasförändringarna blir högre upp i frekvens när det faller så brant under 3Hz?
Dom går lite för fort över ca 18-20 Hz, vilket var skälet till IÖs modd.

Jag minns det som att fasen blev väldigt snygg till 18-19 Hz. med IÖS värden. Prova, vetja!Flint skrev:Vi angriper tydligen ungefär samma prylar men med något olika fördelning.
Flint skrev:Nattlorden skrev:Det var ju snyggt Flint, det var ju högst marginellt du fick stryk.
Menar du att jag valde fu 0.047Hz för högt i en total chansning/gissning. Är vi inte lite akademiskt petiga nu?![]()
Flint skrev:Problemet med såna här filter är att de sällan utvärderas utan bara tas för givet att "så här är det bäst att göra för det borde vara det vettiga". Har du själv utvärderat dina ingångsfilter och valt beroende på din egen utvärdering?
Flint skrev:En moralisk fråga.
Hur bör man se ideologin i en sån här situation? Vi nosar på en konstruktion som många anser vara välljudande. Jag syftar på NAD3020 nu. Ska man kopiera den rätt av i det här fallet eller ska man tänka igenom och simulera den som jag gör och kanske ändra det man tycker/tror går att förbättra med dagens mått mätt? Själv är jag splittrad här.
radelius skrev:Naim .... (schema borttaget..)
Flint skrev:Ja pappa.![]()
Menar ni i verkligheten eller simulerat?

Tekko skrev:Klarar LM3886 av att arbeta dckopplat i feedbackloopen utan att få en dc offset på flera volt ?
Tekko skrev:Verkar ju rimligt, jag brukar acceptera upp till ca 50mV i mina byggen.
Jag blev föresten mäkta imponerat när jag mätte dc offset på utgåpngen på en dckopplad stärk från 80'talet, den hade så låg dc offset att det stog 0.00 på min multimeter.
Flint skrev:n3mmr skrev:(man kan se att Tina kan visa parametriserade analyser som kurvskaror...)
Är kurvskarorna baserade på komponenternas toleranser?
Flint skrev:Det här går framåt.
Flint skrev:Det kan ha varit boxaren Bosse Högberg som recenserades.n3mmr skrev:Flint skrev:Det här går framåt.
Anita Lindblom sa, angående mäns underliv, att det går framåt på den punkten....
Flint skrev:n3mmr skrev:OBS att jag använde den Tina-spice för LM3886 som låg på TIs site i går kväll.
Den kanske inte är perfekt.
Kolla mutingfunktionen. Den var det problem med i min test, inverterad funktion. Och kretsens egen strömförbrukning.
n3mmr skrev:Dessutom: Tina var det hittills smidigaste jag haft att göra med, speciellt för oss som kör nån gång då och då och inte orkar lära om.
n3mmr skrev:Flint skrev:n3mmr skrev:OBS att jag använde den Tina-spice för LM3886 som låg på TIs site i går kväll.
Den kanske inte är perfekt.
Kolla mutingfunktionen. Den var det problem med i min test, inverterad funktion. Och kretsens egen strömförbrukning.
Den är ju INTE tyst, så det borde vara rätt.
n3mmr skrev:Jag hittade nyss att man verkar kunna testa en krets med en WAV-fil vilken som helst, och sen få resultatet på en annan wav-fil.
Lyssna på en simulerad krets. Yeah man!
n3mmr skrev:I min spice-modell, för Tina, då, har mute ingen verkan alls.
Ej implementerat, alltså.

n3mmr skrev:Det är nåt fel på mina grejer...
Med en till synes vettig koppling så blir spänningen på Ref-terminalen -30 kV....
Det tror jag inte på.

n3mmr skrev:När jag väljer "opamp" säger den
"Ideal single pole operational amplifier. You must .lib opamp.sub"
Va i hekvete menar den?
Sist jag körde LTspice (flera år sen) behövdes inget sånt... väl???
Flint skrev:n3mmr skrev:När jag väljer "opamp" säger den
"Ideal single pole operational amplifier. You must .lib opamp.sub"
Va i hekvete menar den?
Sist jag körde LTspice (flera år sen) behövdes inget sånt... väl???
Du har tydligen tappat bort subfiler. Uppdatera programmet. Det kom en ny version i dagarna. Då får du med alla filerna som är tänkta att vara med.
n3mmr skrev:Flint skrev:n3mmr skrev:När jag väljer "opamp" säger den
"Ideal single pole operational amplifier. You must .lib opamp.sub"
Va i hekvete menar den?
Sist jag körde LTspice (flera år sen) behövdes inget sånt... väl???
Du har tydligen tappat bort subfiler. Uppdatera programmet. Det kom en ny version i dagarna. Då får du med alla filerna som är tänkta att vara med.
Jag tror det är nåt med att den går under Wine.
Flint skrev:n3mmr skrev:Flint skrev:n3mmr skrev:När jag väljer "opamp" säger den
"Ideal single pole operational amplifier. You must .lib opamp.sub"
Va i hekvete menar den?
Sist jag körde LTspice (flera år sen) behövdes inget sånt... väl???
Du har tydligen tappat bort subfiler. Uppdatera programmet. Det kom en ny version i dagarna. Då får du med alla filerna som är tänkta att vara med.
Jag tror det är nåt med att den går under Wine.
Ah. Så kan det ju vara. Det kanske är så enkelt att .sub är upptaget eller nå't.
Flint skrev:n3mmr skrev:Jag måste tyvärr avstå från att jobba vidare med detta, just nu: Har för mycket annat.
Hoppas tredje ordningens dubbla sallen & key-varianten var intressant!
Nej. Den skjuter över målet.
Jag tycker det.n3mmr skrev:Flint skrev:n3mmr skrev:Jag måste tyvärr avstå från att jobba vidare med detta, just nu: Har för mycket annat.
Hoppas tredje ordningens dubbla sallen & key-varianten var intressant!
Nej. Den skjuter över målet.
Förklara varför??
Flint skrev:Jag tycker det.n3mmr skrev:Flint skrev:n3mmr skrev:Jag måste tyvärr avstå från att jobba vidare med detta, just nu: Har för mycket annat.
Hoppas tredje ordningens dubbla sallen & key-varianten var intressant!
Nej. Den skjuter över målet.
Förklara varför??
Flint skrev:En moralisk fråga.
Hur bör man se ideologin i en sån här situation? Vi nosar på en konstruktion som många anser vara välljudande. Jag syftar på NAD3020 nu. Ska man kopiera den rätt av i det här fallet eller ska man tänka igenom och simulera den som jag gör och kanske ändra det man tycker/tror går att förbättra med dagens mått mätt? Själv är jag splittrad här.
Flint skrev:Ingen som vill diskutera utvecklingsideologi och moral?
rikkitikkitavi skrev:har du testat med oh pio , min pio?
nej men.seriöst , dc servo, anybody ?
Flint skrev:IngOehman
Lever du själv efter den devisen eller gäller den bara andra? Att låta allt vara som det är? Infinity Kappa 9, vad göra?
Flint skrev:Ska man kopiera den rätt av i det här fallet eller ska man tänka igenom och simulera den som jag gör och kanske ändra det man tycker/tror går att förbättra med dagens mått mätt? Själv är jag splittrad här.
Harryup skrev:Hittar du nån loudnessverkan i 3020? Det många gillade var att den var så fyllig även på låg volym. Eller är det matthet uppåt kanske?
Den var ganska mycket fylligare på låg nivå än t.ex. Yamaha medans vid "halv volym" så lät dom mer lika.
mvh/Harryup
rikkitikkitavi skrev:Jag tycker att 3020 skall få vara ifred.
Att man däremot gör en upplevelsemässig emulering mha LM3886 och vissa frekvensbestämmande nät är helt ok, och då kan man ta sig alla friheter som finns.
Man kan givetvis modifiera 3020 också, emn då är det inte någon 3020 längre. Då är det en ny förstärkare.
Jag kan också se en intressant utveckling där man lär sig mycket om vad som ger "väljud", rent upplevelsemässigt.
Man är ju ute efter funktionen, inte metoden så att säga och metoderna kan vara olika men nå samma resultat.
Så varför låta sig hindras?
Användare som besöker denna kategori: Inga registrerade användare och 27 gäster