Moderator: Redaktörer
Intressant! Vad kör de i Kristianstadtrakten då? Är det slutet eller basreflex?MagnusÖstberg skrev:Nytt och nytt....
Det är iallafall inte alls tokigt enligt rapporter från Kristianstadstrakten.
Jag vill gömma den på sidan av lådan och låta ett mindre element ta hand om midbasen. Men vill samtidigt ha ett tillräckligt litet mellanregister för att matcha mot en Seas DXT-diskant spridningsmässigt, som inte får några låga frekvenser alls för att minska ev. dist.Varför inte 3-vägs förresten??
Elfsberg skrev:Jag tycker det ser ut som, på mina grafer att döma, som att man får vad man betalar för.
Hellre två L26ROY än fyra av denna..
DQ-20 skrev:Elfsberg skrev:Jag tycker det ser ut som, på mina grafer att döma, som att man får vad man betalar för.
Hellre två L26ROY än fyra av denna..
Såvida man inte föredrar basreflex och höga ljudtryck. Men lådorna blir som sagt stora. Och det är ju kanske bra så att man kan stoppa inte en ordentlig port.
/DQ-20
KarlXII skrev:Saru?
I första hand tänkte jag försöka fixa det passivt. Har redan simulerat en del på filtret där och det kan funka. Svårigheten ligger i att impedansen lätt blir låg vid delningen men det är ju inte hela världen, det finns ju förstärkare.gustav skrev:Med så pass låg delning som 100-200 Hz , har du tänkt dig aktiv delning av tian ?
Martin skrev:Några sista ord innan jag beställer?
Martin skrev:Idag kom diskant och midbas hem i ett paket på posten.Nu fattas bara hälften av elementen. Sitter och studerar mätningar på Linn Komri så man inte hamnar i samma problematik med impedansen som dem. Andra studieobjekt är såklart NHT 3.3 fast utan det fladdriga skråliga mellanregistret av plast.
paa skrev:Det är väl bara 3.3 som har dom fina 12" baselementen?
Ärligt talat så har jag bara hört 2.9 och de var inte helt bra tyckte jag i mellanregistret. Å andra sidan är det exakt samma element i 3.3. Det är mest baselementet som skiljer dem åt.Nattlorden skrev:paa skrev:Det är väl bara 3.3 som har dom fina 12" baselementen?
Jo, men tiotummarna var inte så illa de heller. Men nu var det mellanregistret det gällde.
Nattlorden skrev:paa skrev:Det är väl bara 3.3 som har dom fina 12" baselementen?
Jo, men tiotummarna var inte så illa de heller. Men nu var det mellanregistret det gällde.
Jag tänkte köra dessa passivt utan någon Likwitz Transform utan de får rulla av vid 30Hz någonting, precis som de är i en stor rymlig låda med låg kompression. Målet är inte att spela mycket starkt utan att få en mycket väldefinierad och lågdistorderande bas upp till en viss nivå.paa skrev:Martin skrev:Några sista ord innan jag beställer?
Jag tror att de funkar ok till basreflex, men till sluten infralåda så är nog långslagigare eller fler element att föredra, enligt min enkla åsikt.
Det beror nog till väldigt stor del på delningsfiltren.Martin skrev:Därav nyfikenheten, vad händer om man bygger en 4-vägare (sluten) med metallelement och waveguide till diskanten.
Martin skrev:Delningsfrekvenser blir nog:
100-200Hz
700-1000Hz
2000-3000Hz
Ungefär, beroende på vilket som passar smidigast.
paa skrev:Jo, 26W/4558T00 betecknas ju subwoofer, men dom billigare 26W4534 betecknas woofer, och har bara hälften så lång linjär slaglängd, vilket väl betyder att dom bara ger en fjärdedel så högt ljudtryck i lägsta registret?
Jag undrar vilken OlA valt?
Kraniet skrev:kanske missat det men varför placeras inte baselementet längre ned? tänker mig att ju lägre destå bättre?
Nattlorden skrev:Dubbla lager 12mm med dämpgucka mellan... eller direkt på 25mm.
Ja, det är ju en tanke. Funderar på att strunta i att försänka 10"-basen med fräs och istället lägga en 12mm skiva bakom som försänkning (och baffelförstärkning kring elementet). Då kanske man kan använda ett galler eller göra ett dammskydd av tyg som inte nuddar upphängningen på basen.Almen skrev:Kan du inte limma 6 mm MDF på insidan där elementen skall sitta? Då får du ju lite marginal att fräsa ur.
Martin skrev:Varför så tjockt? Går det inte bättre att staga istället om man vill ha låg vikt?
Nattlorden skrev:Martin skrev:Varför så tjockt? Går det inte bättre att staga istället om man vill ha låg vikt?
Jo, bara man håller sig över 1000ggr den rörliga massan så. Under det är det suboptimering med låg vikt.
DQ-20 skrev:Nja...1000 ggr får nog ses som en övre gräns... Mellan 100-1000 kanske är mer överkomligt.
Nattlorden skrev:DQ-20 skrev:Nja...1000 ggr får nog ses som en övre gräns... Mellan 100-1000 kanske är mer överkomligt.
Nej, undre gräns. Dock märker jag att över typ 600ggr börjar subwoofers bli opraktiska att hantera, så där blir man tvungen att gå ned lite...
50kg alltså.
Naqref skrev:Fast för subbar kan man ju ha relationen fritt. T o m en lättare låda/magnetsystem än den "rörliga" massan. Det är ju nettoförflyttningen av luft som är intressant.
Nattlorden skrev:Naqref skrev:Fast för subbar kan man ju ha relationen fritt. T o m en lättare låda/magnetsystem än den "rörliga" massan. Det är ju nettoförflyttningen av luft som är intressant.
Glöm nu inte att vissa kommer att ställa den på spikes...
Naqref skrev:Nattlorden skrev:Naqref skrev:Fast för subbar kan man ju ha relationen fritt. T o m en lättare låda/magnetsystem än den "rörliga" massan. Det är ju nettoförflyttningen av luft som är intressant.
Glöm nu inte att vissa kommer att ställa den på spikes...
Det spelar heller ingen roll. Det är fortfarande net displacement som är det viktigaste för en sub.
Nattlorden skrev:DQ-20 skrev:Nja...1000 ggr får nog ses som en övre gräns... Mellan 100-1000 kanske är mer överkomligt.
Nej, undre gräns. Dock märker jag att över typ 600ggr börjar subwoofers bli opraktiska att hantera, så där blir man tvungen att gå ned lite...
50kg alltså, så 25mm MDF är bra hjälp på vägen.
Jag som trodde det var IÖ som fört fram den tesen.Nattlorden skrev:Läs på om SD-fötter.
MagnusÖstberg skrev:Jag som trodde det var IÖ som fört fram den tesen.Nattlorden skrev:Läs på om SD-fötter.
Martin skrev:En annan fördel med slutna lådor att man kan använda fårull utan att riskera att någon tycker den är mysig och kommer in och bygger bo i den.
Martin skrev:En annan fördel med slutna lådor att man kan använda fårull utan att riskera att någon tycker den är mysig och kommer in och bygger bo i den.
Jocke skrev:Martin skrev:En annan fördel med slutna lådor att man kan använda fårull utan att riskera att någon tycker den är mysig och kommer in och bygger bo i den.
Har en säck fårull liggande sedan många år men har inte blivit färdig att göra något med den... Om jag har förstått fårfarmarna rätt så är marknaden för fårull inte så lysande... Men, det är väl beredningen som kostar, antar jag.
Har du börjat såga och snickra än?
Martin skrev:Jocke skrev:Martin skrev:En annan fördel med slutna lådor att man kan använda fårull utan att riskera att någon tycker den är mysig och kommer in och bygger bo i den.
Har en säck fårull liggande sedan många år men har inte blivit färdig att göra något med den... Om jag har förstått fårfarmarna rätt så är marknaden för fårull inte så lysande... Men, det är väl beredningen som kostar, antar jag.
Har du börjat såga och snickra än?
Ev. kommer jag få hjälp av leifjoson här på forumet med den biten mot lite utbyte av mättjänst då jag inte har någonstans att hålla till och damma ner i nuläget.
Martin skrev:Andra studieobjekt är såklart NHT 3.3 fast utan det fladdriga skråliga mellanregistret av plast.
Martin skrev:Jag skulle jättegärna lyssna på 3.3 (t.ex. 2-ch:s) men har inte fått tillfälle än.
Martin skrev::) Är såklart väldigt glad att få möjlighet att lyssna på dessa legendariska högtalare med eller utan plastljud i mellanregistret. Det får vi se.Är ju som sagt ganska Aluminiumfrä(l)st så den kommentaren får man ta med en nypa salt.
Martin skrev:Efter att ha lyssnat på 2-ch:s NHT 3.3 är jag nu övertygad om att jag är på rätt väg i mitt bygge. Fantastiskt fina högtalare som erbjuder precis den typ av ljudkvalitéer jag är ute efter. Med metallmembran även i mellanregistret blir det nog pricken över i:et.
Tack för gästfriheten förresten, det var mycket trevligt!
Fjonkalicious skrev:Alltid trevligt hos mr. Falcone!
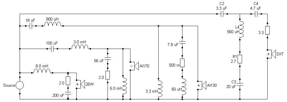
Martin skrev:Filtret beräknas kosta dryga 2200kr i komponenter (för båda högtalarna).
Kraniet skrev:är det värt att linda egna spolar? det är ju där den stora kostnaden ligger (så länge man inte köper "esoteriska" komponenter). Men det kanske inte är meningsfullt att linda själv för ett litet antal filter.
2-ch skrev:Martin skrev:Andra studieobjekt är såklart NHT 3.3 fast utan det fladdriga skråliga mellanregistret av plast.
Martin skrev:Jag skulle jättegärna lyssna på 3.3 (t.ex. 2-ch:s) men har inte fått tillfälle än.
Men nu är det löst![]()
Då får vi se hur fladdrigt du tycker att mellanregistret i plast låter.
Det dög ju för Ken. Så pass att han knökade in det i flera högtalare t.om.
Men det är väl kombinationen, inte enstaka ingredienser som gör kakan.
Själv skulle jag aldrig våga mig på att bygga en 4-vägare.
Det blir gräsligt många parametrar att ta hänsyn till.
Men jag är nyfiken på hur ditt bygge kommer arta sig.
Intressant tanke. Själv är jag fast ungefär i den tidsperiod jag började men små förändringar längs vägen. Vet inte hur det är för din del? Man kanske måste vara lite oldscool för att ge sig på att bygga egna högtalare?Kraniet skrev:undra hur en ken kantor högtalare skulle se ut idag. 3.3 var tydligen det bästa han kunde bygga.
Kraniet skrev:undra hur en ken kantor högtalare skulle se ut idag. 3.3 var tydligen det bästa han kunde bygga.
Kraniet skrev:undra hur en ken kantor högtalare skulle se ut idag. 3.3 var tydligen det bästa han kunde bygga.
Martin skrev:Nu finns det iaf sågade bitar till lådorna.
Nattlorden skrev:Och snudd på ingen har byggt något lika bra därefter, så han hade bara behövt fortsätta bygga dem...
Martin skrev:Vi måste ju ha vårat första möte snart.
Martin skrev:
Den här 4":aren med titanmembran ligger ju på 87-88dB i mellanregisterområdet. En Visaton.
Fast de är väl av äggskalsliknande keramik snarare än metallelement? Och med konkav membranform istället för konisk.Piotr skrev:Thiel&Partner/Accuton har ju sin C79 också. Typ 5" och 88-89 nånstans om jag minns rätt. Låg dist och utsträckt respons. Lite dyrare än Tangband dock.
/Peter
Martin skrev:Det är ju en resonans, över en oktav utanför där elementen ska användas.
Jocke skrev:Martin skrev:Det är ju en resonans, över en oktav utanför där elementen ska användas.
Med lite branta filter ska det där säkert gå bra!Har haft svårt att få till det så att jag gillar vad jag hör... tror att man måste hålla undan det resonanta beteendet utanför passbandet precis som du resonerar.
Martin skrev:Hmm, undrar om det går att hävda upphovsrätt för en matematisk funktion?
Martin skrev:Hålsågning är ju helt kasst. Dammet fastnar direkt i tänderna på hålsågen och allt blir tokvarmt. Man får borra stötvis och rensa tänderna och låta borren svalna mellan varje tag. Pucken fastnar i hålsågen varje gång. Det är bara så dåligt det kan bli.Så det fick bli två stag per låda.
kodapa skrev:Martin skrev:Hålsågning är ju helt kasst. Dammet fastnar direkt i tänderna på hålsågen och allt blir tokvarmt. Man får borra stötvis och rensa tänderna och låta borren svalna mellan varje tag. Pucken fastnar i hålsågen varje gång. Det är bara så dåligt det kan bli.Så det fick bli två stag per låda.
+1 på den, jag hålsågade min baffel, 18 hål. Den fick stå i förrådet 2 månader efter det på avdoftning. Det stank bränt trä om den...
Häftigt bygge!!!
MagnusÖstberg skrev:Bra hålsåg och rucka lite så den inte nyper när man kör så blir det inga problem.
Ofta handlar det om skitverktyg, och det är inte principens fel

skrutten skrev:Blir sugen på att bygga nåt igen då jag tittar in i denna tråd.
Martin skrev::) Tack för de uppmuntrande orden! Magnus:fin hålsåg ser ju lite bättre ut. Idag blir det limning av resten av lådan och fräsning av kanter. Sedan montering av element och mätning.
Jocke skrev:MagnusÖstberg skrev:Bra hålsåg och rucka lite så den inte nyper när man kör så blir det inga problem.
Ofta handlar det om skitverktyg, och det är inte principens fel
Principen innebär väl trots allt att sågspånen stannar kvar i spåret...? Finns det hålsågar som matar ut det på något sätt?
Nattlorden skrev:Jocke skrev:MagnusÖstberg skrev:Bra hålsåg och rucka lite så den inte nyper när man kör så blir det inga problem.
Ofta handlar det om skitverktyg, och det är inte principens fel
Principen innebär väl trots allt att sågspånen stannar kvar i spåret...? Finns det hålsågar som matar ut det på något sätt?
De hålsågarna man kan välja diameter på går inte klingan hela varvet runt på, de kanske matar ut lite bättre?
Martin skrev:Jag är medveten om den grejen och den är inte vinkelrät. Inte ens på en dx mantelsektor på konen. Tror det kommer gå bra men det visar mätningarna sedan. Det kommer vara dämpning mellan väggen och elementet också.
kodapa skrev:Martin skrev:Hålsågning är ju helt kasst. Dammet fastnar direkt i tänderna på hålsågen och allt blir tokvarmt. Man får borra stötvis och rensa tänderna och låta borren svalna mellan varje tag. Pucken fastnar i hålsågen varje gång. Det är bara så dåligt det kan bli.Så det fick bli två stag per låda.
+1 på den, jag hålsågade min baffel, 18 hål. Den fick stå i förrådet 2 månader efter det på avdoftning. Det stank bränt trä om den...
Häftigt bygge!!!
MagnusÖstberg skrev:Ni har för fintandad hålsåg skulle jag tro.
Min har något högre tänder än den här:
Det är bara fårull än så länge. Synpunkter på det?MagnusÖstberg skrev:Det ser absolut bra ut
Är det någon funktion vad gäller dämpning i det materialet du valt till lådorna, eller är det bara isoterm funktion?
Martin skrev:Det är bara fårull än så länge. Synpunkter på det?
Jocke skrev:MagnusÖstberg skrev:Martin skrev:Det är bara fårull än så länge. Synpunkter på det?
Inte mer än att jag inte kan tänka mig något bättre
Är intresserad av hantering av fårull - hur håller man den på plats?
DQ-20 skrev:Jocke skrev:MagnusÖstberg skrev:Martin skrev:Det är bara fårull än så länge. Synpunkter på det?
Inte mer än att jag inte kan tänka mig något bättre
Är intresserad av hantering av fårull - hur håller man den på plats?
Den ull man köper på högtalarbyggeributiker brukar vara nålad och kommer i form av en fluffig "filt" som kan rullas eller häftas. Men ull i "lösvikt" kan ju formas ganska lätt. Tovning?![]()
/DQ-20
Martin skrev:Det är bara fårull än så länge. Synpunkter på det?MagnusÖstberg skrev:Det ser absolut bra ut
Är det någon funktion vad gäller dämpning i det materialet du valt till lådorna, eller är det bara isoterm funktion?
Martin skrev:Tack för alla vänliga lugnande ord, då känns det bättre! Hittade inget lödtenn hemma idag, det är nog i Norrland, men gången blir såhär:
Montera de tre övre elementen och dra ut kablarna genom bashålet. Mäta på det och sedan montera basen och koppla in den kabeln genom terminalen. Då ska allt kunna vara tätt vid mätningarna.
IngOehman skrev:En synpunkt kan vara att det isotermiserar väldigt dåligt,men det dämpar
bra. Konsekvensen är att en låda som använder fårull som enda dämp-
material behöver vara lite större än vad den annars hade kunna vara.
IngOehman skrev:En synpunkt kan vara att det isotermiserar väldigt dåligt,men det dämpar
bra. Konsekvensen är att en låda som använder fårull som enda dämp-
material behöver vara lite större än vad den annars hade kunna vara.
Allram skrev:IngOehman skrev:En synpunkt kan vara att det isotermiserar väldigt dåligt,men det dämpar
bra. Konsekvensen är att en låda som använder fårull som enda dämp-
material behöver vara lite större än vad den annars hade kunna vara.
Dålig isotermisering? Ylleplagg är väl bland det varmaste man kan ha på sig? Samma egenskaper borde gälla inuti en högtalarlåda.
Martin skrev:Går bara på Allrams fina mätningar och analyser. Grymt bra jobb förresten!
Martin skrev:Om resonansfrekvensen sänks från 60-55Hz (bara som ett exempel) när man lägger i materialet i lådan betyder det att materialet är isotermiserande då? Alltså att materialet gör lådan större. Det är nog så jag tolkar det iaf men jag har inte undersökt det själv. Går bara på Allrams fina mätningar och analyser. Grymt bra jobb förresten!![]()
Allram skrev:I mina mätningar gjorde jag just så. Jag packade respektive material tills jag fann minima för resonansfrekvensen och gjorde impedanssvepet vid respektive materialspecifika densitet. Man fick packa ganska mycket för att komma dit!
Martin skrev:Nya ögon är alltid bra att se med, särskillt om man ofta kastar ett öga på saker och ting. Jag kommer inte vara så noga med vilket material jag använder. Antingen köper jag mera fluff eller så blir det mer ull om det behövs mer isotermiserande material. Beror på hur mycket jag vill dämpa. Tack så mycket för synpunkterna, mycket lärorikt!
Martin skrev:AL170 midbas. Det som är lite skumt i midbasen är wigglingarna kring 325Hz och 1645Hz. Kanske blev för trång passage i lådan ändå? Den vid 6000Hz hör till membranuppbrytningen.
Allram skrev:IngOehman skrev:En synpunkt kan vara att det isotermiserar väldigt dåligt,men det dämpar
bra. Konsekvensen är att en låda som använder fårull som enda dämp-
material behöver vara lite större än vad den annars hade kunna vara.
Dålig isotermisering? Ylleplagg är väl bland det varmaste man kan ha på sig? Samma egenskaper borde gälla inuti en högtalarlåda.
Jag satte ett stag bakom den också, så jag hoppas/eller tror inte det. Men det kan ju vara någon pipresonans av hela lådans längd eller något?Mr_Ekan skrev:Våglängden blir 1060mm vid 325 Hz. Hur långt är det där diagonalstaget ovanför basen, 500mm typ? Kan det vara det som sätts i svängning?
Martin skrev:Jag satte ett stag bakom den också, så jag hoppas/eller tror inte det. Men det kan ju vara någon pipresonans av hela lådans längd eller något?Mr_Ekan skrev:Våglängden blir 1060mm vid 325 Hz. Hur långt är det där diagonalstaget ovanför basen, 500mm typ? Kan det vara det som sätts i svängning?
Staget sitter ju iofs nästan på mitten längs med den diagonalväggen...

rotel2 skrev:Vilken smoothing kör du med?
Martin skrev:rotel2 skrev:Vilken smoothing kör du med?
På närfältsmätningarna körde jag med 1/3-dels oktav, men det blev ingen större skillnad i det området som visas.
Det är riktigt svårt att få till några vettiga basmätningar där man får med bakvägg och golv...
+1Allram skrev:Ut och mät med dig!
Det är pga närfältsmätningen. Så det är lite missvisande.Nattlorden skrev:Går mellanregistrets dipp att åtgärda, eller är det en del av dess naturliga respons?
Martin skrev:rotel2: det blir inte konstigt med fasen då? Det är vad jag märkt att fasen också blir rundad även när den ska byta tecken så att summeringen inte blir rätt.
paa skrev:Varför är det bara en gul?
Martin skrev:Filtret beräknas kosta dryga 2200kr i komponenter (för båda högtalarna).
Martin skrev:rotel2 skrev:Vad blev prislappen för ett par 4-vägs filter?
Kondensatorer: Listpris Elfa: 2180kr inkl. moms.
Spolar: Europe audio: 1138kr med 10% torsdagsrabatt.
Totalt: 3318kr
Jag vet inte, är det? Jag tänkte mig att fb skulle sänkas lite. Nu ligger den på 47Hz ungefär.kodapa skrev:Martin skrev:Nu har jag spelat in basarna i 24h och Fb har inte flyttat sig en enda Hz...
Det är väl bra!
Martin skrev:Jag vet inte, är det? Jag tänkte mig att fb skulle sänkas lite. Nu ligger den på 47Hz ungefär.kodapa skrev:Martin skrev:Nu har jag spelat in basarna i 24h och Fb har inte flyttat sig en enda Hz...
Det är väl bra!
kodapa skrev:Martin skrev:Jag får lägga i mer fluff helt enkelt.
De e bara å moffa på....
DQ-20 skrev:kodapa skrev:Martin skrev:Jag får lägga i mer fluff helt enkelt.
De e bara å moffa på....
Ska vi ta och reda ut det här? Moffar man fluff eller moffar man moff? Fluffa fluff eller moff gör man ju bara i undantagsfall. Väl?
Svar till "Undrande".
Nike skrev:Just do it!
'DQ-20 skrev:kodapa skrev:Martin skrev:Jag får lägga i mer fluff helt enkelt.
De e bara å moffa på....
Ska vi ta och reda ut det här? Moffar man fluff eller moffar man moff? Fluffa fluff eller moff gör man ju bara i undantagsfall. Väl?
Svar till "Undrande".
Kalejdokom skrev:Jag tycker att en del spolar verkar ligga oroväckande nära varandra, dessutom utan att vara vertikalt vinklade mot varandra...
Martin skrev:Bas med Jysktäcke. Nu blev det skillnad. Ca. 16ohm i toppen och 44Hz avstämning.
Spolarna till filtret borde komma nästa vecka.
Nattlorden skrev:Kalejdokom skrev:Jag tycker att en del spolar verkar ligga oroväckande nära varandra, dessutom utan att vara vertikalt vinklade mot varandra...
Jag tycker det är mer oroväckande hur dåliga lödningarna är, iofs...
Martin skrev:Nattlorden skrev:Kalejdokom skrev:Jag tycker att en del spolar verkar ligga oroväckande nära varandra, dessutom utan att vara vertikalt vinklade mot varandra...
Jag tycker det är mer oroväckande hur dåliga lödningarna är, iofs...
Håller på och ska bättringslöda snart.Sedan blir det premiärlyssning...
Jag använder datorns ljudkort och speakerworkshop vid impedansmätningarna. Det är MLS som körs genom högtalaren direkt från lågnivåutgången med ett 10ohms referensmotstånd i serie. Sedan plockas signalen in på lågnivåingångarna.Johannes skrev:Martin skrev:Bas med Jysktäcke. Nu blev det skillnad. Ca. 16ohm i toppen och 44Hz avstämning.
hur mkt kan du uppskatta att du dämpa för att få den skillnaden?. intressant att det gjorde sån skillnad?. hur lät det före och efter`?
är det nån risk att man förstör steget när man gör testet?
var hittar hittade du frekvens svep som går långsamt ?
många fråger
Martin skrev:Fortfarande kallödningar men det börjar närma sig.
Martin skrev:Bas med Jysktäcke. Nu blev det skillnad. Ca. 16ohm i toppen och 44Hz avstämning.
Spolarna till filtret borde komma nästa vecka.
Tack för tipset, satt igår kväll och funderade på den där. Det har du helt rätt i att minstingen (som står snett) kopplar lite till storspolen. Kul att du såg hur jag "tänkte".IngOehman skrev:PS. Bra placering av alla komponentena på korten, men spolen längst ned
till vänster på det undre kortet bör du nog vrida lite således att den inte
kommunicerar magnetiskt med den största spolen på samma kort.
De liggande spelarna behöver du inte bekymmra dig över, men just den
spolen bör du rikta så att dess axel pekar vinkelrätt från ritningen till den
andra stående spolen.
Komorok skrev:Mycket glädjande att läsa att de spelar nu.
30Hz ungefär, sedan svag avrullning. Diskanten är bara där, precis som den ska vara.Johannes skrev:Kul med dessa .. hur är diskanten ? Hur djupt går basen?
Martin skrev:
Budget ligger nog på (om man räknar listpriser på allt, vissa saker är ju begagnade osv):
Filter: 3300kr
Basar: 1600kr
Midbasar: 1600kr
Mellanregister: 1600kr
Diskanter: 900kr
Lådmaterial: 400kr
Dämpmaterial och övrigt: 400kr
Totalt: 9800kr![]()
![]()
Martin skrev:Tack, det blir halvblank grå penselmålat med vattenbaserad färg.

Jo, har kommit på att det är nog både en kombination av bakväggsreflexen och golvreflexen. Gångvägsskillnaden mellan direktljud och golvreflex är ca. 1m. Samma sak gäller reflexen i väggen bakom högtalaren 1m ungefär. Därför borde utsläckningen hamna där. Har provat att vända fasen på basen: ingen större skillnad. Har även provat att ta bort 100u från basfiltret för att fylla i lite underifrån. Ska lyssna så ett tag och se hur det låter.Nattlorden skrev:Du borde väl ha motfas på (framväggs-)reflexen vid 165-170Hz ungefär... känns väl som i det området...
Martin skrev:Det är redan dämpat på väggen bakom högtalarna.Komorok skrev:Testa att dämpa FRAMväggen och se vad som händer då.
Komorok skrev:Martin skrev:Det är redan dämpat på väggen bakom högtalarna.Komorok skrev:Testa att dämpa FRAMväggen och se vad som händer då.
Ta bort det då. Tanken är ju att de vad som påverkar dippen. Då är det ju lätt att ändra mätförutsättningarna genom att ändra dämpningen. Annars kan du ju dämpa golvreflexen.
Bra idé, fast å andra sidan är ju golvet kvar då. Vill ha lite ekonomi i vilka mätningar jag gör för det låter ju en del... Kanske lägga högtalaren ner platt mitt på golvet och mäta, vad tror du om det?Kraniet skrev:ja jag skulle kanske börjat med att mäta högtalaren mitt i rummet (bort från väggen) för att vara säker på att det är avståndet till väggen som är problemet.
Martin skrev:Bra idé, fast å andra sidan är ju golvet kvar då. Vill ha lite ekonomi i vilka mätningar jag gör för det låter ju en del... Kanske lägga högtalaren ner platt mitt på golvet och mäta, vad tror du om det?Kraniet skrev:ja jag skulle kanske börjat med att mäta högtalaren mitt i rummet (bort från väggen) för att vara säker på att det är avståndet till väggen som är problemet.
Martin skrev:
Vänster
Höger
Så, ping alla mätexperter. Vad beror svackan mellan 100-200Hz på? Högtalarna står med baffeln 50cm från bakväggen (börja inte märka ord nu. Mätningen är gjord på 1m avstånd från baffeln och på 90cm höjd från golvet rakt uppockner i mitt lyssningsrum. Har lagt en mindre hög med kuddar på golvet mellan högtalaren och miken.
Martin skrev:Så frågan är nu då, ska man kompensera eller inte och i så fall, hur mycket? Man vill ju inte ha en efterhängsen baston runt 170Hz som ligger kvar som en dimma i rummet när allting annat tystnat typ.
Martin skrev:Så frågan är nu då, ska man kompensera eller inte och i så fall, hur mycket? Man vill ju inte ha en efterhängsen baston runt 170Hz som ligger kvar som en dimma i rummet när allting annat tystnat typ.
Eri skrev:Den där svackan känner jag igen från mina egna tre-vägare. Den hade sitt centrum strax ovanför 200 Hz. Alla högtalare som står på ett golv i närheten av en vägg drabbas ju av det här. Jag vet inte om det går att påverka i någon större utsträckning med denna typ av högtalare. Jag gav upp och bryr mig inte längre. Det är inget jag tänker på vid lyssning.
För övrigt tycker jag kurvorna ser fina ut. Hur dom exakt skall se ut finns det väl olika åsikter om. Min erfarenhet från mitt eget bygge var att lyssna mycket och justera tills man känner sig nöjd. Och låta det få ta sin tid.
Det ska jag göra. Ska på kul prova vad som händer med eq också, att jag inte tänkte på det. Tack chrisss!Nattlorden skrev:Martin skrev:Så frågan är nu då, ska man kompensera eller inte och i så fall, hur mycket? Man vill ju inte ha en efterhängsen baston runt 170Hz som ligger kvar som en dimma i rummet när allting annat tystnat typ.
Inte. Lita på dina öron att integrera ihop det. Tokdämpa hellre bakom.
chrisss skrev:
Enligt IÖ (gammalt nummer av MOLT) så låter det inte lika fult som det mäter.




Användare som besöker denna kategori: Inga registrerade användare och 26 gäster